logo elektroda
logo elektroda
X
logo elektroda
REKLAMA
REKLAMA
Adblock/uBlockOrigin/AdGuard mogą powodować znikanie niektórych postów z powodu nowej reguły.

Hyundai i30 diesel 2010 - brak reakcji na otwarcie z pilota

dawidczuba1990 29 Gru 2023 21:08 666 4
REKLAMA
  • #1 20882168
    dawidczuba1990
    Poziom 2  
    Witam . Pacjent hyundai I 30 diesel 2010 r. Problem tz. Otwieranie tylko z kluczyka , przy otwarciu z kluczyka zero reakcji auta nic się nie pali nie da się nic włączyć ( ani radia swiatel itp) pala się otwarte wszystkie drzwi i bagażnik, po przekręceniu kluczyka wszystko poprawnie , odpala od strzala , masa jest plus jest akumulator sprawny , ładowanie jest . , w pilocie bat. Nowe ( po wymianie bat raz udało mi się sparować i otworzyć drzwi . Jak chciałem zamknąć to już zero reakcji . Podejrzewałem mase ale nie ten trop . Teraz albo sterownik , ale nie wiem już sam . Jakiś pomysł?
  • REKLAMA
  • #2 20882190
    Ture11
    Poziom 39  
    dawidczuba1990 napisał:
    Podejrzewałem mase ale nie ten trop

    Ale jak to wykluczyłeś, dokładniej? Tych punktów masy kilka jest w aucie, a objawy raczej wskazują na brak masy.
  • REKLAMA
  • #3 20882404
    dawidczuba1990
    Poziom 2  

    Sprawdziłem na kielichu amortyzatora, tam była jakaś masa. Plus dołożyłem masę dodatkową. Zaznaczam, że odpala bez problemu, a jak wyjmę kluczyki, to auto trup. Jakby to była masa, to by ciężko odpalał, nie odpalał. Przy odpinaniu klemy bez kluczyka w stacyjce, zero iskry. Jak przekręcę i uaktywni się komputer (kokpit), to iskrzy. Jak powinno.
  • REKLAMA
  • #4 20884300
    Ture11
    Poziom 39  
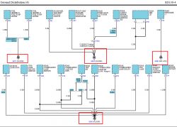
    Widzisz, w samochodzie jest trochę więcej punktów masy, niż tylko ta na amortyzatorze. I urwanie jakiejś masy w kabinie nie będzie miało wpływu na "ciężkie odpalanie". Zobacz na przykładzie serwisówki KIA CEED (który zresztą, przypadkiem, ma dużo wspólnego z i30) - dla naświetlenia tematu, połączenia masy zaznaczyłem na czerwono.

    Hyundai i30 diesel 2010 - brak reakcji na otwarcie z pilota

    Hyundai i30 diesel 2010 - brak reakcji na otwarcie z pilota

    Hyundai i30 diesel 2010 - brak reakcji na otwarcie z pilota

    Hyundai i30 diesel 2010 - brak reakcji na otwarcie z pilota


    Hyundai i30 diesel 2010 - brak reakcji na otwarcie z pilota


    Ja Ci nie zagwarantuję, że to problem z masą w aucie - ale - jako dla elektronika - objawy by mi jasno wskazywały na problem masy.

    Dodano po 6 [minuty]:

    dawidczuba1990 napisał:
    pala się otwarte wszystkie drzwi i bagażnik


    Czy to oznacza, że na wyświetlaczu świeci się, że wszystkie drzwi są otwarte, mimo, że otwierasz tylko drzwi kierowcy?

    Czy sprawdzałeś też bezpieczniki?
  • #5 20884449
    dawidczuba1990
    Poziom 2  
    Tak , otwarte wszystkie drzwi I bagażnik, po wyjęciu kluczyka bagażnik się automatycznie zamyka . Zastanawiam się czy profesjonalne podpięcie pod komputer coś by pokazało.

    Dodano po 1 [minuty]:

    Czyli potrzebny znawca gdzie są dokładnie punkty masy i weryfikacja ich . Podpięcie pod profesionalny komputer coś by dalo ?
REKLAMA