logo elektroda
logo elektroda
X
logo elektroda
REKLAMA
REKLAMA
Adblock/uBlockOrigin/AdGuard mogą powodować znikanie niektórych postów z powodu nowej reguły.

Citroen C5 Mk II - wycieraczki czasem się załączają, moduł BSI?

Yabulon 07 Sty 2024 14:54 837 7
REKLAMA
  • #1 20896151
    Yabulon
    Poziom 10  
    Witam szanownych forumowiczów :)
    Mam problem jak w temacie. Wycieraczki przednie czasami same się załączały tzn. nie tak że pracowały cały czas, ale robiły takie jedno pojedyncze majdnięcie. Piszę to w czasie przeszłym chociaż teraz też tak się czasami zdarza, ale ten objaw jest tylko trochę denerwujący, natomiast teraz mam dużo poważniejszy problem. Wycieraczki prawie nigdy nie dają się włączyć tzn dokładnie "prawie nigdy" czasami działają, ale po kilku sekundach wyłączają się. Silnik wycieraczek wymontowałem i podłączyłem bezpośredni do akumulatora i jest sprawny, spryskiwacz działa, działa również automatyczne włączanie świateł mimo że wycieraczki nie pracują. W momencie włączenie wycieraczek mam wrażenie że słyszę przekaźnik, ale nie jestem pewien. Znajomy mechanik sugeruje moduł BSI, ale nie jest tego pewien a nie za bardzo chcę kupować nowy bo ceny zabijają (używka koło 500-600 zł a nowy chyba 1600)
    Może ktoś z was spotkał się z takim dziwnym problemem to byłbym wdzięczny za wszelkie sugestie.
  • REKLAMA
  • #2 20896851
    yogi009
    Poziom 43  
    Tam nie jest taki patent, że lewa wycieraczka jest typu "master", a prawa to "slave"? Generalnie ta elektronika często jest zalana i pada.
  • REKLAMA
  • #3 20897600
    arturlom
    Poziom 19  
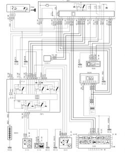
    Znalazłem w internecie schemat, z którego wynika, że silnik jest sterowany przekaźnikiem w BSM. Może będzie pomocny. Dobrze by było jakby ktoś poratował ciebie pinologią modułu BSM, ja niestety nie dotarłem do niej. Jak coś znajdę to podeślę.
    Jak nie będziesz miał opisu pinów to pozostaje sprawdzenie miernikiem do której wtyczki prowadzą przewody od silnika. Zwróć uwagę, że jeden przewód idzie do BSI. Jest to sygnał od pozycji wycieraczek.

    Sprawdź czy bezpiecznik dobrze łączy.
  • #4 20898041
    Yabulon
    Poziom 10  
    @arturlom Dzięki za schemat, może się przyda. :)
    @yogi009 Dzięki za odpowiedź, ale napisz gdzie jest ta elektronika. Chodzi o BSI, czy jest coś w okolicy silnika. A jeśli chodzi o wycieraczki to nie wydaje mi się żeby któraś była nadrzędna. Tam jest jeden silnik i mechanizm który napędza obie wycieraczki.
  • #5 20898168
    yogi009
    Poziom 43  
    Yabulon napisał:
    Chodzi o BSI, czy jest coś w okolicy silnika. A jeśli chodzi o wycieraczki to nie wydaje mi się żeby któraś była nadrzędna. Tam jest jeden silnik i mechanizm który napędza obie wycieraczki.


    W trójce jest taki patent z elektroniką przy silniku i to jest zalewane - standardowa usterka. Z tego, co piszesz, w wersji drugiej jest jeszcze normalnie.
  • REKLAMA
  • #7 20900368
    Yabulon
    Poziom 10  
    @Gum23 Teraz będzie ciężko mi to sprawdzić, bo dostęp do wtyczki jest chyba tylko po wyciągnięciu całego napędu wycieraczek. Jak miałem to wyciągnięte to sprawdzałem, ale szczerze mówiąc bez większego przekonania bo nie wiedziałem do czego służą poszczególne kable, więc tak miernikiem sprawdzałem na chybił-trafił, ale nigdzie nie pojawiło mi się napięcie. Coraz bardziej wydaje mi się, że jest to wina przekaźnika, tylko on jest raczej nie do wymiany, chyba że ktoś ma jakiś sposób na zrobienie bypassa i zamontowania osobnego gniazda przekaźnika.
  • REKLAMA
  • #8 20902884
    arturlom
    Poziom 19  
    Myślę, że łatwiejsza jest wymiana przekaźnika w BSM niż robienie baypassa. Jak widzisz na schematach w sterowaniu powrotu wycieraczki do pozycji startowej bierze udział również BSI. Pytanie czy masz też czujnik deszczu? Ale należałoby dokładnie ustalić co jest, a bez pomairów napięć na wtyczce silnika i wyjściach z BSM nie da się nic wywnioskować.

    Tak przyszło mi do głowy. Po włączeniu zapłonu i odczekaniu aż pozałączają się wszystkie obwody, przy włączeniu wycieraczek powinieneś słyszeć w BSM cyknięcie przekaźnika. Jeżeli nie słychać tego cyknięcia to może być winą sterowanie przekaźnikiem. Dobrze byłoby sprawdzić jakie błedy generuje OBD.
REKLAMA