Elektroniczny wysokościomierz-wariometr do samodzielnego montażu, wyposażony w sygnały dźwiękowe i świetlne, został zaprojektowany jako narzędzie zwiększające bezpieczeństwo w różnych dyscyplinach sportów lotniczych. Urządzenie to jest szczególnie przydatne dla entuzjastów skoków spadochronowych, lotów paralotniarskich oraz pilotów ultralekkich statków powietrznych.
Główne atuty tego rozwiązania to przystępna cena komponentów, waha się ona od 40 do 50 PLN przy zakupie detalicznym, a koszty mogą być jeszcze niższe przy zamówieniach z chińskich sklepów internetowych. Montaż jest prosty i szybki – możliwy do wykonania w jeden wieczór, a na płytce prototypowej nawet w ciągu trzydziestu minut. Ponadto, urządzenie charakteryzuje się wysoką dokładnością pomiarów, kompaktowymi wymiarami oraz niską wagą. Kolejnym atutem jest otwarty kod programu, który umożliwia modyfikacje i personalizację ustawień. Wysokościomierz może również pełnić funkcję modułu do pomiaru ciśnienia atmosferycznego, przesyłając dane o wysokości względnej, prędkości pionowej i ciśnieniu atmosferycznym przez port COM. Urządzenie to jest zasilane zarówno z autonomicznego źródła prądu stałego o napięciu 6-20 V, jak i przez kabel USB Mini-B.
Projekt AltVar+, bo tak został nazwany przez twórcę, zainicjowano jako wariometr z głośnikiem wysokotonowym. Pierwszy prototyp został zmontowany na płytce stykowej i składał się z trzech głównych komponentów: płytki mikrokontrolera Arduino Nano V3, czujnika ciśnienia Gy-68 oraz głośnika. Mimo że urządzenie reagowało sygnałem dźwiękowym na zmiany wysokości, nie posiadało wyświetlacza, co wymusiło modyfikację programu. W ulepszonej wersji, urządzenie przesyła wartości wysokości i prędkości pionowej do portu COM komputera.
Autor pragnął większej niezależności w działaniu swojego urządzenia, więc zdecydował się na dodanie 4-cyfrowego, 7-segmentowego wyświetlacza. Zintegrował płytkę z czujnikiem w autonomiczną obudowę, wyposażając ją równocześnie w akumulator. Na wyświetlaczu prezentowana jest wartość względnej wysokości, co pozwala na wykorzystanie urządzenia zarówno do pomiarów wysokości względnej, jak i jako wysoce precyzyjnego barometru.
Po pewnym czasie użytkowania, zauważył, że już kilka minut po włączeniu urządzenia można zaobserwować trend zmian pogodowych. Czujnik charakteryzuje się dokładnością rzędu +/- 0,17 m, a nawet niewielka zmiana ciśnienia atmosferycznego o jedną dziesiątą może skutkować zmianą wskazań przyrządu o ponad metr.
Jego przyjaciele i znajomi spadochroniarze, świadomi posiadania przez niego takiego innowacyjnego rozwiązania, zachęcili go do dalszego rozwoju projektu. Sugerowali stworzenie na jego podstawie wysokościomierza z alarmem dźwiękowym, zwanego "beeperem". W odpowiedzi na tę sugestię, zrezygnował niemal natychmiast z 4-cyfrowego, 7-segmentowego wyświetlacza. Powodem była ograniczona liczba cyfrowych pinów w Arduino, które byłyby niewystarczające przy podłączeniu dwóch takich wyświetlaczy, a także obawy o nadmierne zużycie zasobów procesora przez kod wyjściowy. Zauważył również efekt stroboskopowy, który negatywnie wpływał na wizualne odbiór informacji.
Ostatecznie zdecydował się na wyświetlanie danych o wysokości i prędkości pionowej na wyświetlaczu LCD 1602, który posiada 16 znaków i 2 wiersze. To właśnie urządzenie zainspirowało go do wyboru jego nazwy.
AltVar+ to innowacyjne urządzenie, które z precyzją wykrywa nawet najmniejsze zmiany wysokości i prędkości pionowej. Jego twórca, zamiłowany w doskonaleniu produktu, zdecydował się zachować fragment oryginalnego kodu, aby umożliwić generowanie sygnałów dźwiękowych. Poświęcił dni na testowanie, a AltVar+ wykazał się niezawodnością, nie odnotowując żadnej porażki. W trybie autonomicznym, zasilany baterią 9V o mocy 200mA, urządzenie działało bez przerwy przez 8 godzin, aż do wyczerpania baterii.
Program dla mikrokontrolera został opracowany z wykorzystaniem kompilatora Arduino 1.0.6. Twórca skrupulatnie rozwijał funkcjonalność urządzenia etapami. Algorytm programu jest prosty i intuicyjny: na wyświetlaczu LCD ciągle prezentowane są wartości wysokości i prędkości pionowej, które są następnie porównywane z progami ustawionymi przez użytkownika, wyzwalając odpowiednie sygnały dźwiękowe i świetlne.
Gdy urządzenie jest włączane, wyświetla użytkownikowi predefiniowane wartości progowe wysokości i prędkości. Choć na pierwszy rzut oka może to wydawać się skomplikowane, w rzeczywistości jest to proces pełen nauki. Modyfikacje są możliwe poprzez zmianę wartości w programie i ponowne załadowanie go do mikrokontrolera.
Zaprojektowany algorytm wymaga inicjowania AltVar+ przed każdym skokiem, co można przyrównać do restartu systemu. Dzięki temu uzyskuje się najdokładniejszy odczyt wysokości terenu, resetuje wartości odpowiedzialne za sygnały dźwiękowe do pierwotnych i oszczędza energię baterii.
Twórca programu miał na uwadze przede wszystkim potrzeby spadochroniarzy, ale jego przejrzystość i "chiński styl" pisania sprawiają, że jest on dostępny również dla początkujących. Prostota i jednoznaczność to jego główne atuty. Twórca uważa, że nie ma przeszkód, aby dostosować program do paralotni, paramotorów i lekkich samolotów. Kod został wzbogacony o szczegółowe komentarze, a "nagłówek" zawiera informacje o niezbędnych komponentach, ich wzajemnych połączeniach i wartościach rezystorów, co ułatwia weryfikację w edytorze tekstu lub kompilatorze.
W najnowszej wersji programu dla AltVar+ zdefiniowano trzy poziomy wysokości w kontekście dużej prędkości pionowej: "Gotowy" sygnalizowany jednym sygnałem dźwiękowym przy 1000 m, "Alert" z trzema sygnałami przy 800 m, oraz "Alarm" z ciągłym sygnałem dźwiękowym na wysokości 600 m, zapewniając tym samym użytkownikom bezpieczeństwo i kontrolę w trakcie lotu.
Sygnał zostanie usunięty, gdy prędkość pionowa spadnie do wartości progowej (ustawionej na 25 m/s).
Wprowadzono jeszcze dwa informacyjne sygnały dźwiękowe:
— po osiągnięciu na pokładzie statku powietrznego określonej wysokości (Climb; 300 m przy prędkości pionowej większej niż +1 m/s);
— po osiągnięciu określonej wysokości (Baza) podczas zejścia na spadochronie (200 m przy prędkości pionowej większej niż –1 m/s, tutaj wysokość wyzwalania została ograniczona do minimum 25 metrów, ponieważ na ziemi po włączeniu AltVar+, możliwe są różne nieoczekiwane skoki ciśnienia, które spowodują sygnał).
Dodatkowo wszystkie sygnały dźwiękowe zostały zduplikowane przez diody LED.
Składanie prototypów do testów w terenie
Zrobiono obudowę z plastiku 4 mm na samo urządzenie i na baterię (9V).
Etapy tej weryfikacji są następujące:
— stabilność pracy w stanie statycznym;
— sprawdzanie autonomii;
— „próba w windzie” ze znacznie obniżonymi wartościami progowymi wysokości i prędkości pionowych;
— skoki spadochronowe z podwyższonymi (wysokościowymi) progami reakcji urządzenia.
Od przyrządu było żądane:
— wysokości reagowania 20=>15=>10 m;
— prędkość pionowa -0,6 m/s (w granicy czułości);
— wysokość w zestawie 8 m;
— wysokość przy zejściu 5 m.
Wykorzystane komponenty:
— płytka mikrokontrolera Arduino Nano V3;
— czujnik ciśnienia Gy-68;
— LCD — wyświetlacz 1602;
— gniazdo audio 3,5 mm;
— rezystory 4k7, 1K, 330 omów;
— dioda LED 5 V;
— bateria 9V;
— przełącznik;
— płytka stykowa z przewodnikami.
Oprogramowanie:
— Arduino 1.0.6., łączące port, czujnik, wyświetlacz i biblioteki głośników;
— kod (program ładowany do mikrokontrolera).
Oprogramowanie paralotniowe AltVar+ v1.1
Wydaje dźwięki jak oryginalny projekt, wskazuje wysokość i prędkość pionową.
Dioda LED zapala się, gdy temperatura spadnie, nawet minimalnie.
A AltVar+ może być również używany jako zielona latarka LED
Wersja 2
Podobno jak poprzednio, istnieją wersje oprogramowania dla spadochronów i paralotniarstwa.
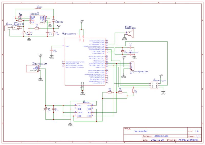
Schemat podłączenia komponentów
W nowej wersji urządzenia:
— zasilany jednym ogniwem LiPo 3,7 V (zamiast elementu 9 V);
— płytka Arduino ProMini 3,3 V 8 MHz (zamiast 5 V Arduino Nano V3);
— wyświetlacz ciekłokrystaliczny Nokia 5110 (zamiast LCD 1602);
— płytka ładująca LiPo ze złączem micro-USB.
Ten sam czujnik Gy-68 (BMP180).
Podłączenie wyświetlacza z Nokii 5110 do Arduino.
Urządzenie zostało przekształcone i stało się bardziej kompaktowe. Rozmiar małego budzika.
Bez wyświetlacza zmieści się on w kasku ochronnym!
Po lewej stronie znajduje się akumulator z kontrolerem ładowania-rozładowania, po prawej płytka z czujnikiem i głośnikiem z telefonu komórkowego.
Bez wyświetlacza z elementem o pojemności 100 mA, AltVar V2 pracował nieprzerwanie przez ponad 10 godzin. Z podłączonym wyświetlaczem (włączono podświetlenie) i elementem 200 mA — ponad 7 godzin. Bez podświetlenia — ponad 20 godzin.
Może być używany jako zwykły, precyzyjny wysokościomierz-wariometr.
Format wyjściowy informacji:
A: 15 (wysokość w metrach)
---v--- (znak przeciągnięcia, w przypadku wznoszenia +++^+++)
V: 0,0 — (prędkość pionowa w m/s)
Oto przykład podłączenia wyświetlacza (zaczerpnięty z tego właśnie: „nagłówka”):
* Wyświetlacz NOKIA 5110 (niebieski);
* Serial clock out (SCLK) 3;
* Serial data out (DIN) 4;
* Data/Command select (D/C) 5;
* LCD chip select (CS) 6;
* LCD reset (RST) 7;
* VCC (nie więcej niż 3,3 V) VCC;
* BL (podświetlenie) VCC (dla wyświetlacza czerwonego — GND);
* GND GND;
* Kompilator — 1.0.6.
Zaprogramowałem Arduino Pro Mini za pomocą zwykłego adaptera USB TTL-UART CH340G.
P.S. Firmware do wersji z wyświetlaczem dla paralotni w załączniku. W porównaniu do tego bez wyświetlacza działa nieco wolniej. Nie reaguje tak szybko na zmiany wysokości, występuje pewne opóźnienie w reakcji dźwiękowej. Reszta zaś jest całkiem funkcjonalna.
Źródło:
https://habr.com/ru/articles/390437/
https://habr.com/ru/articles/394975/
Główne atuty tego rozwiązania to przystępna cena komponentów, waha się ona od 40 do 50 PLN przy zakupie detalicznym, a koszty mogą być jeszcze niższe przy zamówieniach z chińskich sklepów internetowych. Montaż jest prosty i szybki – możliwy do wykonania w jeden wieczór, a na płytce prototypowej nawet w ciągu trzydziestu minut. Ponadto, urządzenie charakteryzuje się wysoką dokładnością pomiarów, kompaktowymi wymiarami oraz niską wagą. Kolejnym atutem jest otwarty kod programu, który umożliwia modyfikacje i personalizację ustawień. Wysokościomierz może również pełnić funkcję modułu do pomiaru ciśnienia atmosferycznego, przesyłając dane o wysokości względnej, prędkości pionowej i ciśnieniu atmosferycznym przez port COM. Urządzenie to jest zasilane zarówno z autonomicznego źródła prądu stałego o napięciu 6-20 V, jak i przez kabel USB Mini-B.
Projekt AltVar+, bo tak został nazwany przez twórcę, zainicjowano jako wariometr z głośnikiem wysokotonowym. Pierwszy prototyp został zmontowany na płytce stykowej i składał się z trzech głównych komponentów: płytki mikrokontrolera Arduino Nano V3, czujnika ciśnienia Gy-68 oraz głośnika. Mimo że urządzenie reagowało sygnałem dźwiękowym na zmiany wysokości, nie posiadało wyświetlacza, co wymusiło modyfikację programu. W ulepszonej wersji, urządzenie przesyła wartości wysokości i prędkości pionowej do portu COM komputera.
Autor pragnął większej niezależności w działaniu swojego urządzenia, więc zdecydował się na dodanie 4-cyfrowego, 7-segmentowego wyświetlacza. Zintegrował płytkę z czujnikiem w autonomiczną obudowę, wyposażając ją równocześnie w akumulator. Na wyświetlaczu prezentowana jest wartość względnej wysokości, co pozwala na wykorzystanie urządzenia zarówno do pomiarów wysokości względnej, jak i jako wysoce precyzyjnego barometru.
Po pewnym czasie użytkowania, zauważył, że już kilka minut po włączeniu urządzenia można zaobserwować trend zmian pogodowych. Czujnik charakteryzuje się dokładnością rzędu +/- 0,17 m, a nawet niewielka zmiana ciśnienia atmosferycznego o jedną dziesiątą może skutkować zmianą wskazań przyrządu o ponad metr.
Jego przyjaciele i znajomi spadochroniarze, świadomi posiadania przez niego takiego innowacyjnego rozwiązania, zachęcili go do dalszego rozwoju projektu. Sugerowali stworzenie na jego podstawie wysokościomierza z alarmem dźwiękowym, zwanego "beeperem". W odpowiedzi na tę sugestię, zrezygnował niemal natychmiast z 4-cyfrowego, 7-segmentowego wyświetlacza. Powodem była ograniczona liczba cyfrowych pinów w Arduino, które byłyby niewystarczające przy podłączeniu dwóch takich wyświetlaczy, a także obawy o nadmierne zużycie zasobów procesora przez kod wyjściowy. Zauważył również efekt stroboskopowy, który negatywnie wpływał na wizualne odbiór informacji.
Ostatecznie zdecydował się na wyświetlanie danych o wysokości i prędkości pionowej na wyświetlaczu LCD 1602, który posiada 16 znaków i 2 wiersze. To właśnie urządzenie zainspirowało go do wyboru jego nazwy.
AltVar+ to innowacyjne urządzenie, które z precyzją wykrywa nawet najmniejsze zmiany wysokości i prędkości pionowej. Jego twórca, zamiłowany w doskonaleniu produktu, zdecydował się zachować fragment oryginalnego kodu, aby umożliwić generowanie sygnałów dźwiękowych. Poświęcił dni na testowanie, a AltVar+ wykazał się niezawodnością, nie odnotowując żadnej porażki. W trybie autonomicznym, zasilany baterią 9V o mocy 200mA, urządzenie działało bez przerwy przez 8 godzin, aż do wyczerpania baterii.
Program dla mikrokontrolera został opracowany z wykorzystaniem kompilatora Arduino 1.0.6. Twórca skrupulatnie rozwijał funkcjonalność urządzenia etapami. Algorytm programu jest prosty i intuicyjny: na wyświetlaczu LCD ciągle prezentowane są wartości wysokości i prędkości pionowej, które są następnie porównywane z progami ustawionymi przez użytkownika, wyzwalając odpowiednie sygnały dźwiękowe i świetlne.
Gdy urządzenie jest włączane, wyświetla użytkownikowi predefiniowane wartości progowe wysokości i prędkości. Choć na pierwszy rzut oka może to wydawać się skomplikowane, w rzeczywistości jest to proces pełen nauki. Modyfikacje są możliwe poprzez zmianę wartości w programie i ponowne załadowanie go do mikrokontrolera.
Zaprojektowany algorytm wymaga inicjowania AltVar+ przed każdym skokiem, co można przyrównać do restartu systemu. Dzięki temu uzyskuje się najdokładniejszy odczyt wysokości terenu, resetuje wartości odpowiedzialne za sygnały dźwiękowe do pierwotnych i oszczędza energię baterii.
Twórca programu miał na uwadze przede wszystkim potrzeby spadochroniarzy, ale jego przejrzystość i "chiński styl" pisania sprawiają, że jest on dostępny również dla początkujących. Prostota i jednoznaczność to jego główne atuty. Twórca uważa, że nie ma przeszkód, aby dostosować program do paralotni, paramotorów i lekkich samolotów. Kod został wzbogacony o szczegółowe komentarze, a "nagłówek" zawiera informacje o niezbędnych komponentach, ich wzajemnych połączeniach i wartościach rezystorów, co ułatwia weryfikację w edytorze tekstu lub kompilatorze.
W najnowszej wersji programu dla AltVar+ zdefiniowano trzy poziomy wysokości w kontekście dużej prędkości pionowej: "Gotowy" sygnalizowany jednym sygnałem dźwiękowym przy 1000 m, "Alert" z trzema sygnałami przy 800 m, oraz "Alarm" z ciągłym sygnałem dźwiękowym na wysokości 600 m, zapewniając tym samym użytkownikom bezpieczeństwo i kontrolę w trakcie lotu.
Sygnał zostanie usunięty, gdy prędkość pionowa spadnie do wartości progowej (ustawionej na 25 m/s).
Wprowadzono jeszcze dwa informacyjne sygnały dźwiękowe:
— po osiągnięciu na pokładzie statku powietrznego określonej wysokości (Climb; 300 m przy prędkości pionowej większej niż +1 m/s);
— po osiągnięciu określonej wysokości (Baza) podczas zejścia na spadochronie (200 m przy prędkości pionowej większej niż –1 m/s, tutaj wysokość wyzwalania została ograniczona do minimum 25 metrów, ponieważ na ziemi po włączeniu AltVar+, możliwe są różne nieoczekiwane skoki ciśnienia, które spowodują sygnał).
Dodatkowo wszystkie sygnały dźwiękowe zostały zduplikowane przez diody LED.
Składanie prototypów do testów w terenie
Zrobiono obudowę z plastiku 4 mm na samo urządzenie i na baterię (9V).
Etapy tej weryfikacji są następujące:
— stabilność pracy w stanie statycznym;
— sprawdzanie autonomii;
— „próba w windzie” ze znacznie obniżonymi wartościami progowymi wysokości i prędkości pionowych;
— skoki spadochronowe z podwyższonymi (wysokościowymi) progami reakcji urządzenia.
Od przyrządu było żądane:
— wysokości reagowania 20=>15=>10 m;
— prędkość pionowa -0,6 m/s (w granicy czułości);
— wysokość w zestawie 8 m;
— wysokość przy zejściu 5 m.
Wykorzystane komponenty:
— płytka mikrokontrolera Arduino Nano V3;
— czujnik ciśnienia Gy-68;
— LCD — wyświetlacz 1602;
— gniazdo audio 3,5 mm;
— rezystory 4k7, 1K, 330 omów;
— dioda LED 5 V;
— bateria 9V;
— przełącznik;
— płytka stykowa z przewodnikami.
Oprogramowanie:
— Arduino 1.0.6., łączące port, czujnik, wyświetlacz i biblioteki głośników;
— kod (program ładowany do mikrokontrolera).
Oprogramowanie paralotniowe AltVar+ v1.1
Wydaje dźwięki jak oryginalny projekt, wskazuje wysokość i prędkość pionową.
Dioda LED zapala się, gdy temperatura spadnie, nawet minimalnie.
A AltVar+ może być również używany jako zielona latarka LED
Wersja 2
Podobno jak poprzednio, istnieją wersje oprogramowania dla spadochronów i paralotniarstwa.
Schemat podłączenia komponentów
W nowej wersji urządzenia:
— zasilany jednym ogniwem LiPo 3,7 V (zamiast elementu 9 V);
— płytka Arduino ProMini 3,3 V 8 MHz (zamiast 5 V Arduino Nano V3);
— wyświetlacz ciekłokrystaliczny Nokia 5110 (zamiast LCD 1602);
— płytka ładująca LiPo ze złączem micro-USB.
Ten sam czujnik Gy-68 (BMP180).
Podłączenie wyświetlacza z Nokii 5110 do Arduino.
Urządzenie zostało przekształcone i stało się bardziej kompaktowe. Rozmiar małego budzika.
Bez wyświetlacza zmieści się on w kasku ochronnym!
Po lewej stronie znajduje się akumulator z kontrolerem ładowania-rozładowania, po prawej płytka z czujnikiem i głośnikiem z telefonu komórkowego.
Bez wyświetlacza z elementem o pojemności 100 mA, AltVar V2 pracował nieprzerwanie przez ponad 10 godzin. Z podłączonym wyświetlaczem (włączono podświetlenie) i elementem 200 mA — ponad 7 godzin. Bez podświetlenia — ponad 20 godzin.
Może być używany jako zwykły, precyzyjny wysokościomierz-wariometr.
Format wyjściowy informacji:
A: 15 (wysokość w metrach)
---v--- (znak przeciągnięcia, w przypadku wznoszenia +++^+++)
V: 0,0 — (prędkość pionowa w m/s)
Oto przykład podłączenia wyświetlacza (zaczerpnięty z tego właśnie: „nagłówka”):
* Wyświetlacz NOKIA 5110 (niebieski);
* Serial clock out (SCLK) 3;
* Serial data out (DIN) 4;
* Data/Command select (D/C) 5;
* LCD chip select (CS) 6;
* LCD reset (RST) 7;
* VCC (nie więcej niż 3,3 V) VCC;
* BL (podświetlenie) VCC (dla wyświetlacza czerwonego — GND);
* GND GND;
* Kompilator — 1.0.6.
Zaprogramowałem Arduino Pro Mini za pomocą zwykłego adaptera USB TTL-UART CH340G.
P.S. Firmware do wersji z wyświetlaczem dla paralotni w załączniku. W porównaniu do tego bez wyświetlacza działa nieco wolniej. Nie reaguje tak szybko na zmiany wysokości, występuje pewne opóźnienie w reakcji dźwiękowej. Reszta zaś jest całkiem funkcjonalna.
Źródło:
https://habr.com/ru/articles/390437/
https://habr.com/ru/articles/394975/
Fajne? Ranking DIY
