Witam,
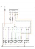
Poszukuję schematu do VW Polo 9n3 silnik 1.4 z 2009. Interesuje mnie fragment sterowania odpowiedzialny za tylny zamek od strony kierowcy.
Nie działa z pilota otwieranie ani zamykanie tylnych drzwi. Rozebrałem je drzwi i sprawdziełm zamek podpinając bezpośrednio pod zasilacz - otwieranie i zamykanie działa prawidłowo. Kable w przelotce do drzwi też ok. Na komputerze brak błędów. Podejrzewam, że coś z modułem komfortu, ale przydałby się schemat żeby to potwierdzić.
Poszukuję schematu do VW Polo 9n3 silnik 1.4 z 2009. Interesuje mnie fragment sterowania odpowiedzialny za tylny zamek od strony kierowcy.
Nie działa z pilota otwieranie ani zamykanie tylnych drzwi. Rozebrałem je drzwi i sprawdziełm zamek podpinając bezpośrednio pod zasilacz - otwieranie i zamykanie działa prawidłowo. Kable w przelotce do drzwi też ok. Na komputerze brak błędów. Podejrzewam, że coś z modułem komfortu, ale przydałby się schemat żeby to potwierdzić.