logo elektroda
logo elektroda
X
logo elektroda
REKLAMA
REKLAMA
Adblock/uBlockOrigin/AdGuard mogą powodować znikanie niektórych postów z powodu nowej reguły.

[Rozwiązano] CB President Johnny II i Antena Delta 875 - brak odbioru/nadawania, co robić?

shikoo 07 Lut 2024 19:53 915 46
REKLAMA
  • #1 20950263
    shikoo
    Poziom 7  
    Cześć, na wstępie chciałem zaznaczyć, że jestem tylko użytkownikiem - kompletnym lamusem w dziedzinie CB. Mam radio Johnny II + antena CB Delta 875 Simple i problem jest tego typu, że chyba nikt mnie nie słyszy ani ja niczego nie słyszę oprócz szumu. Radio kupiłem jako używane, antenę nową. Od samego początku po zainstalowaniu słabo odbierało - czasem coś tam było słychać, ale niewyraźnie, a teraz nie słychać nic. Jak i co sprawdzić, żeby mieć pewność, że jest zepsute? Po włączeniu radia jest napis PL, więc chyba pasmo wybrane odpowiednie.
  • REKLAMA
  • #3 20950336
    shikoo
    Poziom 7  
    Możesz kogoś polecić?
  • Pomocny post
    #5 20951100
    Hektar Zahle.r
    Poziom 30  
    shikoo napisał:
    Jak i co sprawdzić, żeby mieć pewność, że jest zepsute?

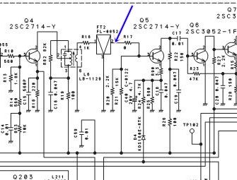
    Umiesz wykonać podstawowe pomiary, jak zaznaczone na schemacie? Częsta usterka w tych radiach to uszkodzony filtr 2. p.cz. Proszę zmierzyć napięcie, jak strzałka pokazuje. Powinno być ok. 0,8-1 V.

    CB President Johnny II i Antena Delta 875 - brak odbioru/nadawania, co robić?
  • #6 20951196
    shikoo
    Poziom 7  
    OK, fajno, sprawdzę w weekend.

    Dodano po 5 [godziny] 57 [minuty]:

    A czy jest możliwe, że jeśli mam zasilanie CB podłączone nie do zapalniczki, a pod kabel od zasilania radia audio, to powoduje jakieś zakłócenia, przez które nie będzie odbioru/nadawania?
  • REKLAMA
  • Pomocny post
    #7 20951895
    jokercbi
    Poziom 12  
    shikoo napisał:
    jestem tylko użytkownikiem - kompletnym lamusem w dziedzinie CB.
    Skoro tak to
    Hektar Zahle.r napisał:
    Proszę zmierzyć napięcie, jak strzałka pokazuje. Powinno być ok. 0,8-1 V.
    Mija się z celem, bo nawet, jak zmierzy, to pytam: co dalej?
    Chcesz zachęcić osobę totalnie nie obeznaną z tematem do wymiany filtra II p.cz. na tanim chińskim laminacie.
    Efekty łatwo przewidzieć.
    shikoo napisał:
    A czy jest możliwe, że jeśli mam zasilanie CB podłączone nie do zapalniczki, a pod kabel od zasilania radia audio, to powoduje jakieś zakłócenia, przez które nie będzie odbioru/nadawania?

    Nie jest to możliwe, zawsze odbiór jakiś będzie. Poza tym radio CB ma tzw. szum własny odbiornika i od tego należy zacząć sprawdzenie, podobnie jak test dotykowy wzmacniacza m.cz. na tzw. brum.
    Jednak to wszystko to są podstawy w tego typu urządzeniach i jak ktoś tego nie, wie nie powinien się zabierać do napraw.
    Po opisie tematu, objawów, zadawaniu pytań widać, że jednak naprawa tego radia jest trochę powyżej Twojej wiedzy i kwalifikacji. Na forum ludzie chętnie napiszą rady, aby tylko parę pkt. zarobić, ale w tym przypadku to jedynie żerowanie na sytuacji.
    Poszukaj jakiegoś radioamatora z zacięciem elektronicznym, to Ci to radio w pięć minut "postawi do pionu" i będzie tanio. Z serwisami teraz jest problem, bo jest ich już mało i są zawalone robotą. Poza tym muszą zarobić nie tylko na siebie, ale i na podatki. Często jedyna forma kontaktu to wysyłki, co podnosi koszt naprawy dla klienta. Do tego czekanie często tygodniami. Polecam filmy Saxona na YT, ma serwis CB w Warszawie, tam widać, ile paczek dziennie mu przychodzi, czas czekania jakieś pół roku na samo otwarcie paczki.
  • #8 20951956
    shikoo
    Poziom 7  
    Ale ja nie napisałem, że chcę sam naprawiać - proszę przeczytać kilka wpisów wyżej, pytałem o polecenie serwisu. Zmierzyć mogę to, co kolega napisał, i będę miał podstawę do tego, czy wysłać radio do naprawy. Nigdzie nie napisałem też, że ma być tanio, ale fajno, że piszesz, bo tak się składa, że myślałem o wysyłce do Saxona - teraz już wiem, że nie ma sensu, bo radia będę potrzebował za jakiś miesiąc, jak zacznie się sezon na koparkę. :) Nie mogę czekać pół roku.
  • #9 20953371
    shikoo
    Poziom 7  
    Jeszcze niczego nie mierzyłem, ale mam pytanie - na skali S-metru przy odbiorze diody palą się praktycznie do samej góry (kanał 19), ale nie słychać komunikatów, a jak naduszę przycisk na gruszce, to tylko jedna zielona dioda na tej skali się zapala. Może antena jest lipna? Dziś podczas jazdy do pracy radio nagle zaczęło działać i nawet ziomek z TIR-a odpowiadał na moje pytania.
  • REKLAMA
  • Pomocny post
    #10 20954789
    jokercbi
    Poziom 12  
    shikoo napisał:
    Jeszcze niczego nie mierzyłem, ale mam pytanie - na skali S-metru przy odbiorze diody palą się praktycznie do samej góry (kanał 19), ale nie słychać komunikatów, a jak naduszę przycisk na gruszce, to tylko jedna zielona dioda na tej skali się zapala. Może antena jest lipna? Dziś podczas jazdy do pracy radio nagle zaczęło działać i nawet ziomek z TIR-a odpowiadał na moje pytania.

    Ten wpis wyraźnie już nam mówi o tym, co w radiu jest nie tak. Wyraźnie z niego wynika, że nie ma mowy, aby uszkodzenie było jedynie po stronie filtra II p.cz. Ww. pomiar napięcia na tym filtrze w zasadzie nie ma znaczenia.
    Z opisu wynika, że w radiu jest tzw. zimny lut w okolicy modulatora/wzmacniacza małej częstotliwości. Innymi słowy pęknięty "oszczędny lut".
    Uszkodzenie każdego innego elementu elektronicznego można wykluczyć, gdyż radio w pewnym momencie się "obudziło" (zaczęło działać poprawnie?), więc gdzieś jedynie brak styku.
  • #11 20954881
    shikoo
    Poziom 7  
    Tak, raz na jakiś czas "zagada". Mam w drugim samochodzie President Harry 3 i tam, jak naduszę nadawanie na gruszce, to skala idzie do samej góry. W tym, o które pytam, zapala się tylko jedna kreska. To objaw zimnego lutu? Gdzie go szukać? :) Mógłbyś zaznaczyć na schemacie?
  • Pomocny post
    #12 20957088
    jokercbi
    Poziom 12  
    shikoo napisał:
    To objaw zimnego lutu? Gdzie go szukać? Mógłbyś zaznaczyć na schemacie?
    Nie ma osoby na tym forum ani nigdzie poza nim, która Ci może zaznaczyć na schemacie taki zimny lut. To jest niewykonalne.
    Taki lut może znaleźć jedynie ktoś, kto wie, gdzie szukać, i ma to radio w ręku. Czasem skutkuje metoda "palucha" (pod naciskiem lut załączy), a czasem metoda przelutowania danego sektora radiotelefonu.
    Poza tym takie działania najlepiej poprzedzić pomiarami, a do tego poza wiedzą ogólną z tematu trzeba mieć minimum sprzętu pomiarowego i umieć się nim posłużyć. Naprawdę, choć brzmi to banalnie, to taki lut często przypadkiem się udaje namierzyć. Nie jest to zabawa dla początkującego.
  • #13 20958408
    shikoo
    Poziom 7  
    To znowu ja. :) Za namową kolegi postanowiłem pobawić się w naprawę radia samemu - człowiek całe życie się uczy, więc może i ja się czegoś nowego dowiem. Pytanie - co oznacza "test śrubokręta"? Jak dotykam miejsca anteny śrubokrętem, to zaczyna coś tam pierdzieć i na S-metrze pojawia się kropka nr 1. O czym to świadczy?


  • Pomocny post
    #14 20958826
    maciekgminski
    Poziom 5  
    Może zacząć od podstaw. Czy ASC jest wyłączony? Pokręć gałką od blokady szumów, bo w końcowym położeniu włącza się ASC.
  • Pomocny post
    #15 20958960
    Hektar Zahle.r
    Poziom 30  
    Gdyby miał zaciągnięty ASC, toby nie wpuszczał tego szumu (po to właśnie jest ASC). Natomiast czytając Kolegi teksty odnoszę wrażenie, jakby odbiór działał bez zarzutu, bo na początku nie wspomniał kolega, że S-metr coś pokazuje! I teraz pytanie, czy pokrętła są ustawione odpowiednio? Czy blokada szumów działa poprawnie? Od siebie dodam, że to radio jest wybitnie bezawaryjne (z wyjątkiem filtra 2. p.cz.) i trudno dopatrywać się w nim uszkodzeń, a tym bardziej zimnych lutów, bo to montaż SMD. Może kolega wrzuci nagranie, jak to radio słyszy w trakcie rozmowy? Toby było coś już wiadomo.
  • Pomocny post
    #16 20958978
    gumisie
    Poziom 43  
    shikoo napisał:
    Jak dotykam miejsca anteny śrubokrętem, to zaczyna coś tam pierdzieć i na S-metrze pojawia się kropka nr 1. O czym to świadczy?
    Świadczy to o kompletnym braku podstawowej wiedzy. Śrubokręt to nie antena, którą należy podłączyć.

    "Powodzenia" w eksperymentach, nie życzę.

    PS. Mam nadzieję, że nie sprawdzasz bez podłączonej anteny, czy CB nadaje.
  • #17 20959066
    shikoo
    Poziom 7  
    ASC wyłączam - pokrętło blokady szumów jest mniej więcej na środku. Z podłączoną anteną S-metr pokazuje 2-3 kropki na odbiorze, ale nie słychać rozmówcy - przy włączonym ASC jest cisza, po ustawieniu pokrętła na środku słychać tylko szum i zakłócenia. Przy nadawaniu pali się tylko jedna kropka S-metra. Oczywiście nie próbowałem nadawać bez anteny - czytałem instrukcję, zanim je uruchomiłem. 😁 Czasem radio zaskoczy i słychać przez chwilę rozmówcę, ale trzeba się streszczać, bo trwa to krótko, po czym znowu np. tydzień nie działa. Z tym że jak już działa, to słabo słychać komunikaty pomimo głośności na maksimum.
  • REKLAMA
  • Pomocny post
    #18 20959160
    Hektar Zahle.r
    Poziom 30  
    Wrzuć nagranie z rozmowy jak możesz. Zastanawiam się, czy to nie wina głośnika, bo objaw pasuje. A może masz po prostu za dużo zakłóceń?

    PS. Po dłuższym zastanowieniu:
    shikoo napisał:
    mam pytanie - na skali S-metra przy odbiorze diody palą się praktycznie do samej góry (kanał 19), ale nie słychać komunikatów
    To by mogło wskazywać też na urwany kabelek we wtyku mikrofonowym (raz łączy, raz nie łączy). Dlatego drugi mikrofon na podmiankę by się przydał.
  • #19 20959864
    shikoo
    Poziom 7  
    Dziękuję za podpowiedzi. :) Będę się bawił w weekend - mam drugie President Harry 3 i wczoraj kupiłem Johnny 3. Jak gruszka będzie pasować, to podmienię i zobaczę, co się będzie działo. Zastanawiam się też, czy antena, którą mam, Delta 875, wymaga strojenia? Gdyby to była wina anteny, to też by były takie objawy?
  • Pomocny post
    #20 20959878
    gumisie
    Poziom 43  
    shikoo napisał:
    Zastanawiam się też, czy antena, którą mam, Delta 875 wymaga strojenia?
    Tak, wymaga takiego strojenia, lecz w przypadku samego odbioru nie ma to większego znaczenia.
  • #21 20960909
    jokercbi
    Poziom 12  
    Hektar Zahle.r napisał:
    trudno dopatrywać się w nim uszkodzeń, a tym bardziej zimnych lutów, bo to montaż SMD.
    Marcinku, może faktycznie popełniłem mały błąd, bo odrzuciłem awarię samego mikrofonu, ale to Twoje zdanie to jest kompletna kompromitacja. Wg Ciebie chińskie mikrometrowe luty kładzione przez chińskie roboty na chińskich liniach montażowych nie pękają? Jesteś tutaj w totalnym błędzie.
    Poza tym skoro to mikrofon, to aby były takie objawy, to musi być urwany nie tylko kabelek od RX, bo przy nadawaniu też to jakoś nie działa.
    Hektar Zahle.r napisał:
    Zastanawiam się, czy to nie wina głośnika, bo objaw pasuje
    Objaw pasuje? A co ma głośnik do nadawania? Poza tym jeszcze nie widziałem głośnika, który jest de facto zatarty mechanicznie i raz działa, a raz nie działa. To jest fizycznie niemożliwe, bo mechanika nie znosi kompromisów.
    Ja bym stawiał na uszkodzenie w rejonie TDA2003, a jeżeli radio jest po "przejściach" typu przebiegunowanie albo 24 V, to wymiana takiego scalaka profilaktycznie. Oczywiście wcześniej eliminacja uszkodzonego potencjalnie mikrofonu!

    Aby sprawdzić, czy to mikrofon tutaj robi problem, wystarczy na samym gniazdku klipsa zapiąć na piny GND/RX i odbiór ma być. Ale to też poziom dla zaawansowanego lekko serwisanta, bo nie te piny ktoś zewrze i BUM! Dlatego nadal odradzam koledze autorowi samodzielne grzebanie w tym radiu.
  • #22 20961013
    shikoo
    Poziom 7  
    😁 Będę grzebał w imię nauki. W zasadzie spisałem już to radio na straty.
  • #23 20961056
    Hektar Zahle.r
    Poziom 30  
    Kolego, jak już masz kilka sprawnych radiotelefonów, to odsłuchaj dla jasności nadawanie, bo dosyć niejasno to opisałeś. Domniemam, że mimo jednej diody na skali raz działa (kierowca TIR-a nie zgłaszał zastrzeżeń), a raz nie działa? Wybadaj, jak to z tym jest.

    PS. Środkowy styk mikrofonu to "sztywne" 12 V, więc uważaj z tym, bo przypadkowe zwarcie może zepsuć radio.
  • #24 20961522
    shikoo
    Poziom 7  
    Tak, chłop z TIR-a słyszał mnie dobrze, bo pytałem o to.

    Dodano po 52 [minuty]:

    Ten tego, przyszedł Johnny. 3 :) Po włączeniu słychać bip, ale nie szumi - przy nadawaniu wskaźnik, idzie na maksimum, ale na odbiorze nawet nie szumi - wyłączone ASC i blokada szumów na maksimum w prawo, wzmocnienie też maksimum w prawo.



  • #25 20962415
    shikoo
    Poziom 7  
    Hehe, nowe radio zachowuje się tak samo jak poprzednie. Przez chwilę słyszałem rozmowę i znowu cisza, a stałem w kroku na obwodnicy. Chyba wychodzi, że antena jest jakaś lipna. Sprawdziłem miernikiem kabel i na bolcu do podstawy jest przejście.
  • #26 20962464
    Hektar Zahle.r
    Poziom 30  
    Blokada szumów w lewo, aż usłyszysz szumy i następnie kręcisz w prawo, aż szumy znikną. Następnie "dokładasz" nieco obrotu, żeby nie wpuszczać zakłóceń. Bo tak, jak masz teraz skręcony do oporu w prawo, nie będzie słyszał praktycznie nic. Mówisz, że czytałeś instrukcję, a tymczasem prawidłowe ustawienie blokady szumów się kłania. Widziałem Twój wpis na grupie CB radio na fejsbuku. Co do anteny, trzeba zmierzyć WFS.
  • #27 20962490
    shikoo
    Poziom 7  
    Problem w tym, że przy kręceniu blokadą szumów nic się nie dzieje. Żadnych szumów nie słychać. Obojętnie czy jest na minimum czy maksimum w prawo.
  • #28 20962495
    Hektar Zahle.r
    Poziom 30  
    Jak nie ma w ogóle szumu, to masz uszkodzone radio.
  • #29 20962530
    shikoo
    Poziom 7  
    I o to mi chodziło. 😁

    Dodano po 1 [minuty]:

    Z doświadczenia podpowiesz, czy to kosztowne uszkodzenie?
  • #30 20962643
    Hektar Zahle.r
    Poziom 30  
    Cóż ja mogę napisać? Jak nie ma w ogóle żadnego odbioru w Johnny III, to często uszkodzeniu ulegał przekaźnik kontaktronowy (tzw. kontaktron). Jego koszt to 10 zł plus robocizna.
    PS. tak dla jasności - to radio powinno odbierać również bez podpiętego mikrofonu. Natomiast Johnny II nie będzie odbierał bez sprawnego mikrofonu.

Podsumowanie tematu

Użytkownik zgłasza problem z radiem CB President Johnny II oraz anteną Delta 875, które nie odbierają ani nie nadają sygnału, a jedynie emitują szum. Po zakupie radia jako używanego i nowej anteny, użytkownik zauważył, że odbiór był słaby, a obecnie nie słychać nic. Forumowicze sugerują różne metody diagnostyczne, w tym pomiar napięcia na filtrze 2. p.cz. oraz sprawdzenie mikrofonu i ustawień radia. Wskazano na możliwość uszkodzenia zimnego lutu lub przekaźnika kontaktronowego. Po wymianie anteny na markową, problem został rozwiązany, a radio zaczęło działać poprawnie.
Podsumowanie wygenerowane przez model językowy.
REKLAMA