logo elektroda
logo elektroda
X
logo elektroda
Adblock/uBlockOrigin/AdGuard mogą powodować znikanie niektórych postów z powodu nowej reguły.

Wzmacniacze na układach TDA

CKsrv 12 Kwi 2003 03:30 57042 65
  • O autorze
    CKsrv
    Poziom 32  
    Offline 
    Specjalizuje się w: elektronika przemysłowa
    CKsrv napisał 2376 postów o ocenie 84, pomógł 8 razy. Jest z nami od 2003 roku.
  • #9 1529112
    =Tesla=
    Poziom 19  
    witam posiadam kilka takich układów ale nigdzie nie moge dorwać schematu płytki i rozmieszczenia elementów a z rysunku blokowego mi sie nie chce samemu tworzyć jak by ktoś miał nie bedzie taki miły i mi da z góry bardzo dziekuje

    =Tesla=
  • #10 2533814
    harry202
    Poziom 12  
    to chyba czas zaczac ruszyc łepetyną:]
  • #11 2692469
    adamsx
    Poziom 12  
    a można zrobić wzmacniacz z tda2003 proszę o szybką odpowieć;p;p
  • #13 4678268
    Konto nie istnieje
    Konto nie istnieje  
  • #14 4741477
    *rogal*
    Poziom 14  
    Witam.

    Ja chciałbym zbudować wzmacniacz na np. TDA ale tak koło 2x100W
    Macie jakieś propozycje??

    Z góry dzięki:D

    Pozdrawiam rogal.
  • #15 4743971
    MaThiR
    Poziom 16  
    Ludzie spojrzyjcie do katalogów, tam są zwykle podane podstawowe układy aplikacyjne i czasem nawet gotowe projekty wzorów płyetk.

    http://www.datasheetcatalog.net/cgi-bin/helo.pl?text=TDA2005

    http://www.datasheetcatalog.net/cgi-bin/helo.pl?text=TDA2003

    W googlach też od groma stronek znajdziesz. Wystarczy trochę pokombinować i ruszyć główką. Na elektrodzie zapewne też coś jest.
  • #16 4766540
    doom3gt
    Poziom 11  
    dziex za pdp. pozdro for all
  • #17 4792178
    matekdh
    Poziom 11  
    Witam

    Jestem na etapie wykonywania płytki do wzmaka na TDA1521,
    jest to na podstawie kitu AVT-181

    Wie ktoś może jaka jest jakość dźwięku z tej kostki??
  • #18 4796437
    martrox
    Poziom 12  
    Witam! Dawno tu nie byłem. Ja trochę nie na temat. Mam pytanie: Czy mogę bez problemowo podłączyć głośnik TONSIL 4W 15Ohm do wzmacniacza na TDA7056 taki jak ten:

    http://www.sklep.avt.com.pl/p,pl,40184,avt205...Etop-q+-+zestaw+do+samodzielnego+montazu.html

    W zasadzie wzmacniacz jest 3W a głośnik 4W i to dużej różnicy dla wzmacniacza chyba nie robi po za tym że będzie sie szybko grzał ale myślę że mały radiator załatwi sprawę. Problem pojawia sie tu że głośnik jest bardzo ,,oporny,, -15Ohm. Co zrobić żeby wszystko dobrze grało bez problemów? Bardzo proszę Was o pomoc i pozdrawiam- martrox.
  • #19 4798448
    matekdh
    Poziom 11  
    Możesz bez problemu podłączyć głośnik do tego wzmacniacza.
    Pamiętaj że przy tak dużej impedancji głośnika wzmacniacz raczej nie osiągnie tych 3W i maksymalna moc może być mniejsza.

    Czy zamierzasz zasilić ten układ?

    Moim zdaniem najlepiej będzie jak użyjesz baterii np: 9V.
  • #20 4798562
    martrox
    Poziom 12  
    Dzięki wielkie już sie bałem że będę musiał kupić nowy głośnik. Układ zamierzam zasilić bateria 9V i zasilaczem do 200mA-myślę że wystarczy zasilanie będzie można zmienić wyłącznikiem 3-pozycyjnym.
  • #21 5758863
    Speedy-1994-xD
    Poziom 2  
    Czesc, Mam Pytanie, chciałem sobie zrobić wzmacniacz na ukladzie TDA, i który najlepiej by pasowal do 2 glosniczkow sopranowych i jednego bassowego. Niewiem dokładnie jaka moc mają głośniki ponieważ są one stare, które od dawna leżą w pudełku a nic na nich nie pisze, a dokładniej wziąłem je z zestawu komputerowego(2xSopran 1xBass do tego obudowa :P). Który wzmacniacz polecacie TDA2003, TDA2005 czy może inny.?
    Chciałem go zasilać dwoma bateriami 9v i sprawdzić jak to działa.. :)
    Z góry dziękuję i przepraszam ze pytam o takie coś, ale jestem początkujący i będzie to mój pierwszy projekt..

    PS: Wiem ze jest dział dla początkujących ale nic nie moglem znaleźć.. Jeszcze raz dzięki..
    Pozdro All.. :)
  • #22 5759309
    urzedas
    Poziom 14  
    Speedy-1994-xD napisał:
    Czesc, Mam Pytanie, (.....) Który wzmacniacz polecacie TDA2003, TDA2005 czy może inny.?
    (...)


    Troche mało informacji podałeś. Jeśli to ma być mała moc i jedna kostka to pomyśl nad tda7375 lub pokrewnych. Układ baaaaardzo prosty, kilka elementów i jest opcja 2.1. Looknij w note - Figure 6. Stereo/Bridge strona 4
    http://pdf.elenota.pl/pdf/STMicroelectronics/6325.pdf

    ps - i masz tam chyba jakieś PCB narysowane
  • #23 5759819
    Speedy-1994-xD
    Poziom 2  
    To może być też troszkę za słabe, ja myślałem raczej nad TDA 2005(jedna kostka), on ma on dużą moc(25W) i jest dość mały, do niego musiałbym kupić akumulatorek(12V) i ładowarkę, ale nie ma problemu.
    To miałby być wzmacniacz "przenośny", chodzi mi o to że jak jadę rowerem to z plecaka nic nie słychać z moich głośników ze wzmacniaczem(TDA2822M) to ma bardzo małą moc(0.1W), dałem 2 baterie(9V).
    Wyszło mi około 1W, ale i tak prawie nic nie słychać, a codziennie jeżdżę kawałek drogi, a w słuchawkach niewygodnie.
    Na przerwach w szkole też nie grało za dobrze, i jak podgłosiłem to strasznie charczało..
    Mam już zrobione PCB do 2oo5 i do 2oo3.. :)
    To ma być wzmacniacz do MP3, MP4 lub telefonu :P
    Do tego znalazłem w garażu jeszcze jakieś 2 głośniki.
    Więc mam już 2xSopran 2xZwykłe 1xBass.
    Co więcej chcesz wiedzieć?
  • #24 5761118
    urzedas
    Poziom 14  
    Speedy-1994-xD napisał:
    To może być też troszkę za słabe, ja myślałem raczej nad TDA 2005(jedna kostka), ....


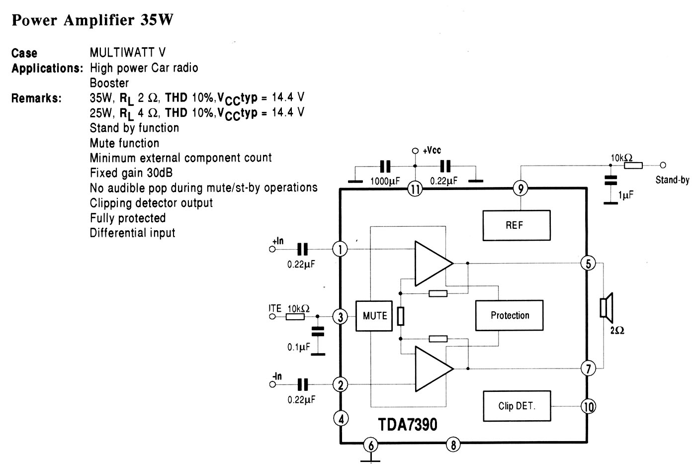
    Hmm... - chyab jesteś w błędzie - zobacz w noty katalowowe - wszystkie te kosci, które tutej wymieniliśmy przystosowane są do zasilania samochodowego, czyli 14,4 V i przy tym napięciu osiągają takie moce:

    tda2003 1x10W przy 2Ω
    tda2005 2x10W przy 2Ω lub w mostku 1x20W przy 4Ω
    tda7375 4x12W przy 2Ω lub 2 mostki 2x25W przy 4Ω lub w układzie 2.1 2x12W/2Ω i mostek 1x25W/4Ω

    natomiast tda7375A w mostku osiąga 26W. Ogólnie wiadomo, że są to różnice praktycznie nie słyszalne (1 czy 2 W) ale dla odmiany tda7375 jest zdecydowanie dużo bardziej praktyczna od 2003 i 2005 bo z jednej kości masz 2.1 (a czytając Twoje posty to chyba chodzi Ci właśnie o 2.1), moc podobna (a nawet wyższa), a i patrząc na schemat gotowego wzmacniacza to 7375 wydaje się chyba łatwiejszy w wykonaniu (mniej elementów).

    ps - wg noty minimalne napięcie zasilania tda7375 to 8V
  • #25 5762398
    Speedy-1994-xD
    Poziom 2  
    No może się pomyliłem :P
    Ale okay spróbuje z tym(TDA7375). :)
    Dziekuje bardzo za pomoc..
    Pozdro!
  • #26 6363045
    Pego
    Poziom 2  
    Jaki najlepiej kupić akumulator 12V tak aby nie był drogi i grał jak najdłużej :?:
  • #28 6487413
    Konto nie istnieje
    Poziom 1  
  • #29 6519172
    kunigas
    Poziom 12  
    Moc jest określona w następnej tabelce noty katalogowej.
    Przy zasilaniu 14,4 V uzyskasz 28W przy 4Ω.
    Maksymalne zasilanie 18V , wówczas moc pewnie trochę większa , może te 40W , ale pewnie będą dużo większe zniekształcenia.
  • #30 6521230
    Konto nie istnieje
    Poziom 1  
REKLAMA