Najpopularniejszym sposobem generowania sygnału SSB jest klasyczna metoda: filtra fazowego i bezpośredniej konwersji. Trzeci istnieje od dawna, ale obecnie jest prawie zapomniany. To dlatego, że w momencie jego wynalezienia dostępna baza komponentów nie pozwalała poradzić sobie z niektórymi jego wadami. Jednak aktualnie nie stanowi to problemu. W odróżnieniu od dwóch pierwszych przypadków.
Metodę opracował Irlandczyk Donaldo Weaver pod koniec lat 40. ubiegłego wieku. Jest atrakcyjna, ponieważ pozwala w dość prosty sposób uzyskać utworzenie bardzo precyzyjnego sygnału jednostronnego wstęgi bocznej o doskonałej, niezniekształconej charakterystyce amplitudowo-fazowej (a zatem bez zakłóceń). Artykuły w Internecie potwierdzają skuteczność metody. Głównie teoretycznie. O ile mi wiadomo, jedynym projektem przemysłowym zbudowanym na tej zasadzie jest amerykański transceiver wojskowy.
W Internecie można znaleźć gotowe schematy i nowoczesne rozwiązania, ale wszystko zaczęło się od szkicu z 1950 roku. Całość jest wykonana na lampach i zawiera wiele regulacji, ponieważ w tamtych czasach rozpiętość parametrów elementów pasywnych była dość duża, a symetrię obu kanałów można było osiągnąć jedynie za pomocą ustawień. Być może był to powód niewielkiej popularności. Układ może pełnić funkcję demodulatora, a obwód działa również w odwrotną stronę.
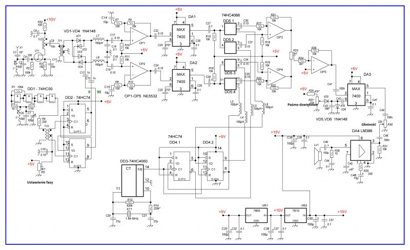
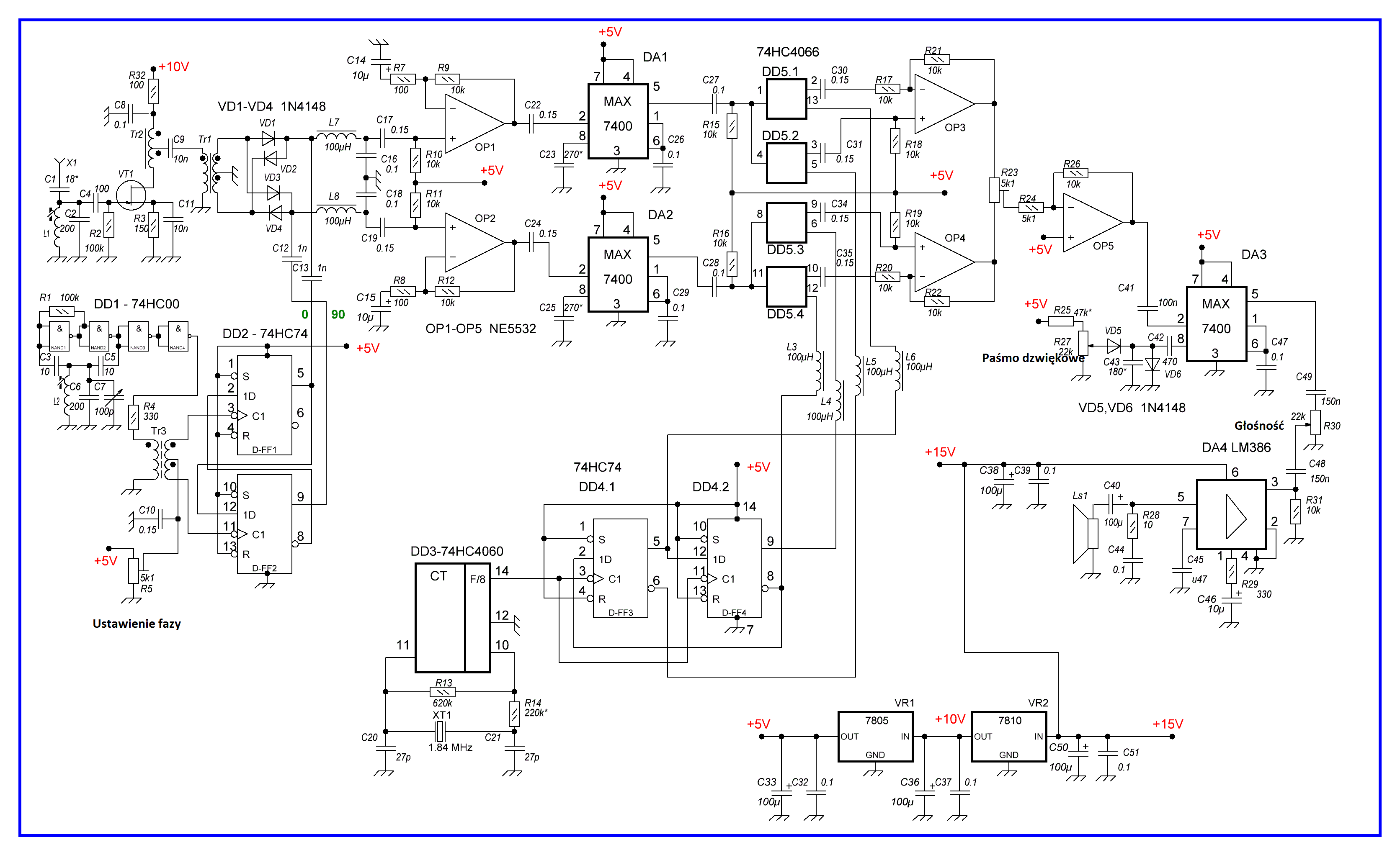
Symulacja obwodu z elementami idealnymi daje bardzo dobre wyniki. W numerze 6 magazynu WRW za rok 2013 ukazał się schemat odbiornika zbudowanego na zasadzie Weavera, ale z nowoczesnymi detalami. Sądząc po komunikatach na portalu cqham.ru, zostało to powtórzone, przynajmniej przez ukraińskich radioamatorów, którzy zamieścili nawet nagranie dźwięku tego amplitunera. Odbiornik jest jednopasmowy, przeznaczony na popularny zakres 7 MHz. Jednak nic nie stoi na przeszkodzie, aby uczynić go wielopasmowym poprzez zmianę obwodów wejściowych i pasma generatora.
Jak widać na schemacie, odbiornik jest superheterodyną z dwiema konwersjami przy bardzo niskiej częstotliwości pośredniej, mieszczącej się w zakresie audio. Przypominam, że im niższa częstotliwość, tym łatwiej zapewnić wąskie pasmo. Przy około 3000 Hz jednostopniowy filtr LC ma taką samą częstotliwość odcięcia jak filtr 4-stopniowy przy 500 kHz.
To prawda, że odbiornik zawiera dwa identyczne kanały. W jednym z nich widmo częstotliwości audio jest przesunięte w fazie o 90 stopni, w tym, czy w innym kierunku, co zapewnia odbiór górnej lub dolnej strony.
Główny oscylator wykonany jest na cyfrowym układzie scalonym D1 — 74HC00. Częstotliwość ustala się parametrami cewki L2 i kondensatorów C6-7. Pierwsze miksery są kwadraturowe (74HC74), tj. zasilane sygnałami oscylatora z przesunięciem fazowym 0/90. Po pierwszej konwersji dostępne są aktywne filtry dolnoprzepustowe (MAX7400) o częstotliwości F=1200 Hz. Następnie są drugie miksery, również kwadraturowe. A zasilane przez drugi referencyjny oscylator niskiej częstotliwości (1700 Hz z przesunięciem fazowym 0/90). Ich wyjścia są sumowane, aby stłumić górną wstęgę boczną. Wyjściowy filtr dolnoprzepustowy (MAX7400) o zmiennej częstotliwości F=300-3000 Hz. Ostateczny wzmacniacz jest wykonany na układzie scalonym LM386.
Wiele osób może pomyśleć, że sygnał z drugiego oscylatora przedostanie się do wzmacniacza niskiej częstotliwości i spowoduje pisk w głośniku. Jednak, sądząc po nagraniu dźwięku operacji na antenie, pisk jest w ogóle niesłyszalny, chociaż przyrządy wskazują na jego obecność na bardzo niskim poziomie.
Odbiornik wykorzystuje głównie cyfrowe układy filtrów aktywnych oraz filtry MAX7400.
Jest tu tylko jedna regulacja, w przeciwieństwie do wersji autorskiej i modulatorów-demodulatorów konwersji bezpośredniej — rezystor R25. Zapewniają lepszy balans kanałów, a co za tym idzie tłumienie jednej z częstotliwości bocznych. Tym samym odbiornik doskonale nadaje się do masowej produkcji.
Moim zdaniem oscylator można zrobić na podstawie układu scalonego si5531. Ma on 3 wyjścia, między którymi można powrócić fazę sygnałów na 90 stopni. Scalaki MAX7400 są dość drogie. Np. w Turcji kosztują 400 TL (52 zł) za sztukę. Zamiennikiem może być MAX293. W ww. kraju ten ostatni jest 5 razy tańszy. Istnieje inne rozwiązanie — aktywne filtry na wzmacniaczach operacyjnych.
Jeśli znajdą się chętni na praktyczną realizację tego odbiornika, to mogę opracować płytkę.
Artykuł dokładnie opisujący metodę Weavera jest poniżej:
https://csoundjournal.com/ezine/summer2000/processing/
(w języku angielskim).
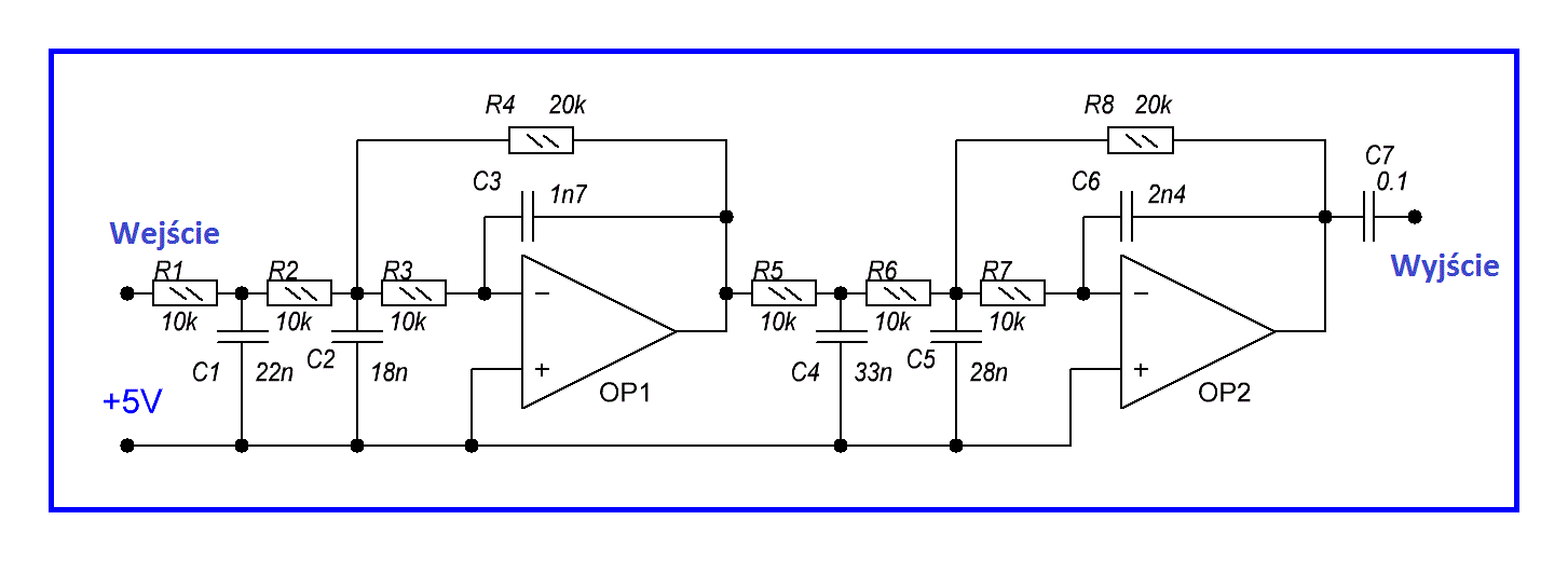
P.S. Schemat z magazynu WRW zawiera błąd. Moim zdaniem układ zasilania ma wyglądać następująco:
Artykuł został opracowany na podstawie materiałów z magazynu WRW 6.2013 oraz portalu cqham.ru.
Metodę opracował Irlandczyk Donaldo Weaver pod koniec lat 40. ubiegłego wieku. Jest atrakcyjna, ponieważ pozwala w dość prosty sposób uzyskać utworzenie bardzo precyzyjnego sygnału jednostronnego wstęgi bocznej o doskonałej, niezniekształconej charakterystyce amplitudowo-fazowej (a zatem bez zakłóceń). Artykuły w Internecie potwierdzają skuteczność metody. Głównie teoretycznie. O ile mi wiadomo, jedynym projektem przemysłowym zbudowanym na tej zasadzie jest amerykański transceiver wojskowy.
W Internecie można znaleźć gotowe schematy i nowoczesne rozwiązania, ale wszystko zaczęło się od szkicu z 1950 roku. Całość jest wykonana na lampach i zawiera wiele regulacji, ponieważ w tamtych czasach rozpiętość parametrów elementów pasywnych była dość duża, a symetrię obu kanałów można było osiągnąć jedynie za pomocą ustawień. Być może był to powód niewielkiej popularności. Układ może pełnić funkcję demodulatora, a obwód działa również w odwrotną stronę.
Symulacja obwodu z elementami idealnymi daje bardzo dobre wyniki. W numerze 6 magazynu WRW za rok 2013 ukazał się schemat odbiornika zbudowanego na zasadzie Weavera, ale z nowoczesnymi detalami. Sądząc po komunikatach na portalu cqham.ru, zostało to powtórzone, przynajmniej przez ukraińskich radioamatorów, którzy zamieścili nawet nagranie dźwięku tego amplitunera. Odbiornik jest jednopasmowy, przeznaczony na popularny zakres 7 MHz. Jednak nic nie stoi na przeszkodzie, aby uczynić go wielopasmowym poprzez zmianę obwodów wejściowych i pasma generatora.
Jak widać na schemacie, odbiornik jest superheterodyną z dwiema konwersjami przy bardzo niskiej częstotliwości pośredniej, mieszczącej się w zakresie audio. Przypominam, że im niższa częstotliwość, tym łatwiej zapewnić wąskie pasmo. Przy około 3000 Hz jednostopniowy filtr LC ma taką samą częstotliwość odcięcia jak filtr 4-stopniowy przy 500 kHz.
To prawda, że odbiornik zawiera dwa identyczne kanały. W jednym z nich widmo częstotliwości audio jest przesunięte w fazie o 90 stopni, w tym, czy w innym kierunku, co zapewnia odbiór górnej lub dolnej strony.
Główny oscylator wykonany jest na cyfrowym układzie scalonym D1 — 74HC00. Częstotliwość ustala się parametrami cewki L2 i kondensatorów C6-7. Pierwsze miksery są kwadraturowe (74HC74), tj. zasilane sygnałami oscylatora z przesunięciem fazowym 0/90. Po pierwszej konwersji dostępne są aktywne filtry dolnoprzepustowe (MAX7400) o częstotliwości F=1200 Hz. Następnie są drugie miksery, również kwadraturowe. A zasilane przez drugi referencyjny oscylator niskiej częstotliwości (1700 Hz z przesunięciem fazowym 0/90). Ich wyjścia są sumowane, aby stłumić górną wstęgę boczną. Wyjściowy filtr dolnoprzepustowy (MAX7400) o zmiennej częstotliwości F=300-3000 Hz. Ostateczny wzmacniacz jest wykonany na układzie scalonym LM386.
Wiele osób może pomyśleć, że sygnał z drugiego oscylatora przedostanie się do wzmacniacza niskiej częstotliwości i spowoduje pisk w głośniku. Jednak, sądząc po nagraniu dźwięku operacji na antenie, pisk jest w ogóle niesłyszalny, chociaż przyrządy wskazują na jego obecność na bardzo niskim poziomie.
Odbiornik wykorzystuje głównie cyfrowe układy filtrów aktywnych oraz filtry MAX7400.
Jest tu tylko jedna regulacja, w przeciwieństwie do wersji autorskiej i modulatorów-demodulatorów konwersji bezpośredniej — rezystor R25. Zapewniają lepszy balans kanałów, a co za tym idzie tłumienie jednej z częstotliwości bocznych. Tym samym odbiornik doskonale nadaje się do masowej produkcji.
Moim zdaniem oscylator można zrobić na podstawie układu scalonego si5531. Ma on 3 wyjścia, między którymi można powrócić fazę sygnałów na 90 stopni. Scalaki MAX7400 są dość drogie. Np. w Turcji kosztują 400 TL (52 zł) za sztukę. Zamiennikiem może być MAX293. W ww. kraju ten ostatni jest 5 razy tańszy. Istnieje inne rozwiązanie — aktywne filtry na wzmacniaczach operacyjnych.
Jeśli znajdą się chętni na praktyczną realizację tego odbiornika, to mogę opracować płytkę.
Artykuł dokładnie opisujący metodę Weavera jest poniżej:
https://csoundjournal.com/ezine/summer2000/processing/
(w języku angielskim).
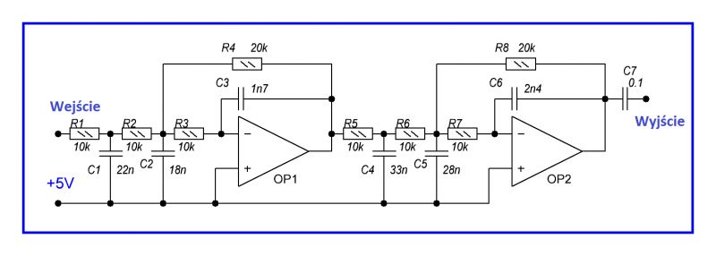
P.S. Schemat z magazynu WRW zawiera błąd. Moim zdaniem układ zasilania ma wyglądać następująco:
Artykuł został opracowany na podstawie materiałów z magazynu WRW 6.2013 oraz portalu cqham.ru.
Fajne? Ranking DIY