logo elektroda
logo elektroda
X
logo elektroda
REKLAMA
REKLAMA
Adblock/uBlockOrigin/AdGuard mogą powodować znikanie niektórych postów z powodu nowej reguły.

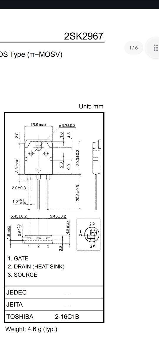
Gdzie znaleźć oryginalne tranzystory K2967 do wzmacniacza Denon?

tomek,8732 27 Lut 2024 10:13 420 21
REKLAMA
  • #1 20980535
    tomek,8732
    Poziom 15  
    Witam orientuje się ktoś gdzie można kupić tranzystory do wzmacniacza Denon.Chodzi o to żeby nie były podróbki tylko oryginały.Symbol K2967

    Gdzie znaleźć oryginalne tranzystory K2967 do wzmacniacza Denon?

    Ewentualnie jakieś dobre zamienniki
  • REKLAMA
  • #3 20980808
    tomek,8732
    Poziom 15  
    Niestety nie ma
  • REKLAMA
  • #4 20980810
    DiZMar
    Poziom 43  
    Jakubserwis napisał:
    Zobacz w TME.

    Pełna nazwa to 2SK2967. W TME niedostępny. Dostępny w Link
    Gdzie znaleźć oryginalne tranzystory K2967 do wzmacniacza Denon? Gdzie znaleźć oryginalne tranzystory K2967 do wzmacniacza Denon?
    Sprzedają pewny towar.
  • #5 20980813
    kris8888
    Poziom 39  
    Z oryginałem możesz mieć problem bo Toshiba nie produkuje już tych tranzystorów. Albo musisz szukać jakichś leżaków magazynowych lub dobrych używek lub markowych zamienników. Względnie produktów pod tym samym symbolem ale już innych producentów np. chińskiego ISC. Ale to już kompletna loteria.
  • REKLAMA
  • #6 20980817
    DiZMar
    Poziom 43  
    kris8888 napisał:
    Z oryginałem możesz mieć problem bo Toshiba nie produkuje już tych tranzystorów. Albo musisz szukać jakichś leżaków magazynowych

    Dostępne max 11 sztuk.
  • #7 20980844
    tomek,8732
    Poziom 15  
    Dwie sztuki potrzebuję
  • #8 20980852
    DiZMar
    Poziom 43  
    tomek,8732 napisał:
    Dwie sztuki potrzebuję

    To możesz kupić nawet 1 sztukę czy też 2 sztuki lub dowolną ilość (na tą chwilę do 11 sztuk).
  • #9 20980861
    tomek,8732
    Poziom 15  
    Ale nie jestem zarejestrowany u nich a inaczej nie sprzedadzą chyba.
  • #11 20980877
    tomek,8732
    Poziom 15  
    No ten drugi może by podpasował.
  • #12 20980887
    DiZMar
    Poziom 43  
    tomek,8732 napisał:
    Ale nie jestem zarejestrowany u nich a inaczej nie sprzedadzą chyba.

    Czytaj PW.
  • #13 20980893
    tomek,8732
    Poziom 15  
    Jednak nie podpasuje bo mają inne schematy wewnętrzne
    . Gdzie znaleźć oryginalne tranzystory K2967 do wzmacniacza Denon? Gdzie znaleźć oryginalne tranzystory K2967 do wzmacniacza Denon?
  • #14 20980907
    DiZMar
    Poziom 43  
    tomek,8732 napisał:
    Jednak nie podpasuje bo mają inne schematy wewnętrzne

    Własnie. Nie ryzykowałbym wstawiania innych wewnętrznie. Nie wiadomo jakie skutki to może w sprzęcie wywołać. Ale to Twój wybór.
  • #15 20980910
    Jacekser
    Poziom 25  
    To sobie dołóż te diody na wejście między bramkę a żródło.To tylko zabezpiecza,bez tego też powinno działać jak w wielu podobnych aplikacjach bez.
  • #16 20980935
    kris8888
    Poziom 39  
    Osobiście jakbym miał dać 50zł za oryginalny nieprodukowany już tranzystor Toshiby to rozważyłbym wstawienie jakiegoś tańszego współczesnego zamiennika, np. IRFP250, ale koniecznie jakiegoś dobrego, ale nie-chińskiego producenta, np. STM albo Vishay.
  • REKLAMA
  • #17 20980936
    tomek,8732
    Poziom 15  
    Dziękuję bardzo za podpowiedź.
  • #19 20982152
    mrrudzin
    Poziom 39  
    Skoro mówimy o kwocie 50zł za tranzystor - Może jakąś opcją będzie kupienie rozbitka z epoki i użycie go jako dawcy?

    Troche żmudna robota, bo trzeba wcześniej przejrzeć serwisówkę każdego potencjalnego kandydata aby upewnić się że te konkretne tranzysory były tam montowane. Z drugiej strony jest duże prawdopodobieństwo że różne modele z danej serii i model w przód albo tył będzie miał te tranzystory (chyba że to totalna egzotyka).
  • #20 20982201
    tomek,8732
    Poziom 15  
    Na razie zamówiłem takie i zobaczę jak wystartuje to będę się zastanawiał co dalej z tym zrobić. Gdzie znaleźć oryginalne tranzystory K2967 do wzmacniacza Denon?
  • #21 20982567
    kris8888
    Poziom 39  
    Będziesz musiał prawdopodobnie trochę pokombinować w układzie driverów bo ten tranzystor który zamówiłeś ma nieco wyższe napięcie otwarcia (Vgs) niż oryginalny 2SK2967. Trzeba było zamówić ten który ja Tobie proponowałem czyli IRFP250 bo jest bardziej zbliżony do oryginału jeśli chodzi o parametry dynamiczne.

    No ale być może ruszy bez przeróbek tylko zwróć uwagę na prąd spoczynkowy.
  • #22 20982917
    tomek,8732
    Poziom 15  
    Dzięki wielkie za info jutro będę działał w temacie bo już dotarły tranzystory.Dam znać czy ruszy.

Podsumowanie tematu

W dyskusji poruszono problem zakupu oryginalnych tranzystorów K2967 do wzmacniacza Denon. Użytkownicy wskazali, że tranzystory te są niedostępne w popularnych sklepach, takich jak TME, ponieważ Toshiba przestała je produkować. Zasugerowano poszukiwanie zamienników, takich jak IRFP250, które mogą być bardziej dostępne, ale z uwagą na różnice w parametrach. Użytkownicy podzielili się linkami do sklepów, gdzie można znaleźć alternatywne tranzystory oraz omówili ryzyko związane z używaniem zamienników o innych schematach wewnętrznych. Wspomniano również o możliwości zakupu rozbitków z epoki jako źródła oryginalnych komponentów.
Podsumowanie wygenerowane przez model językowy.
REKLAMA