Eksperymenty z elektromagnetyzmem rozpoczęły się we wczesnym XIX wieku, pod kierunkiem naukowców takich jak Michael Faraday. Pierwszy działający silnik elektryczny został wynaleziony przez Thomasa Davenporta w 1834 roku. Wykorzystywał on prąd stały (DC) i posiadał nieruchomy elektromagnes jako stojan do stworzenia nieruchomego pola magnetycznego. Rotor — ruchoma część silnika — był również elektromagnesem zasilanym prądem, przekazywanym za pomocą komutatora i szczotek. Choć fundamentalna zasada działania szczotkowych silników prądu stałego pozostaje w dużej mierze niezmieniona od czasów Davenporta, to jednak nastąpił dramatyczny postęp w technologii, materiałach i projektowaniu. Doprowadziło to do poprawy wydajności, niezawodności i poszerzenia zastosowań.
Nikola Tesla: pionier innowacji w dziedzinie silników prądu przemiennego
Istnieje legenda, że w 1882 roku Nikola Tesla spacerował przez park miejski w Budapeszcie, rozmawiając z przyjacielem. Nagle poczuł przypływ inspiracji i zacytował wiersze z: „Fausta” Goethego. Patrząc na zachód słońca, miał wizję wirującego pola magnetycznego i wymyślił zasadę działania silnika asynchronicznego, którą szybko naszkicował na zakurzonej ścieżce. Silniki asynchroniczne mają mniej elementów ruchomych i nie potrzebują szczotek, które były integralną częścią jednostek na prąd stały. Sprawia to, że są one bardziej wytrzymałe, nie tak podatne na awarie i nie wymagają tylu konserwacji. Te silniki są wydajniejsze przy wyższych prędkościach, a ponieważ używają prądu zmiennego (AC), naturalnie lepiej współpracują z systemami danego typu, które dzięki Nikola Tesli stały się dominujące ze względu na zdolność do przesyłania energii elektrycznej na duże odległości z minimalnymi stratami. Dzisiaj silniki asynchroniczne są wciąż najczęściej stosowanymi napędami elektrycznymi w przemyśle.
Oprócz wszystkich tych zalet mają one pewne wady, których jednostki na prąd stały nie posiadają. Te ostatnie wykazują zdolność do natychmiastowego generowania dużego momentu mocy przy uruchamianiu, co jest przydatne w zastosowaniach wymagających silnego rozruchu. W porównaniu z asynchronicznymi jednostkami prądu przemiennego, szczotkowe silniki prądu stałego mają stosunkowo liniowe cechy i mogą błyskawicznie reagować na zmiany sygnałów sterujących. Sprawia to, że są odpowiednie do użytku tam, gdzie liczy się dynamika odpowiedzi.
Wprowadzenie do PMSM: nowoczesne arcydzieło w technologii napędów
Nowy rodzaj, który łączy wiele zalet jednostek asynchronicznego prądu przemiennego z zaletami szczotkowych na prąd stały, to Silnik Synchroniczny z Magnesami Stałymi (PMSM). PMSM to zaawansowany napęd trójfazowy wyposażony w wytrzymałe magnesy trwałe osadzone w rotorze. Kiedy prąd płynie przez stojan (część nieruchoma silnika), tworzy się pole elektromagnetyczne, które oddziałuje z tym magnetycznym magnesów trwałych rotora, powodując jego obrót. Prędkość obrotu synchronizuje się z częstotliwością zasilania energią elektryczną, stąd nazwa: „synchroniczny” silnik. Ta unikalna konstrukcja prowadzi do znacznego wzrostu gęstości mocy w porównaniu z innymi dostępnymi rodzajami napędów. Podstawowe koncepcje i teorie dotyczące jednostek PMSM są znane od dawna, ale ich powszechny użytek i komercjalizacja rozpoczęły się pod koniec XX i na początku XXI wieku, wraz z rozwojem zaawansowanej elektroniki i technik sterowania. Silniki PMSM stały się popularne w różnych zastosowaniach, od napędów przemysłowych do samochodów. Wiele nowoczesnych aut elektrycznych używa jednostek PMSM ze względu na ich wydajność, gęstość mocy i szeroki zakres prędkości pracy.
Kolejnym rodzajem do rozważenia są BLDC, czyli bezszczotkowe silniki prądu stałego. Jak sugeruje nazwa, działają one bez szczotek. Chociaż mają podobną do PMSM konstrukcję, oba korzystają z magnesów trwałych, to jednak ich funkcjonowanie się różni. Silniki PMSM pracują na prądzie sinusoidalnym i często wymagają bardziej skomplikowanych systemów sterowania. Z drugiej strony jednostki BLDC operują na bardziej skokowym napięciu (o przebiegu z grubsza trapezoidalnym) i korzystają z czujników HAL lub innych metod do śledzenia pozycji rotora.
Istnieje wiele innych rodzajów silników elektrycznych, w tym krokowe i o zmiennej reluktancji, między innymi. Jednak ten artykuł skupi się głównie na sterowaniu jednostkami PMSM.
Sterowanie silnikami łączy różne dziedziny inżynierii, co czyni je szczególnie fascynującymi. Te kategorie obejmują elektronikę: mocy, analogową i cyfrową, teorię sterowania, cyfrowe przetwarzanie sygnałów i inżynierię oprogramowania wbudowanego. Ponadto istotna jest tutaj inżynieria mechaniczna i termiczna. Wiedza z tego zakresu odgrywa bowiem kluczową rolę w procesach projektowania i optymalizacji modułów sterowania tych silników.
Metoda sterowania polowo zorientowanego (FOC): zmniejszanie różnicy między jednostkami na prąd stały a tymi PMS
Głęboka analiza elektryczna napędów prądu stałego (DC) podkreśla zdolność do kontrolowania wzbudzenia zarówno stojana, jak i wirnika niezależnie. Ten niezależny mechanizm kontroli zapewnia, że generacja momentu obrotowego i strumień magnetyczny mogą być odrębnie dostosowane. Podczas gdy jednostki PMSM działają na różnych zasadach podstawowych, dzielą kluczową cechę z silnikami prądu stałego: tylko prądy stojana podlegają kontroli. W napędach PMSM współzależność między strumieniem a momentem obrotowym wynika z wykorzystania magnesów trwałych do wzbudzenia wirnika.
Metoda FOC, znana również jako sterowanie polowo zorientowane, to zaawansowana technika, której celem jest odtworzenie charakterystycznej kontroli momentu obrotowego i strumienia silnika prądu stałego. Aby to osiągnąć, konieczne jest uzyskanie ortogonalności między polem magnetycznym wirnika a stojana. Korzystając z transformacji matematycznych, zwłaszcza Parka i Clarke'a (patrz rysunki poniżej), metoda FOC z powodzeniem pozwala na odseparowanie momentu obrotowego od strumienia magnetycznego. Trzeba tu wykazać się zrozumieniem, że dla skutecznej implementacji FOC niezbędne jest precyzyjne pozycjonowanie wirnika i biegła kontrola prądów uzwojeń stojana.
Metoda FOC stanowi znaczący postęp w sterowaniu silnikiem poprzez przekształcanie trójfazowego układu odniesienia abc w układ współrzędnych dq. Otwiera to drogę do uzyskania niemal jednorodnego pola magnetycznego w obu osiach. Wynik? System umożliwia niezależną kontrolę nad prądami w obu kierunkach dq, podobnie jak silniki utrzymujące prędkość — Ω — zsynchronizowaną z polem magnetycznym wywołanym przez uzwojenia stojana.
Wrodzona redundancja w trójfazowym silniku oznacza, że prądy w jego fazach (a, b, c) są wzajemnie zależne. Sprawia to, że wartości uzyskane z dwóch faz natychmiast ujawniają trzecią, zmniejszając potrzebę analizy trzeciego wymiaru. Matematyczny paradygmat przejścia z układu abc do współrzędnych dq odzwierciedla zmianę układu współrzędnych, podobnie jak przejście z układu kartezjańskiego na współrzędne biegunowe. Ta zmiana wyrównuje naszą perspektywę z polem magnetycznym wirnika, oferując prostsze, quasi-stacjonarne przedstawienie systemu dla kontrolerów. Korzyści z redukcji wymiarów nie oznaczają tylko matematycznej elegancji; chodzi o łatwość sterowania. Zmniejszając wymiary z 3 do 2, kontrolery silników mogą oddzielnie zarządzać składowymi momentu obrotowego i strumienia, co sprawia, że ogólna kontrola staje się bardziej intuicyjna i wydajna.
Iq jest wprost proporcjonalne do momentu obrotowego, a zasadniczo jego kontroler dla jednostki PMSM jest kontrolerem prądu.
Kontroler
Kontrolery silników, oprócz zdolności do sterowania momentem obrotowym, mają również możliwość kierowania prędkością, a nawet położeniem wirnika. Kontrola pozycji jest ściśle związana z technikami generowania trajektorii i innymi zaawansowanymi metodami sterowania. Jednak w tym kontekście głównym celem jest sprawowanie pieczy nad prędkością i momentem obrotowym.
Jednostka PMSM jest często charakteryzowana jako system nieliniowy ze względu na wrodzone zależności między jej napięciami, prądami, polami magnetycznymi a dynamiką mechaniczną. Analizując działanie tego silnika wokół określonego punktu pracy lub równowagi, można go przybliżyć jako układ liniowy, a techniki kontroli, takie jak regulatory PID doskonale nadają się do jego sterowania. Aby regulować prędkość, można zastosować tradycyjne podejście kaskadowe z dwoma regulatorami PI.
Kontroler prędkości (zewnętrzna pętla) reguluje tempo pracy silnika i operuje wolniej w porównaniu z pętlą wewnętrzną. Gdy definiuje się wartość docelową, taką jak zadana prędkość, dla tej pętli, wynik jej działania przechodzi kaskadowo w dół i staje się odniesieniem dla pętli wewnętrznej, określając wymagany moment obrotowy. Ta skonfigurowana warstwowo struktura zapewnia szybsze reakcje systemu i wzmacnia jego zdolność do przeciwdziałania zakłóceniom.
Kontroler prędkości dla sterowania silnikiem może być również opracowany za pomocą bardziej złożonych technik sterowania. Poza tradycyjnymi metodami, zaawansowane podejścia, takie jak sterowanie predykcyjne i adaptacyjne, sieci neuronowe, regulatory przestrzeni stanów i systemy sterowania rozmytego, prezentują innowacyjne ścieżki projektowania i optymalizacji. Niskie obciążenie obliczeniowe, odporność i prostota strojenia kontrolera PID oferują znaczne korzyści w porównaniu z bardziej złożonymi technikami sterowania. Dobrze dostrojony kontroler prędkości typu PI, uzupełniony o dostosowywanie wzmocnienia i inne kompensacje, powinien wystarczyć dla większości zastosowań.
Kontroler momentu/prądu (wewnętrzna pętla) działa szybko, aby przeciwdziałać zakłóceniom, skupiając się głównie na mierzalnych aspektach systemu, takich jak moment obrotowy czy prąd. Ponieważ moment obrotowy jest ściśle związany z prądem, głównym celem tej pętli jest dokonywanie szybkich dostosowań działania silnika bez przekraczania zadanych wartości. Kontroler systematycznie podąża za zmianami. Po pierwsze, mierzy prądy silnika, napięcie szyny zasilania i kąt wirnika. Za pomocą transformacji Parka-Clarke'a przekształca trójfazowe prądy na obracający się układ współrzędnych dq, co prowadzi do dwóch odrębnych wielkości. Następnie kontrolowany jest moment obrotowy (proporcjonalny do prądu q).
Kontroler określa dalej napięcia stojana z wyjścia kontrolera za pomocą odwrotnej transformacji Parka-Clarke'a i przekształca je na cykle pracy odpowiednie dla trójfazowego falownika PWM.
Powyższy schemat ukazuje podstawowe składniki kontrolera zorientowanego polowo (FOC). Jego głównym wejściem jest prąd q, który bezpośrednio odpowiada za moment obrotowy generowany przez silnik. Oprócz prądu q, prąd d, prostopadły do prądu q, odgrywa istotną rolę w FOC silnika PMS. Podczas gdy prąd q jest bezpośrednio związany z momentem obrotowym, prąd d odpowiada za kontrolę strumienia magnetycznego w silniku. W normalnych warunkach pracy prąd d idealnie ustawiony jest na zero dla PMSM. Wynika to z faktu, że silnik pracuje w polu magnetycznym magnesów trwałych, a dodatkowy strumień indukowany przez niezerowy prąd d może obniżyć sprawność i zazwyczaj jest zbędny. Utrzymywanie prądu d na poziomie zera optymalizuje moment obrotowy na amper, zapewniając, że silnik pracuje z wysoką sprawnością i nie generuje nadmiernego ciepła. Jednak w przypadkach takich jak osłabienie pola, prąd d jest dostosowywany od tej wartości zera, aby umożliwić pracę powyżej prędkości bazowej. Prawidłowe zarządzanie prądem d, utrzymywanie go głównie na poziomie zera i dostosowywanie go w razie potrzeby, gwarantuje optymalną sprawność silnika, ochronę przed demagnesacją magnesów trwałych i stabilność ogólnego systemu sterowania.
Chociaż niektóre bloki funkcjonalne wymagają implementacji sprzętowej, główna logika kontrolera jest przede wszystkim wykonywana jako oprogramowanie w mikrokontrolerze (MCU), procesorze sygnałowym (DSP) lub układzie FPGA. Czujnik położenia ułatwia operacje FOC dla silnika na całym zakresie, szczególnie przy niższych prędkościach.
Sprzęt do sterownika
Aby zastosować kontroler jednostki PMSM (Silnik synchroniczny z magnesami trwałymi), wymagane są następujące podstawowe komponenty sprzętowe:
Zasilanie: źródło energii elektrycznej do zasilania napędu i obwodów sterowania. Musi ono odpowiadać napięciu i prądowi silnika oraz dostarczać stabilne napięcie i prąd bez znacznych fluktuacji, aby zapewnić spójną pracę.
W kontrolerach silników może być wymagana izolacja galwaniczna dla interfejsów komunikacyjnych, czujników zwrotnych, logiki sterowania, sterowników bramkowych i systemów pomocniczych, aby zapewnić pracę przy niskim poziomie szumów. A także, aby chronić przed skokami napięcia i utrzymać niezawodność działania różnych komponentów. Ważne jest, aby zauważyć, że potrzeba izolacji galwanicznej zależy od konkretnej aplikacji, środowiska i rozważań projektowych kontrolera silnika.
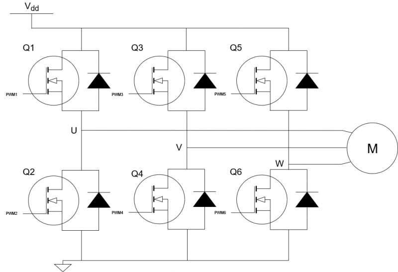
Inwerter: urządzenie, które przekształca prąd stały (DC) z zasilania w trójfazowy zmienny (AC), aby napędzać silnik PMSM. W mostku inwerterowym dla trzech faz znajduje się sześć przełączników (kluczy — tranzystorów) ułożonych w trzy pary. Każda z nich obsługuje jedną z trzech faz. W każdej fazie jeden przełącznik steruje połówką dodatnią cyklu, podczas gdy drugi połówką ujemną. Sygnały modulacji szerokości impulsów (PWM) kontrolują każdy z tych przełączników. Sposób modulacji tych sygnałów określa amplitudę, częstotliwość i kształt fali napięcia zmiennego (AC) na wyjściu dla każdej fazy. Inwerter otrzymuje wejściowe napięcie stałe z dwóch terminali znanych jako złącze DC. Często umieszcza się w nim kondensatory do stabilizacji i filtrowania napięcia stałego. Jako wyjście inwerter generuje trzy fale AC. Są one zazwyczaj sinusoidalne i wzajemnie przesunięte o 120 stopni. W wielu projektach inwerterów każdy tranzystor, czy to IGBT, czy MOSFET, jest sparowany z diodą w konfiguracji antyrównoległej. Ta konfiguracja zapewnia, że gdy jest on wyłączony, odpowiadająca mu dioda gwarantuje ścieżkę przepływu prądu, zapobiegając potencjalnym uszkodzeniom. Taka konfiguracja pomaga również w recyrkulacji prądów indukcyjnych, które są często obserwowane w uzwojeniach silnika.
Wybór między IGBT (Tranzystor bipolarny z izolowaną bramką) a MOSFET (Tranzystor polowy metal-tlenek-półprzewodnik) w kontrolerach silników zależy od różnych czynników związanych z wymaganiami aplikacji oraz właściwościami tych urządzeń. Elementy IGBT są zazwyczaj preferowane w przypadku aplikacji o wysokim napięciu, często powyżej 600 V, i dla takich o częstotliwości przełączania poniżej 20-30 kHz. Tranzystory IGBT są bardziej odporne na zwarcia i oferują lepszą stabilność termiczną. Z kolei MOSFET-y należy stosować w aplikacjach o niskiej i średniej mocy, które wymagają wysokich częstotliwości przełączania, a sprawność układów z ich wykorzystaniem jest przy niskim napięciu istotnym problemem.
Ważnym elementem inwertera jest sterownik bramki, który pełni funkcję interfejsu, przekształcając sygnały sterujące o niskim napięciu na poziomy o wysokim. Zawiera on czynniki ochronne, takie jak wykrywanie desaturacji czy blokada napięcia poniżej wartości zadanej. Zapewnia szybkie prędkości przełączania z odpowiednim czasem martwym między wyłączaniem a włączaniem przełączników w każdej gałęzi, aby zminimalizować straty i zakłócenia elektromagnetyczne. Często gwarantuje również izolację galwaniczną dla bezpiecznej i bezszumowej pracy oraz zwiększa ogólną sprawność inwertera, redukując straty związane z przełączaniem i przewodnictwem. Bardzo ważnymi elementami sterownika są rezystory bramkowe, umieszczone blisko bramki IGBT lub MOSFET. Są one kluczowe dla działania i kontroli tranzystorów mocy, takich jak MOSFET-y czy IGBT-y. Pomagają w kontroli prędkości przełączania tranzystora, znajdując równowagę między zbyt szybkim działaniem tego typu, które może generować szkodliwe przeregulowania lub zakłócenia elektromagnetyczne, a zbyt wolnym, co może zwiększać straty. Te rezystory są istotne w tłumieniu oscylacji wywołanych pasożytniczymi indukcyjnościami i pojemnościami związanymi z tranzystorem. Ograniczając prąd płynący do bramki, rezystory bramkowe skutecznie chronią warstwę tlenku bramkowego MOSFET-ów przed potencjalnym uszkodzeniem. Prawidłowy wybór wartości rezystora bramkowego jest kwestią krytyczną, ponieważ determinuje równowagę między kilkoma aspektami wydajności i ochrony urządzenia przełączającego.
Zapewnienie optymalnego projektu elektrycznego i mechanicznego inwertera jest kluczowe. Doświadczenie w dziedzinie elektroniki mocy, konstrukcji i projektowania termicznego jest niezbędne w tym kontekście.
Jednostka sterująca: głównym komponentem odpowiedzialnym za przetwarzanie sygnałów i generowanie tych PWM (modulacja szerokości impulsów) do sterowania inwerterem jest zazwyczaj MCU (jednostka mikrokontrolera), procesor sygnałowy DSP (procesor sygnałowy cyfrowy) lub FPGA (bramka programowalna). Ta jednostka integruje również pamięć, interfejsy analogowe i cyfrowe. Dodatkowo, można w niej osadzić logikę bezpieczeństwa, zapewniając implementację środków ochronnych przed awariami i potencjalnymi zagrożeniami. Wybór odpowiedniego mikrokontrolera (MCU) lub procesora sygnałowego (DSP) do zastosowań sterowania silnikiem obejmuje rozważenie kilku istotnych parametrów i funkcji, aby zagwarantować optymalną wydajność, niezawodność i efektywność. Główne czynniki do wzięcia pod uwagę to: moc obliczeniowa, peryferia i wejścia/wyjścia, pamięć, funkcje bezpieczeństwa, takie jak blokady sprzętowe, pamięć z kodem korekcyjnym ECC (Error Correction Code), timery watchdoga, mechanizmy wykrywania błędów i ochrony, a także zużycie energii, zakres temperatury pracy, dostępny ekosystem deweloperski i koszty. Niektóre zastosowania mogą korzystać z mikrokontrolera ze wbudowanymi elementami układu FPGA, pozwalając na implementację niestandardowej logiki sprzętowej.
Czujniki położenia: są to często enkodery lub rezolwery śledzące położenie wirnika.
Dodatkowo istnieją techniki systemów bezczujnikowych, głównie oparte na filtrze Kalmana, które można wykorzystać do oszacowania położenia wirnika bez pomiarów bezpośrednich. Jednak te metody bezczujnikowe mogą mieć wady, takie jak obniżona dokładność, potencjalna niestabilność w pewnych warunkach i trudności przy uruchamianiu lub przy niskich prędkościach. Te techniki i ich szczegóły nie będą omawiane w tym tekście.
Czujniki prądu: do pomiaru prądów fazowych silnika. Z uwagi, że typowo Ia + Ib + Ic równa się zeru, zazwyczaj są potrzebne tylko dwa czujniki do precyzyjnej oceny.
Czujniki napięcia: do pomiaru napięcia zasilającego silnik (linia zasilania prądu stałego).
Czujniki temperatury: w kontrolerach silników monitorują jego zakres termiczny, aby zapewnić ochronę, zoptymalizować sprawność, wydłużyć żywotność, a także dostarczyć informacji zwrotnej dla zaawansowanych algorytmów sterowania i zarządzać aktywnymi systemami chłodzenia.
Interfejsy komunikacyjne: do obsługi i połączenia z zewnętrznymi urządzeniami lub sieciami, takimi jak CAN, UART lub Ethernet.
Elementy ochronne: obejmują przekaźniki, bezpieczniki i diody, mające zapewnić bezpieczną pracę systemu i ustrzec przed przepięciami czy przetężeniami.
Źródło: https://www.embedded.com/mastering-motor-control-motor-control-101/
Nikola Tesla: pionier innowacji w dziedzinie silników prądu przemiennego
Istnieje legenda, że w 1882 roku Nikola Tesla spacerował przez park miejski w Budapeszcie, rozmawiając z przyjacielem. Nagle poczuł przypływ inspiracji i zacytował wiersze z: „Fausta” Goethego. Patrząc na zachód słońca, miał wizję wirującego pola magnetycznego i wymyślił zasadę działania silnika asynchronicznego, którą szybko naszkicował na zakurzonej ścieżce. Silniki asynchroniczne mają mniej elementów ruchomych i nie potrzebują szczotek, które były integralną częścią jednostek na prąd stały. Sprawia to, że są one bardziej wytrzymałe, nie tak podatne na awarie i nie wymagają tylu konserwacji. Te silniki są wydajniejsze przy wyższych prędkościach, a ponieważ używają prądu zmiennego (AC), naturalnie lepiej współpracują z systemami danego typu, które dzięki Nikola Tesli stały się dominujące ze względu na zdolność do przesyłania energii elektrycznej na duże odległości z minimalnymi stratami. Dzisiaj silniki asynchroniczne są wciąż najczęściej stosowanymi napędami elektrycznymi w przemyśle.
Oprócz wszystkich tych zalet mają one pewne wady, których jednostki na prąd stały nie posiadają. Te ostatnie wykazują zdolność do natychmiastowego generowania dużego momentu mocy przy uruchamianiu, co jest przydatne w zastosowaniach wymagających silnego rozruchu. W porównaniu z asynchronicznymi jednostkami prądu przemiennego, szczotkowe silniki prądu stałego mają stosunkowo liniowe cechy i mogą błyskawicznie reagować na zmiany sygnałów sterujących. Sprawia to, że są odpowiednie do użytku tam, gdzie liczy się dynamika odpowiedzi.
Wprowadzenie do PMSM: nowoczesne arcydzieło w technologii napędów
Nowy rodzaj, który łączy wiele zalet jednostek asynchronicznego prądu przemiennego z zaletami szczotkowych na prąd stały, to Silnik Synchroniczny z Magnesami Stałymi (PMSM). PMSM to zaawansowany napęd trójfazowy wyposażony w wytrzymałe magnesy trwałe osadzone w rotorze. Kiedy prąd płynie przez stojan (część nieruchoma silnika), tworzy się pole elektromagnetyczne, które oddziałuje z tym magnetycznym magnesów trwałych rotora, powodując jego obrót. Prędkość obrotu synchronizuje się z częstotliwością zasilania energią elektryczną, stąd nazwa: „synchroniczny” silnik. Ta unikalna konstrukcja prowadzi do znacznego wzrostu gęstości mocy w porównaniu z innymi dostępnymi rodzajami napędów. Podstawowe koncepcje i teorie dotyczące jednostek PMSM są znane od dawna, ale ich powszechny użytek i komercjalizacja rozpoczęły się pod koniec XX i na początku XXI wieku, wraz z rozwojem zaawansowanej elektroniki i technik sterowania. Silniki PMSM stały się popularne w różnych zastosowaniach, od napędów przemysłowych do samochodów. Wiele nowoczesnych aut elektrycznych używa jednostek PMSM ze względu na ich wydajność, gęstość mocy i szeroki zakres prędkości pracy.
Kolejnym rodzajem do rozważenia są BLDC, czyli bezszczotkowe silniki prądu stałego. Jak sugeruje nazwa, działają one bez szczotek. Chociaż mają podobną do PMSM konstrukcję, oba korzystają z magnesów trwałych, to jednak ich funkcjonowanie się różni. Silniki PMSM pracują na prądzie sinusoidalnym i często wymagają bardziej skomplikowanych systemów sterowania. Z drugiej strony jednostki BLDC operują na bardziej skokowym napięciu (o przebiegu z grubsza trapezoidalnym) i korzystają z czujników HAL lub innych metod do śledzenia pozycji rotora.
Istnieje wiele innych rodzajów silników elektrycznych, w tym krokowe i o zmiennej reluktancji, między innymi. Jednak ten artykuł skupi się głównie na sterowaniu jednostkami PMSM.
Sterowanie silnikami łączy różne dziedziny inżynierii, co czyni je szczególnie fascynującymi. Te kategorie obejmują elektronikę: mocy, analogową i cyfrową, teorię sterowania, cyfrowe przetwarzanie sygnałów i inżynierię oprogramowania wbudowanego. Ponadto istotna jest tutaj inżynieria mechaniczna i termiczna. Wiedza z tego zakresu odgrywa bowiem kluczową rolę w procesach projektowania i optymalizacji modułów sterowania tych silników.
Metoda sterowania polowo zorientowanego (FOC): zmniejszanie różnicy między jednostkami na prąd stały a tymi PMS
Głęboka analiza elektryczna napędów prądu stałego (DC) podkreśla zdolność do kontrolowania wzbudzenia zarówno stojana, jak i wirnika niezależnie. Ten niezależny mechanizm kontroli zapewnia, że generacja momentu obrotowego i strumień magnetyczny mogą być odrębnie dostosowane. Podczas gdy jednostki PMSM działają na różnych zasadach podstawowych, dzielą kluczową cechę z silnikami prądu stałego: tylko prądy stojana podlegają kontroli. W napędach PMSM współzależność między strumieniem a momentem obrotowym wynika z wykorzystania magnesów trwałych do wzbudzenia wirnika.
Metoda FOC, znana również jako sterowanie polowo zorientowane, to zaawansowana technika, której celem jest odtworzenie charakterystycznej kontroli momentu obrotowego i strumienia silnika prądu stałego. Aby to osiągnąć, konieczne jest uzyskanie ortogonalności między polem magnetycznym wirnika a stojana. Korzystając z transformacji matematycznych, zwłaszcza Parka i Clarke'a (patrz rysunki poniżej), metoda FOC z powodzeniem pozwala na odseparowanie momentu obrotowego od strumienia magnetycznego. Trzeba tu wykazać się zrozumieniem, że dla skutecznej implementacji FOC niezbędne jest precyzyjne pozycjonowanie wirnika i biegła kontrola prądów uzwojeń stojana.
Metoda FOC stanowi znaczący postęp w sterowaniu silnikiem poprzez przekształcanie trójfazowego układu odniesienia abc w układ współrzędnych dq. Otwiera to drogę do uzyskania niemal jednorodnego pola magnetycznego w obu osiach. Wynik? System umożliwia niezależną kontrolę nad prądami w obu kierunkach dq, podobnie jak silniki utrzymujące prędkość — Ω — zsynchronizowaną z polem magnetycznym wywołanym przez uzwojenia stojana.
Wrodzona redundancja w trójfazowym silniku oznacza, że prądy w jego fazach (a, b, c) są wzajemnie zależne. Sprawia to, że wartości uzyskane z dwóch faz natychmiast ujawniają trzecią, zmniejszając potrzebę analizy trzeciego wymiaru. Matematyczny paradygmat przejścia z układu abc do współrzędnych dq odzwierciedla zmianę układu współrzędnych, podobnie jak przejście z układu kartezjańskiego na współrzędne biegunowe. Ta zmiana wyrównuje naszą perspektywę z polem magnetycznym wirnika, oferując prostsze, quasi-stacjonarne przedstawienie systemu dla kontrolerów. Korzyści z redukcji wymiarów nie oznaczają tylko matematycznej elegancji; chodzi o łatwość sterowania. Zmniejszając wymiary z 3 do 2, kontrolery silników mogą oddzielnie zarządzać składowymi momentu obrotowego i strumienia, co sprawia, że ogólna kontrola staje się bardziej intuicyjna i wydajna.
Iq jest wprost proporcjonalne do momentu obrotowego, a zasadniczo jego kontroler dla jednostki PMSM jest kontrolerem prądu.
Kontroler
Kontrolery silników, oprócz zdolności do sterowania momentem obrotowym, mają również możliwość kierowania prędkością, a nawet położeniem wirnika. Kontrola pozycji jest ściśle związana z technikami generowania trajektorii i innymi zaawansowanymi metodami sterowania. Jednak w tym kontekście głównym celem jest sprawowanie pieczy nad prędkością i momentem obrotowym.
Jednostka PMSM jest często charakteryzowana jako system nieliniowy ze względu na wrodzone zależności między jej napięciami, prądami, polami magnetycznymi a dynamiką mechaniczną. Analizując działanie tego silnika wokół określonego punktu pracy lub równowagi, można go przybliżyć jako układ liniowy, a techniki kontroli, takie jak regulatory PID doskonale nadają się do jego sterowania. Aby regulować prędkość, można zastosować tradycyjne podejście kaskadowe z dwoma regulatorami PI.
Kontroler prędkości (zewnętrzna pętla) reguluje tempo pracy silnika i operuje wolniej w porównaniu z pętlą wewnętrzną. Gdy definiuje się wartość docelową, taką jak zadana prędkość, dla tej pętli, wynik jej działania przechodzi kaskadowo w dół i staje się odniesieniem dla pętli wewnętrznej, określając wymagany moment obrotowy. Ta skonfigurowana warstwowo struktura zapewnia szybsze reakcje systemu i wzmacnia jego zdolność do przeciwdziałania zakłóceniom.
Kontroler prędkości dla sterowania silnikiem może być również opracowany za pomocą bardziej złożonych technik sterowania. Poza tradycyjnymi metodami, zaawansowane podejścia, takie jak sterowanie predykcyjne i adaptacyjne, sieci neuronowe, regulatory przestrzeni stanów i systemy sterowania rozmytego, prezentują innowacyjne ścieżki projektowania i optymalizacji. Niskie obciążenie obliczeniowe, odporność i prostota strojenia kontrolera PID oferują znaczne korzyści w porównaniu z bardziej złożonymi technikami sterowania. Dobrze dostrojony kontroler prędkości typu PI, uzupełniony o dostosowywanie wzmocnienia i inne kompensacje, powinien wystarczyć dla większości zastosowań.
Kontroler momentu/prądu (wewnętrzna pętla) działa szybko, aby przeciwdziałać zakłóceniom, skupiając się głównie na mierzalnych aspektach systemu, takich jak moment obrotowy czy prąd. Ponieważ moment obrotowy jest ściśle związany z prądem, głównym celem tej pętli jest dokonywanie szybkich dostosowań działania silnika bez przekraczania zadanych wartości. Kontroler systematycznie podąża za zmianami. Po pierwsze, mierzy prądy silnika, napięcie szyny zasilania i kąt wirnika. Za pomocą transformacji Parka-Clarke'a przekształca trójfazowe prądy na obracający się układ współrzędnych dq, co prowadzi do dwóch odrębnych wielkości. Następnie kontrolowany jest moment obrotowy (proporcjonalny do prądu q).
Kontroler określa dalej napięcia stojana z wyjścia kontrolera za pomocą odwrotnej transformacji Parka-Clarke'a i przekształca je na cykle pracy odpowiednie dla trójfazowego falownika PWM.
Powyższy schemat ukazuje podstawowe składniki kontrolera zorientowanego polowo (FOC). Jego głównym wejściem jest prąd q, który bezpośrednio odpowiada za moment obrotowy generowany przez silnik. Oprócz prądu q, prąd d, prostopadły do prądu q, odgrywa istotną rolę w FOC silnika PMS. Podczas gdy prąd q jest bezpośrednio związany z momentem obrotowym, prąd d odpowiada za kontrolę strumienia magnetycznego w silniku. W normalnych warunkach pracy prąd d idealnie ustawiony jest na zero dla PMSM. Wynika to z faktu, że silnik pracuje w polu magnetycznym magnesów trwałych, a dodatkowy strumień indukowany przez niezerowy prąd d może obniżyć sprawność i zazwyczaj jest zbędny. Utrzymywanie prądu d na poziomie zera optymalizuje moment obrotowy na amper, zapewniając, że silnik pracuje z wysoką sprawnością i nie generuje nadmiernego ciepła. Jednak w przypadkach takich jak osłabienie pola, prąd d jest dostosowywany od tej wartości zera, aby umożliwić pracę powyżej prędkości bazowej. Prawidłowe zarządzanie prądem d, utrzymywanie go głównie na poziomie zera i dostosowywanie go w razie potrzeby, gwarantuje optymalną sprawność silnika, ochronę przed demagnesacją magnesów trwałych i stabilność ogólnego systemu sterowania.
Chociaż niektóre bloki funkcjonalne wymagają implementacji sprzętowej, główna logika kontrolera jest przede wszystkim wykonywana jako oprogramowanie w mikrokontrolerze (MCU), procesorze sygnałowym (DSP) lub układzie FPGA. Czujnik położenia ułatwia operacje FOC dla silnika na całym zakresie, szczególnie przy niższych prędkościach.
Sprzęt do sterownika
Aby zastosować kontroler jednostki PMSM (Silnik synchroniczny z magnesami trwałymi), wymagane są następujące podstawowe komponenty sprzętowe:
Zasilanie: źródło energii elektrycznej do zasilania napędu i obwodów sterowania. Musi ono odpowiadać napięciu i prądowi silnika oraz dostarczać stabilne napięcie i prąd bez znacznych fluktuacji, aby zapewnić spójną pracę.
W kontrolerach silników może być wymagana izolacja galwaniczna dla interfejsów komunikacyjnych, czujników zwrotnych, logiki sterowania, sterowników bramkowych i systemów pomocniczych, aby zapewnić pracę przy niskim poziomie szumów. A także, aby chronić przed skokami napięcia i utrzymać niezawodność działania różnych komponentów. Ważne jest, aby zauważyć, że potrzeba izolacji galwanicznej zależy od konkretnej aplikacji, środowiska i rozważań projektowych kontrolera silnika.
Inwerter: urządzenie, które przekształca prąd stały (DC) z zasilania w trójfazowy zmienny (AC), aby napędzać silnik PMSM. W mostku inwerterowym dla trzech faz znajduje się sześć przełączników (kluczy — tranzystorów) ułożonych w trzy pary. Każda z nich obsługuje jedną z trzech faz. W każdej fazie jeden przełącznik steruje połówką dodatnią cyklu, podczas gdy drugi połówką ujemną. Sygnały modulacji szerokości impulsów (PWM) kontrolują każdy z tych przełączników. Sposób modulacji tych sygnałów określa amplitudę, częstotliwość i kształt fali napięcia zmiennego (AC) na wyjściu dla każdej fazy. Inwerter otrzymuje wejściowe napięcie stałe z dwóch terminali znanych jako złącze DC. Często umieszcza się w nim kondensatory do stabilizacji i filtrowania napięcia stałego. Jako wyjście inwerter generuje trzy fale AC. Są one zazwyczaj sinusoidalne i wzajemnie przesunięte o 120 stopni. W wielu projektach inwerterów każdy tranzystor, czy to IGBT, czy MOSFET, jest sparowany z diodą w konfiguracji antyrównoległej. Ta konfiguracja zapewnia, że gdy jest on wyłączony, odpowiadająca mu dioda gwarantuje ścieżkę przepływu prądu, zapobiegając potencjalnym uszkodzeniom. Taka konfiguracja pomaga również w recyrkulacji prądów indukcyjnych, które są często obserwowane w uzwojeniach silnika.
Wybór między IGBT (Tranzystor bipolarny z izolowaną bramką) a MOSFET (Tranzystor polowy metal-tlenek-półprzewodnik) w kontrolerach silników zależy od różnych czynników związanych z wymaganiami aplikacji oraz właściwościami tych urządzeń. Elementy IGBT są zazwyczaj preferowane w przypadku aplikacji o wysokim napięciu, często powyżej 600 V, i dla takich o częstotliwości przełączania poniżej 20-30 kHz. Tranzystory IGBT są bardziej odporne na zwarcia i oferują lepszą stabilność termiczną. Z kolei MOSFET-y należy stosować w aplikacjach o niskiej i średniej mocy, które wymagają wysokich częstotliwości przełączania, a sprawność układów z ich wykorzystaniem jest przy niskim napięciu istotnym problemem.
Ważnym elementem inwertera jest sterownik bramki, który pełni funkcję interfejsu, przekształcając sygnały sterujące o niskim napięciu na poziomy o wysokim. Zawiera on czynniki ochronne, takie jak wykrywanie desaturacji czy blokada napięcia poniżej wartości zadanej. Zapewnia szybkie prędkości przełączania z odpowiednim czasem martwym między wyłączaniem a włączaniem przełączników w każdej gałęzi, aby zminimalizować straty i zakłócenia elektromagnetyczne. Często gwarantuje również izolację galwaniczną dla bezpiecznej i bezszumowej pracy oraz zwiększa ogólną sprawność inwertera, redukując straty związane z przełączaniem i przewodnictwem. Bardzo ważnymi elementami sterownika są rezystory bramkowe, umieszczone blisko bramki IGBT lub MOSFET. Są one kluczowe dla działania i kontroli tranzystorów mocy, takich jak MOSFET-y czy IGBT-y. Pomagają w kontroli prędkości przełączania tranzystora, znajdując równowagę między zbyt szybkim działaniem tego typu, które może generować szkodliwe przeregulowania lub zakłócenia elektromagnetyczne, a zbyt wolnym, co może zwiększać straty. Te rezystory są istotne w tłumieniu oscylacji wywołanych pasożytniczymi indukcyjnościami i pojemnościami związanymi z tranzystorem. Ograniczając prąd płynący do bramki, rezystory bramkowe skutecznie chronią warstwę tlenku bramkowego MOSFET-ów przed potencjalnym uszkodzeniem. Prawidłowy wybór wartości rezystora bramkowego jest kwestią krytyczną, ponieważ determinuje równowagę między kilkoma aspektami wydajności i ochrony urządzenia przełączającego.
Zapewnienie optymalnego projektu elektrycznego i mechanicznego inwertera jest kluczowe. Doświadczenie w dziedzinie elektroniki mocy, konstrukcji i projektowania termicznego jest niezbędne w tym kontekście.
Jednostka sterująca: głównym komponentem odpowiedzialnym za przetwarzanie sygnałów i generowanie tych PWM (modulacja szerokości impulsów) do sterowania inwerterem jest zazwyczaj MCU (jednostka mikrokontrolera), procesor sygnałowy DSP (procesor sygnałowy cyfrowy) lub FPGA (bramka programowalna). Ta jednostka integruje również pamięć, interfejsy analogowe i cyfrowe. Dodatkowo, można w niej osadzić logikę bezpieczeństwa, zapewniając implementację środków ochronnych przed awariami i potencjalnymi zagrożeniami. Wybór odpowiedniego mikrokontrolera (MCU) lub procesora sygnałowego (DSP) do zastosowań sterowania silnikiem obejmuje rozważenie kilku istotnych parametrów i funkcji, aby zagwarantować optymalną wydajność, niezawodność i efektywność. Główne czynniki do wzięcia pod uwagę to: moc obliczeniowa, peryferia i wejścia/wyjścia, pamięć, funkcje bezpieczeństwa, takie jak blokady sprzętowe, pamięć z kodem korekcyjnym ECC (Error Correction Code), timery watchdoga, mechanizmy wykrywania błędów i ochrony, a także zużycie energii, zakres temperatury pracy, dostępny ekosystem deweloperski i koszty. Niektóre zastosowania mogą korzystać z mikrokontrolera ze wbudowanymi elementami układu FPGA, pozwalając na implementację niestandardowej logiki sprzętowej.
Czujniki położenia: są to często enkodery lub rezolwery śledzące położenie wirnika.
Dodatkowo istnieją techniki systemów bezczujnikowych, głównie oparte na filtrze Kalmana, które można wykorzystać do oszacowania położenia wirnika bez pomiarów bezpośrednich. Jednak te metody bezczujnikowe mogą mieć wady, takie jak obniżona dokładność, potencjalna niestabilność w pewnych warunkach i trudności przy uruchamianiu lub przy niskich prędkościach. Te techniki i ich szczegóły nie będą omawiane w tym tekście.
Czujniki prądu: do pomiaru prądów fazowych silnika. Z uwagi, że typowo Ia + Ib + Ic równa się zeru, zazwyczaj są potrzebne tylko dwa czujniki do precyzyjnej oceny.
Czujniki napięcia: do pomiaru napięcia zasilającego silnik (linia zasilania prądu stałego).
Czujniki temperatury: w kontrolerach silników monitorują jego zakres termiczny, aby zapewnić ochronę, zoptymalizować sprawność, wydłużyć żywotność, a także dostarczyć informacji zwrotnej dla zaawansowanych algorytmów sterowania i zarządzać aktywnymi systemami chłodzenia.
Interfejsy komunikacyjne: do obsługi i połączenia z zewnętrznymi urządzeniami lub sieciami, takimi jak CAN, UART lub Ethernet.
Elementy ochronne: obejmują przekaźniki, bezpieczniki i diody, mające zapewnić bezpieczną pracę systemu i ustrzec przed przepięciami czy przetężeniami.
Źródło: https://www.embedded.com/mastering-motor-control-motor-control-101/
Fajne? Ranking DIY
