Witam wszystkich
Mam problem z masterem 3 2014r 2.3 dCi 135Km
Nie kreci rozrusZnik ze stacyjki i nie odpala
Co zrobiłem
Sprawdzony bezpiecznik f12 pod kierownicą ~ok
Połączenie z f12na czarna wtyczkę 6 pin w BCM -ok
Połączenie USM pod maską z BCM jest poprzez CAN
Teraz USM pod maską
Rozebrałem sterownik , bezpiecznik f15 30A-ok przekaźnik który steruje zasilaniem z f15 na rozrusznik -ok
Jak podaje masę na cewkę przekaźnika w USM , rozrusznik kreci ale auto nie odpala
Przekaźnik ten jest zasilany bezpiecznikiem. F12 i jest - ok
Generalnie konczą mi się pomysły
Diagnostyka komputerem launch , texa , thinkdiag
Błędy z UPC
923A92 - akumulator spadek wydajności lub nieprawidłowe działanie
Akumulator sprawdziłem testerem do akumulatorów i wyszła sprawność okej ze wskazaniem na doładowanie akumulatora
926768 układ Start Stop obwód modułu
Błędy że sterownika silnika
040929 czujnik położenia egr przerwa w obwodzie
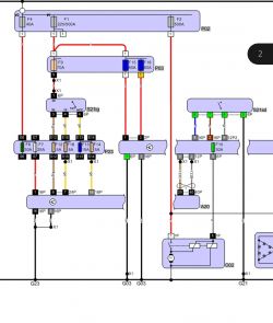
Poniżej wrzucam schematy i screen
Moje pytanie brzmi , czy awaria S/S może blokować sterowanie rozrusznikiem w BCM ?
Jak mogę sprawdzić włącznik S/S na kokpicie , są tam 4 przewody dochodzące
Co myślicie jeszcze sprawdzić ?

Mam problem z masterem 3 2014r 2.3 dCi 135Km
Nie kreci rozrusZnik ze stacyjki i nie odpala
Co zrobiłem
Sprawdzony bezpiecznik f12 pod kierownicą ~ok
Połączenie z f12na czarna wtyczkę 6 pin w BCM -ok
Połączenie USM pod maską z BCM jest poprzez CAN
Teraz USM pod maską
Rozebrałem sterownik , bezpiecznik f15 30A-ok przekaźnik który steruje zasilaniem z f15 na rozrusznik -ok
Jak podaje masę na cewkę przekaźnika w USM , rozrusznik kreci ale auto nie odpala
Przekaźnik ten jest zasilany bezpiecznikiem. F12 i jest - ok
Generalnie konczą mi się pomysły
Diagnostyka komputerem launch , texa , thinkdiag
Błędy z UPC
923A92 - akumulator spadek wydajności lub nieprawidłowe działanie
Akumulator sprawdziłem testerem do akumulatorów i wyszła sprawność okej ze wskazaniem na doładowanie akumulatora
926768 układ Start Stop obwód modułu
Błędy że sterownika silnika
040929 czujnik położenia egr przerwa w obwodzie
Poniżej wrzucam schematy i screen
Moje pytanie brzmi , czy awaria S/S może blokować sterowanie rozrusznikiem w BCM ?
Jak mogę sprawdzić włącznik S/S na kokpicie , są tam 4 przewody dochodzące
Co myślicie jeszcze sprawdzić ?