logo elektroda
logo elektroda
X
logo elektroda
Adblock/uBlockOrigin/AdGuard mogą powodować znikanie niektórych postów z powodu nowej reguły.

VW UP 2014 - Szukam Pinout do modułu komfortu (zasilanie i CAN)

kanar2306 03 Mar 2024 16:35 162 2
  • #1 20988498
    kanar2306
    Poziom 16  
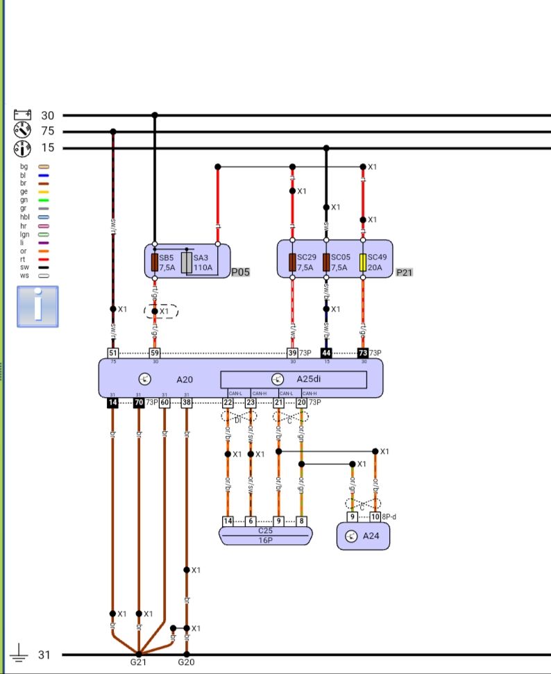
    Witam. Posiada może ktoś Pinout do modułu komfortu VW UP 2014rok?
    Ogólnie to potrzebuję tylko zasilania i CAN do odczytu kodowania na stole.
    Pozdrawiam...
    VW UP 2014 - Szukam Pinout do modułu komfortu (zasilanie i CAN)
  • Pomocny post
    #2 20988752
    duczekzabrze
    Poziom 15  
    VW UP 2014 - Szukam Pinout do modułu komfortu (zasilanie i CAN)
  • #3 20988879
    kanar2306
    Poziom 16  
    Dziękuję bardzo
REKLAMA