logo elektroda
logo elektroda
X
logo elektroda
REKLAMA
REKLAMA
Adblock/uBlockOrigin/AdGuard mogą powodować znikanie niektórych postów z powodu nowej reguły.

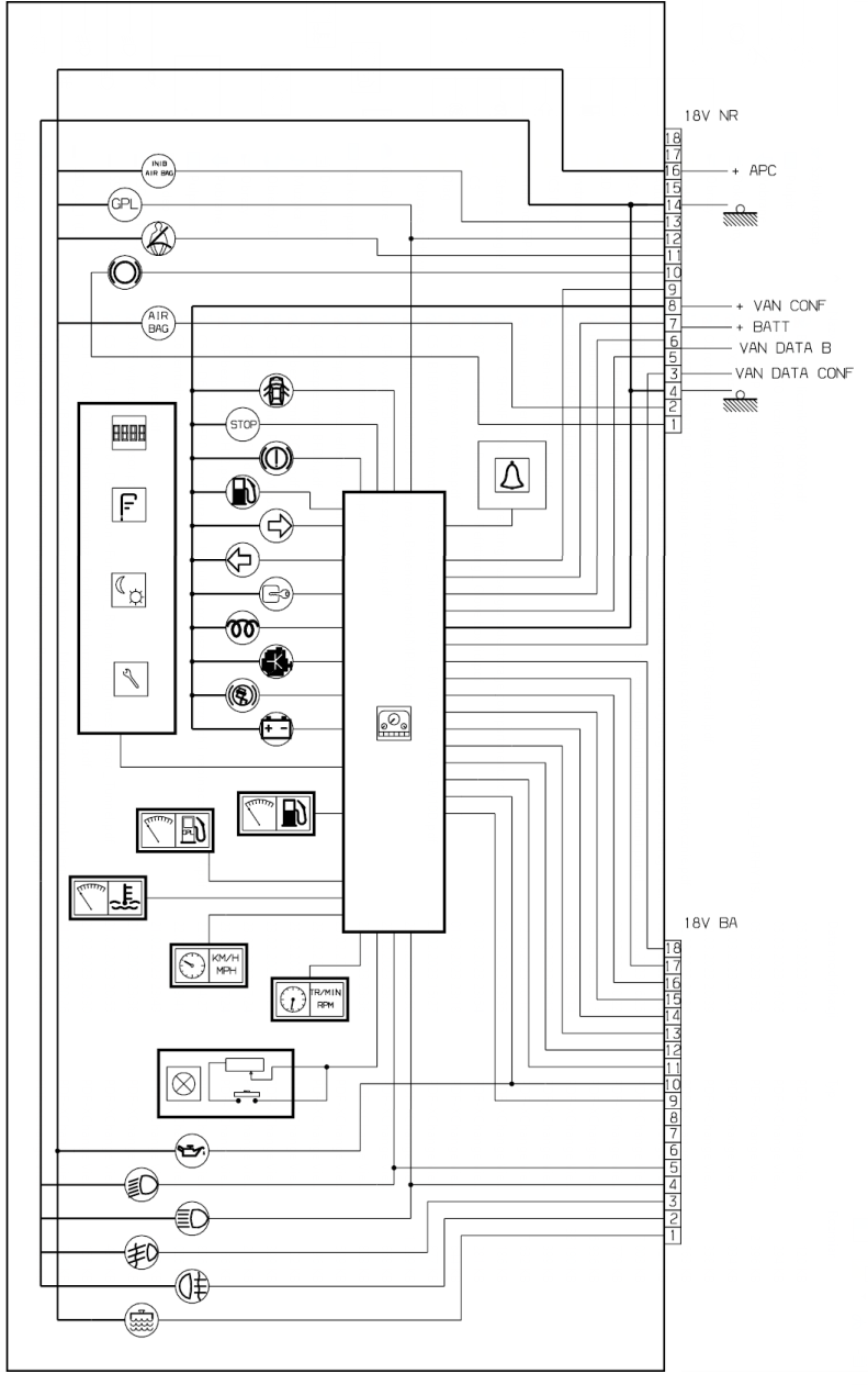
Schemat licznika Citroen Berlingo/Peugeot Partner 1997 przedlift

supraisthebest428 05 Mar 2024 19:57 243 1
REKLAMA
  • #1 20991817
    supraisthebest428
    Poziom 2  
    Szukam schematu licznika citroen berlingo/peugeot partner przedlift 1997 rok
  • REKLAMA
  • #2 20992589
    kamilzara2009
    Poziom 4  
    Schemat licznika Citroen Berlingo/Peugeot Partner 1997 przedlift
REKLAMA