Pierwsza wersja tego projektu powstała już w 2003 roku, a następnie została opublikowana w magazynie: „Radio”, nr 1, 2004, s. 65. Radioamatorzy byli zachwyceni lekką, ekonomiczną i łatwą w obsłudze konstrukcją. Ostatnio projekt został przebudowany na nowych, bardziej popularnych komponentach. Wprowadzono przydatne udogodnienia do schematu i w oprogramowaniu.
Niektóre cechy konstrukcyjne
Proponowana radiostacja ma małe rozmiary i jest lekka, nieskomplikowana w obsłudze, tania w produkcji, posiada minimum elementów sterujących, charakteryzuje się dobrą powtarzalnością i łatwością montażu. Cały obwód wraz ze sterowaniem zmontowany jest na jednej płytce o wielkości wewnętrznego obwodu obudowy. Gwarantuje to wytrzymałość konstrukcji. Płytka nie zawiera dodatkowych elementów mocujących. Wystarczy ją włożyć do obudowy i docisnąć do tylnej pokrywy, która przykręcana jest dwiema śrubkami. Tylko przewody głośnika i anteny są przylutowane. Stacyjka mimo prostego obwodu i zasilania niskonapięciowego posiada wysokie parametry nadawczo-odbiorcze oraz pozwala na niezawodną komunikację radiową na znaczne odległości. Nie ustępuje pod tym względem drogim stacjom przenośnym. Aby uprościć projekt, nie przewidziano obecności wskaźnika częstotliwości. Jednak dzięki zastosowanemu oprogramowaniu stacja może być w pełni wykorzystana w całym zakresie. W tym celu wprowadzono tryb bez wyszukiwania — trzy stałe pozycje na przełącznik, z wcześniej zarejestrowanymi częstotliwościami odbioru i nadawania, które w razie potrzeby można zmienić. Dostępny jest również tryb skanowania, który pozwala znaleźć korespondenta, namierzyć jego częstotliwość i nawiązać komunikację.
Dane techniczne:
* Napięcie zasilania 5 V (4 wbudowane elementy);
* Moc wyjściowa 2 waty;
* Czułość odbiornika nie mniej niż 0,1 µV;
* Odporność na zatykanie nie mniej niż 70 dB;
* Tryb ekonomiczny w trybie odbioru;
* Pobór mocy podczas przerwy nie przekracza 9 mA;
* Pobór mocy transmisji ok. 630 mA;
* Kontrola rozładowania akumulatorów;
* Szybkie wyłączenie tłumika przy użyciu przycisku;
* Wysyłanie sygnału o częstotliwości 1400 Hz za pomocą przycisku transmisji;
* 3 przełączane kanały (częstotliwości mogą być dowolne, w tym tryb wzmacniacza);
* Tryb skanowania częstotliwości w krokach co 12,5 lub 25 kHz w zakresie 144500-145800 kHz (zintegrowany z trybem ekonomicznym);
* Wymiary konstrukcyjne 90 × 56 × 23 mm (odpowiednik paczki papierosów z filtrem 1:1);
* Antena spiralna o średnicy 8 mm, długość całkowita ze złączem 8 cm.
Algorytm pracy
Po włączeniu zasilania zapala się zielona dioda kontrolna, stacja znajduje się w trybie pracy przez około 5 sekund. A następnie przechodzi w tryb ekonomiczny i sprawdza obecność sygnałów na wybranej częstotliwości przez 0,3 sekundy, około 1 raz na sekundę. Gdy pojawi się sygnał, tłumik szumu otwiera się, a stacja przechodzi w tryb pracy i pozostaje w nim. To samo dotyczy działania przy nadaniu transmisji. W przypadku braku aktywności przełącza się z powrotem w tryb ekonomiczny.
Aby rozpocząć skanowanie, należy włączyć stację przy wciśniętym przycisku nadawania, a następnie go zwolnić. Tryb skanowania potwierdzany jest szybkim miganiem diody LED. Po wykryciu sygnału skaner zatrzymuje się na 4 sekundy, a następnie kontynuuje. Jeśli trzeba pozostać na znalezionej częstotliwości, należy krótko nacisnąć przycisk transmisji. Jest to tymczasowa pamięć częstotliwości, która pozostanie do momentu wyłączenia zasilania.
Aby zarejestrować częstotliwość na przełączniku, trzeba znaleźć za pomocą skanera wymagany sygnał z powietrza lub z generatora i w momencie zatrzymania nacisnąć przycisk transmituj i przytrzymać przez około 1 sekundę, aż dioda zgaśnie. Częstotliwość zostanie zarejestrowana w pozycji przełącznika. Jeśli przytrzymać go dłużej, aż dioda LED ponownie się zaświeci, zostanie zapamiętana jako częstotliwość przemiennika z odstępem 600 kHz i automatycznie włączy się ton dodatkowy. W tym oprogramowaniu jest to 77 Hz, inna jest możliwa, ale nie ma czym tego wskazać.
Gdy przycisk zostanie naciśnięty jednocześnie z tym nadawania, generowany będzie sygnał wywoławczy o częstotliwości 1400 Hz. Transmisja jest sygnalizowana przy pomocy diody kontrolnej świecącej się na czerwono. Gdy poziom zasilania jest niski, na przednim panelu zapala się czerwona dioda LED.
Schemat:
Więcej szczegółów
W przeciwieństwie do poprzedniej wersji zastosowano procesor z programowaniem w obwodzie. Oprogramowanie stacji można zmienić w dowolnej chwili. Do tego celu służą zaciski na płytce. Stosowany jest również bardziej przystępny syntezator częstotliwości. Odbiornik posiada także nowocześniejszy układ scalony z rezonatorem detektora i lepsze parametry. Część HF uzupełniono o obwód z filtrem IF i lokalnym oscylatorem, co nieco poprawiło pracę odbiornika. Konfiguracja jest prosta. Najpierw po wgraniu oprogramowania sprzętowego wyreguluj VCO, przesuwając L5 tak, aby napięcie PLL na pinie 2 układu IC2 wynosiło 0,7 V w trybie odbioru. Podczas transmisji będzie około 2,2 V. Po czym należy zalać L5 gorącym klejem i zamknąć VCO pokrywą w kształcie litery U, lutując ją do podkładek. Teraz ustawiamy pasmo przenoszenia bloku HF, rozkładając zwoje w sposób zbliżony do prostokątnego w zakresie 143-146 MHz. Dostosujemy nadajnik do maksymalnej mocy wyjściowej na ekwiwalencie anteny, rozsuwając zwoje. Dokładna częstotliwość jest ustawiana przy użyciu kondensatora C5, a próg tłumika za pomocą rezystora dostrajającego VR1. Dewiacja częstotliwości wynosi 4 kHz, jest stała i nie można jej regulować.
Komponenty elektroniczne:
Cewki L1, L2, L3, L4, L12 mają 4 zwoje drutu o średnicy 0,65 mm, średnica cewek 3,0 mm. L5 – 68nH SMD 1206, L6 – 27nH SMD 1206, L7 – dławik 1,0 mH. L8, L11 – podobne jak L1, L2, L3, L4, L12, ale mają 5 zwoi. L9 – 0,47 nH SMD 1206. L10 – 6 zwoi drutu o średnicy 0,31 mm, średnica cewki 2,0.
Wszystkie rezystory i kondensatory mają rozmiar 0805. Płytka jest przystosowana do obudowy KM-26NB, która na Allegro kosztuje 8 PLN. Ma miejsce na głośnik i maskownicę, ale pozostałe otwory trzeba wykonać samodzielnie. Tworzywo jest elastyczne i łatwe w obróbce oraz się nie kruszy. Więc nie jest to trudne. Wymiary płytki są dokładnie takie same jak te wewnętrzne: 87 × 53 mm.
Antena wykonana jest z kawałka kabla telewizyjnego RG-6U i przewodu w izolacji fluoroplastycznej o średnicy około 0,5 mm, złożonego na trzy części w jeden drut o długości około 1 m. Następnie wzięto odcinek kabla o długości 9-10 cm, z którego łatwo można zdjąć górną osłonę i usunąć oplot, żyła centralna pozostaje. Zdejmujemy jeden koniec przewodu od wewnątrz, aby odsłonić środkowy rdzeń. Zakładamy z powrotem obudowę i przykręcamy metalową śrubę złącza typu F (są stosowane w odbiornikach satelitarnych). Następnie zakładamy rurkę termiczną i podgrzewamy ją nad palnikiem gazowym celem skurczenia. Teraz konstrukcja jest już trwała, pozostaje tylko nastroić ją na rezonans, stopniowo odgryzając ją szczypcami na całej długości. W punkcie rezonansu charakterystyka częstotliwościowa w postaci zapadu będzie wyraźnie widoczna. Przegryzając konstrukcję wzdłuż jej długości, należy uzyskać rezonans przy częstotliwości 143 MHz. W wolnej przestrzeni częstotliwość będzie wyższa bez wpływu przewodów urządzenia, czyli około 145 MHz. Następnie ostrożnie wypełnij koniec anteny gorącym klejem i gotowe.
Oczywiście antena nie jest najbardziej wydajna, ale za to niezawodna i łatwa w produkcji. Możesz ją wydłużyć, nawijając spiralę stopniowo lub grubszym drutem. Również bez centralnego rdzenia wewnątrz uzwojenia. Nie przeprowadzono porównań z innymi antenami, ale ta także wypadła dobrze w testach, pomimo miniaturowych rozmiarów 8 cm. Poziom odbierany z odległości 10 km wynosił 6-7, miejscami 8-9 punktów przy odbiorze na FM-2008 i antenie zewnętrznej.
Pliki ze schematem, rysunkami płytki oraz oprogramowaniem znajdują się w załączniku.
Autor konstrukcji to Aleksandr Szatun z Charkowa (UR3LMZ).
Twórcą oprogramowania jest Aleksandr Denisow (RA3RBE).
Artykuł został opracowany na podstawie materiałów cqham.ru.
Niektóre cechy konstrukcyjne
Proponowana radiostacja ma małe rozmiary i jest lekka, nieskomplikowana w obsłudze, tania w produkcji, posiada minimum elementów sterujących, charakteryzuje się dobrą powtarzalnością i łatwością montażu. Cały obwód wraz ze sterowaniem zmontowany jest na jednej płytce o wielkości wewnętrznego obwodu obudowy. Gwarantuje to wytrzymałość konstrukcji. Płytka nie zawiera dodatkowych elementów mocujących. Wystarczy ją włożyć do obudowy i docisnąć do tylnej pokrywy, która przykręcana jest dwiema śrubkami. Tylko przewody głośnika i anteny są przylutowane. Stacyjka mimo prostego obwodu i zasilania niskonapięciowego posiada wysokie parametry nadawczo-odbiorcze oraz pozwala na niezawodną komunikację radiową na znaczne odległości. Nie ustępuje pod tym względem drogim stacjom przenośnym. Aby uprościć projekt, nie przewidziano obecności wskaźnika częstotliwości. Jednak dzięki zastosowanemu oprogramowaniu stacja może być w pełni wykorzystana w całym zakresie. W tym celu wprowadzono tryb bez wyszukiwania — trzy stałe pozycje na przełącznik, z wcześniej zarejestrowanymi częstotliwościami odbioru i nadawania, które w razie potrzeby można zmienić. Dostępny jest również tryb skanowania, który pozwala znaleźć korespondenta, namierzyć jego częstotliwość i nawiązać komunikację.
Dane techniczne:
* Napięcie zasilania 5 V (4 wbudowane elementy);
* Moc wyjściowa 2 waty;
* Czułość odbiornika nie mniej niż 0,1 µV;
* Odporność na zatykanie nie mniej niż 70 dB;
* Tryb ekonomiczny w trybie odbioru;
* Pobór mocy podczas przerwy nie przekracza 9 mA;
* Pobór mocy transmisji ok. 630 mA;
* Kontrola rozładowania akumulatorów;
* Szybkie wyłączenie tłumika przy użyciu przycisku;
* Wysyłanie sygnału o częstotliwości 1400 Hz za pomocą przycisku transmisji;
* 3 przełączane kanały (częstotliwości mogą być dowolne, w tym tryb wzmacniacza);
* Tryb skanowania częstotliwości w krokach co 12,5 lub 25 kHz w zakresie 144500-145800 kHz (zintegrowany z trybem ekonomicznym);
* Wymiary konstrukcyjne 90 × 56 × 23 mm (odpowiednik paczki papierosów z filtrem 1:1);
* Antena spiralna o średnicy 8 mm, długość całkowita ze złączem 8 cm.
Algorytm pracy
Po włączeniu zasilania zapala się zielona dioda kontrolna, stacja znajduje się w trybie pracy przez około 5 sekund. A następnie przechodzi w tryb ekonomiczny i sprawdza obecność sygnałów na wybranej częstotliwości przez 0,3 sekundy, około 1 raz na sekundę. Gdy pojawi się sygnał, tłumik szumu otwiera się, a stacja przechodzi w tryb pracy i pozostaje w nim. To samo dotyczy działania przy nadaniu transmisji. W przypadku braku aktywności przełącza się z powrotem w tryb ekonomiczny.
Aby rozpocząć skanowanie, należy włączyć stację przy wciśniętym przycisku nadawania, a następnie go zwolnić. Tryb skanowania potwierdzany jest szybkim miganiem diody LED. Po wykryciu sygnału skaner zatrzymuje się na 4 sekundy, a następnie kontynuuje. Jeśli trzeba pozostać na znalezionej częstotliwości, należy krótko nacisnąć przycisk transmisji. Jest to tymczasowa pamięć częstotliwości, która pozostanie do momentu wyłączenia zasilania.
Aby zarejestrować częstotliwość na przełączniku, trzeba znaleźć za pomocą skanera wymagany sygnał z powietrza lub z generatora i w momencie zatrzymania nacisnąć przycisk transmituj i przytrzymać przez około 1 sekundę, aż dioda zgaśnie. Częstotliwość zostanie zarejestrowana w pozycji przełącznika. Jeśli przytrzymać go dłużej, aż dioda LED ponownie się zaświeci, zostanie zapamiętana jako częstotliwość przemiennika z odstępem 600 kHz i automatycznie włączy się ton dodatkowy. W tym oprogramowaniu jest to 77 Hz, inna jest możliwa, ale nie ma czym tego wskazać.
Gdy przycisk zostanie naciśnięty jednocześnie z tym nadawania, generowany będzie sygnał wywoławczy o częstotliwości 1400 Hz. Transmisja jest sygnalizowana przy pomocy diody kontrolnej świecącej się na czerwono. Gdy poziom zasilania jest niski, na przednim panelu zapala się czerwona dioda LED.
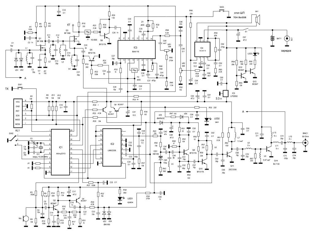
Schemat:
Więcej szczegółów
W przeciwieństwie do poprzedniej wersji zastosowano procesor z programowaniem w obwodzie. Oprogramowanie stacji można zmienić w dowolnej chwili. Do tego celu służą zaciski na płytce. Stosowany jest również bardziej przystępny syntezator częstotliwości. Odbiornik posiada także nowocześniejszy układ scalony z rezonatorem detektora i lepsze parametry. Część HF uzupełniono o obwód z filtrem IF i lokalnym oscylatorem, co nieco poprawiło pracę odbiornika. Konfiguracja jest prosta. Najpierw po wgraniu oprogramowania sprzętowego wyreguluj VCO, przesuwając L5 tak, aby napięcie PLL na pinie 2 układu IC2 wynosiło 0,7 V w trybie odbioru. Podczas transmisji będzie około 2,2 V. Po czym należy zalać L5 gorącym klejem i zamknąć VCO pokrywą w kształcie litery U, lutując ją do podkładek. Teraz ustawiamy pasmo przenoszenia bloku HF, rozkładając zwoje w sposób zbliżony do prostokątnego w zakresie 143-146 MHz. Dostosujemy nadajnik do maksymalnej mocy wyjściowej na ekwiwalencie anteny, rozsuwając zwoje. Dokładna częstotliwość jest ustawiana przy użyciu kondensatora C5, a próg tłumika za pomocą rezystora dostrajającego VR1. Dewiacja częstotliwości wynosi 4 kHz, jest stała i nie można jej regulować.
Komponenty elektroniczne:
Cewki L1, L2, L3, L4, L12 mają 4 zwoje drutu o średnicy 0,65 mm, średnica cewek 3,0 mm. L5 – 68nH SMD 1206, L6 – 27nH SMD 1206, L7 – dławik 1,0 mH. L8, L11 – podobne jak L1, L2, L3, L4, L12, ale mają 5 zwoi. L9 – 0,47 nH SMD 1206. L10 – 6 zwoi drutu o średnicy 0,31 mm, średnica cewki 2,0.
Wszystkie rezystory i kondensatory mają rozmiar 0805. Płytka jest przystosowana do obudowy KM-26NB, która na Allegro kosztuje 8 PLN. Ma miejsce na głośnik i maskownicę, ale pozostałe otwory trzeba wykonać samodzielnie. Tworzywo jest elastyczne i łatwe w obróbce oraz się nie kruszy. Więc nie jest to trudne. Wymiary płytki są dokładnie takie same jak te wewnętrzne: 87 × 53 mm.
Antena wykonana jest z kawałka kabla telewizyjnego RG-6U i przewodu w izolacji fluoroplastycznej o średnicy około 0,5 mm, złożonego na trzy części w jeden drut o długości około 1 m. Następnie wzięto odcinek kabla o długości 9-10 cm, z którego łatwo można zdjąć górną osłonę i usunąć oplot, żyła centralna pozostaje. Zdejmujemy jeden koniec przewodu od wewnątrz, aby odsłonić środkowy rdzeń. Zakładamy z powrotem obudowę i przykręcamy metalową śrubę złącza typu F (są stosowane w odbiornikach satelitarnych). Następnie zakładamy rurkę termiczną i podgrzewamy ją nad palnikiem gazowym celem skurczenia. Teraz konstrukcja jest już trwała, pozostaje tylko nastroić ją na rezonans, stopniowo odgryzając ją szczypcami na całej długości. W punkcie rezonansu charakterystyka częstotliwościowa w postaci zapadu będzie wyraźnie widoczna. Przegryzając konstrukcję wzdłuż jej długości, należy uzyskać rezonans przy częstotliwości 143 MHz. W wolnej przestrzeni częstotliwość będzie wyższa bez wpływu przewodów urządzenia, czyli około 145 MHz. Następnie ostrożnie wypełnij koniec anteny gorącym klejem i gotowe.
Oczywiście antena nie jest najbardziej wydajna, ale za to niezawodna i łatwa w produkcji. Możesz ją wydłużyć, nawijając spiralę stopniowo lub grubszym drutem. Również bez centralnego rdzenia wewnątrz uzwojenia. Nie przeprowadzono porównań z innymi antenami, ale ta także wypadła dobrze w testach, pomimo miniaturowych rozmiarów 8 cm. Poziom odbierany z odległości 10 km wynosił 6-7, miejscami 8-9 punktów przy odbiorze na FM-2008 i antenie zewnętrznej.
Pliki ze schematem, rysunkami płytki oraz oprogramowaniem znajdują się w załączniku.
Autor konstrukcji to Aleksandr Szatun z Charkowa (UR3LMZ).
Twórcą oprogramowania jest Aleksandr Denisow (RA3RBE).
Artykuł został opracowany na podstawie materiałów cqham.ru.
Fajne? Ranking DIY
