logo elektroda
logo elektroda
X
logo elektroda
REKLAMA
REKLAMA
Adblock/uBlockOrigin/AdGuard mogą powodować znikanie niektórych postów z powodu nowej reguły.

Audi Allroad 6HP19: Spadek napięcia do 3V na linii +12V przy obciążeniu

Danpe75 05 Kwi 2024 13:29 237 3
REKLAMA
  • #1 21033625
    Danpe75
    Poziom 3  
    Audi Allroad 6HP19: Spadek napięcia do 3V na linii +12V przy obciążeniu Witam!
    Mam problem z TCU od 6HP19. Napięcie +12V spada do około 3V po podłączeniu TCU lub też jakiegoś innego obciążenia np 5W żarówki.
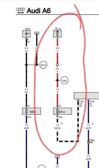
    Wg schematów, które posiadam, TCU jest połączony z autem poprzez 11 przewodów w 16pin wtyczce.
    Cztery z nich to 2X uziemienie, plus 1x +12V stałe napięcie i 1x +12V po zapłonie (power relay)
    Napięcie po przekaźniku zasilania jest ok i utrzymuje ponad 12V.
    Niestety linia stałego +12V traci napięcie po podłączeniu obciążenia.
    W załączeniu jest schemat pokazujący ten obszar.

    Mój problem polega na tym, że nie jestem w stanie "namierzyć" owego w moim aucie. Wg opisu ze schematu, te +12V jest poprzedzone bezpiecznikiem nr 3 a potem bezpiecznikiem SA10 czyli bezpiecznik nr 10 w uchwycie A. U mnie w tym miejscu jest bezpiecznik wzmacnicza anteny.

    Czy ktoś z szacownego forum mógłby rozjaśnić temat?
    TCU było na przeglądzie w firmie specjalistycznej i wg nich działa bez zarzutu.

    Temat wydaje się bardzo dziwny bo teoretycznie te +12V to tylko przewody i dwa bezpieczniki, żadnych przekaźników itd. Na akumulatorze mam 13V.
    Auta nie jestem w stanie uruchomić, gdyż nie ma żadnej komunikacji z TCU, czyli brak sygnału do autoryzacji startu, elektromagnesu dźwigni biegów czy CAN.

    Wygląda na to, że schematy, które posiadam nie odzwierciedlają tego co mam u siebie.

    Moje auto to:
    Audi A6 Allroad 2.7tdi 179hp z 2007

    Z góry dziękuję za pomoc.

    Audi Allroad 6HP19: Spadek napięcia do 3V na linii +12V przy obciążeniu
  • REKLAMA
  • REKLAMA
  • Pomocny post
    #3 21033885
    decybel91
    Poziom 42  
    Bezpiecznik od skrzyni to pierwszy od lewej w skrzynce bezpieczników pod maską, nie wewnątrz! Skrzynka po lewej stronie na podszybiu.
  • #4 21034910
    Danpe75
    Poziom 3  
    Nie spodziewałem się bezpieczników w tym miejscu.
    Wyglądają na to, że coś tam nie stykało, bo jak tylko włożyłem rękę pod pokrywę, to napięcie wróciło do normy.
    TCU również się uruchomiło.

    Będę musiał chyba wymontować mechanizm wycieraczek, żeby się tam dostać.

    Dziękuję bardzo za pomoc 👍



    Pęknięta obudowa powodowała, że wilgoć i kurz dostawały się do środka, co doprowadziło do problemów na stykach.
    Audi Allroad 6HP19: Spadek napięcia do 3V na linii +12V przy obciążeniu
REKLAMA