logo elektroda
logo elektroda
X
logo elektroda
REKLAMA
REKLAMA
Adblock/uBlockOrigin/AdGuard mogą powodować znikanie niektórych postów z powodu nowej reguły.

Audi A3 8L FL 1.8T - nadal pobiera prąd na postoju, sprawdzone elementy

Adziu90 15 Kwi 2024 12:46 453 9
REKLAMA
  • #1 21046059
    Adziu90
    Poziom 11  
    Witam,
    Mam problem z poborem prądu na postoju.
    Audi A3 8L, 1.8T AUM (2002 r - LIFT)
    Udało mi się rozwiązać jeden problem z bezpiecznikiem nr 15, który odpowiada za licznik, ale okazało się, że prąd kradnie taśma kierownicy (zwijak).
    Bezpiecznik nr 43 pobiera około 0.05A (oznaczony jako sterowanie silnikiem). Doszedłem do tego, że:
    - MAF (przepływka) pobiera około 0.034 A
    - czujnik stopu 0.010 A
    - czujnik sprzęgła 0.006 A


    Może przekaźnik od pompy paliwa nie rozłącza obwodu? (Bo chyba przez niego idzie zasilanie w/w rzeczy - sprawdzę to na dniach)
    Załączyłem schematy do posta.

    Nie znam się, aż tak na schematach. Proszę o pomoc gdzie może występować problem.
    Pozdrawiam.
  • REKLAMA
  • #2 21046090
    milejow
    Poziom 43  
    Adziu90 napisał:
    czujnik sprzęgła 0.006 A

    Skąd ty masz taki miernik??? :)

    Dodano po 6 [minuty]:

    Adziu90 napisał:
    Bezpiecznik nr 43 pobiera około 0.05A

    Ten bezpiecznik zasilanie dostaje jak pracuje przekaźnik pompy więc nie może brać prądu na postoju. Jeśli zwarty był by przekaźnik pompy to pobór miałbyś duuuużo większy
  • REKLAMA
  • #3 21046097
    Adziu90
    Poziom 11  
    Multimetr Brymen BM869s.
    Ale mam też ANENG AN8004 (china) i on też pokazuje taką skalę :) Wydaje mi się, że chyba tylko mierniki z kiosku za 15 zł pokazują z dokładnością do 10mA, reszta 1 mA :D

    milejow napisał:
    Ten bezpiecznik zasilanie dostaje po zapłonie więc nie może brać prądu na postoju, to zapłon na ECM i zasilnie zaworu sterowania turbo

    Wynika to ze schematów? Bo u mnie zasilanie jest stałe na tym bezpieczniku...
  • Pomocny post
    #4 21046113
    milejow
    Poziom 43  
    Adziu90 napisał:
    Wynika to ze schematów?

    tak
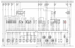
    Schemat elektryczny przekaźnika pompy paliwa (FP) z oznaczeniami i liniami połączeń.

    Dodano po 4 [minuty]:

    Adziu90 napisał:
    pokazują z dokładnością do 10mA, reszta 1 mA

    Bo w aucie nie potrzeba więcej
  • REKLAMA
  • #5 21046175
    Adziu90
    Poziom 11  
    Mogę Cię prosić o ten schemat w lepszej jakości? I jeśli to nie tajemnica to co to za program?

    Ogólnie rzecz biorąc, auto jest z 97r. silnik 1.8AGN (wolnossący).
    W 2015 z uwagi na zatarcie silnika kupiłem anglika (2002 polift) aby przełożyć silnik, ale dosłownie cała elektryka też musiała być przełożona. Możliwe, że mechanik coś źle podłączył...
    Jak sprawdzałem pobór prądu przez ten bezpiecznik to wyciągałem każdy przekaźnik po kolei i pobór nie spadał, więc zapewne zasilanie tego bezpiecznika jest z pominięciem przekaźnika...

    A jesteś w stanie jeszcze sprawdzić bezpiecznik 32? Czy idzie przez jakiś przekaźnik. Na nim około 15 minut po zgaszeniu zapłonu jest pobór ok 0.5A.

    Dziwił mnie fakt, że w Internecie nikt nie opisywał podobnego przypadku :D

    Edit:
    Znalazłem schemat z którego wynika , że bezpiecznik 32 też powinien iść przez ten sam przekaźnik.
  • Pomocny post
    #6 21046254
    milejow
    Poziom 43  
    Ten program to stara Autodata, nie wiem jak go wysłać w lepszej jakości.
    F32 to zasilanie wtrysków, też z przekaźnika pompy

    Dodano po 2 [minuty]:

    Adziu90 napisał:
    Znalazłem schemat z którego wynika , że bezpiecznik 32 też powinien iść przez ten sam przekaźnik.

    Przecież wynika to z kawałka schematu który ci wysłałem
    Jaki masz pobór prądu na zamkniętym aucie i odczekaniu kilkunastu minut bo jak dotąd to nic nie wiadomo bo wypisujesz jakieś herezje (pobór prądu czujnika stopu albo sprzęgła)?
    Lepszej jakości nie umiem wygenerować
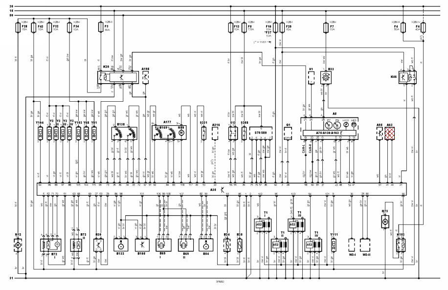
    Schemat elektryczny systemu z oznaczeniami komponentów i przewodów.
  • #7 21046317
    Adziu90
    Poziom 11  
    Schemat był kiepskiej jakości i nie mogłem odszyfrować numerów bezpieczników.
    Już znalazłem schematy na rosyjskich stronach. Dzięki.
    milejow napisał:
    wypisujesz jakieś herezje (pobór prądu czujnika stopu albo sprzęgła)

    Żadne herezje. Po odpięciu czujnika sprzęgła, pedału hamulca oraz MAF pobór na tym bezpieczniku spada do zera. Czujniki znajdują się na pedałach.
    milejow napisał:
    Jaki masz pobór prądu na zamkniętym aucie i odczekaniu kilkunastu minut

    Ogólnie jak wyeliminuje pobór na bezpiecznikach 32 i 43 to pobór po 15 minutach wyniesie ok 30-40mA więc będzie wszystko ok.
    Muszę sie teraz dobrać do instalacji i podłączyć w/w bezpieczniki zgodnie ze sztuką.
  • REKLAMA
  • #8 21046605
    piotrekwoj1
    Poziom 42  
    A teraz jak są podłączone? Te audi potrafią się i 40 minut ,,usypiać".
  • #9 21047384
    Adziu90
    Poziom 11  
    Teraz to jest dramat. Mechanik podłączył stały + pod te bezpieczniki. Nie są one w żaden sposób zasilane z przekaźnika.
    Na gnieździe przekaźnika 167 powinien być stały + na pinie "30", a po przekręceniu stacyjki na pinie "87". Przekaźnik nie spełnia żadnej funkcji bo w gnieździe przekaźnika i tak jest cały czas stały + na obu pinach... Muszę podpiąć bezpieczniki pod przekaźnik i zdjąć stały + z pinu 87...
    Z uwagi na to, że codziennie mam czas tylko od ok 20:30 to zajmę się tym jak zrobi się trochę cieplej.

    Na zdjęciu zmostkowane przewody to między innymi te od bezpiecznika 43 i 32...

    Więc alternatywny tekst w języku polskim: Zbliżenie na rękę trzymającą niebieskie przewody w samochodowej wiązce kabli. Wiązka przewodów samochodowych z mostkowaniem.

    Witam ponownie.
    Bezpieczniki 28, 32, 34, 43 zasiliłem zgodnie ze sztuką z zacisku 87X po przekaźniku. Musiałem wymienić przekaźnik pompy paliwa bo był 4 pinowy (167) na bodajże 8 pinowy (409)
    Teraz mam problem z tym, że pompa nie podaje przez chwilę paliwa po zapaleniu stacyjki. Przez to auto dłużej odpala.
    Schemat przepływu prądu w Audi A3 z opisem komponentów.
    Jest ktoś w stanie mi odpowiedzieć czy sygnał na przekaźnik ma iść z ECU z pinu 65 na pin 16 w przekaźniku? I czy to ten przewód odpowiada za podanie chwilowego zasilania na pompę paliwa?

    Kolejny i ostatni problem to pobór prądu przez bezpiecznik odpowiedzialny za zestaw wskaźników (licznik). Sprawdziłem i po odpięciu licznika (kostek) prąd dalej jest pobierany przez zwijak kierownicy.
    Pobór ustaje po odpięciu i ponownym podłaczeniu wtyczki do zwijaka, albo po wyciągnięciu i wpięciu bezpiecznika odpowiedzialnego za jego zasilanie (nr 15). Tutaj problemem może być sam zwijak, czy może nie dostaje on jakiegoś sygnału do "uśpienia"?

    Z góry dziękuję za pomoc. Zmierzam ku końcowi :)
  • #10 21082051
    Adziu90
    Poziom 11  
    Dalej mam problem z brakiem chwilowego załączenia pompy po włączeniu stacyjki przed odpaleniem.
    Podłączyłem pod pin 19/86 przekaźnika (czerwona wtyczka pin S3/15) 12V po stacyjce - było wcześniej stałe 12V, ale nic się nie zmieniło =- problem dalej występuje.

    Na przewodzie idącym z przekaźnika (16/85, wtyczka czerwona S3/T) do ECU pod pin 65 (li/ws, biało liliowy) mam poniższe napięcia:
    -po przekręceniu stacyjki niecałe 12V,
    -stacyjka wyłączona 0.02V czyli brak zasilania
    -po odpaleniu auta 0.7V.
    Według rozpiski powinno być 0-1V po przekręceniu stacyjki, a po chwili 11-14V. Po odpaleniu 11-14V.
    Poniżej opis pinu 65 w ECU:
    Fragment tabeli opisującej działanie przekaźnika pompy paliwa, pokazujący wartości napięcia dla różnych stanów zapłonu.

    Ktoś pomoże?
    Dodam jeszcze, że po odpięciu i podpięciu klem akumulatora pompa się na chwile sama załącza co jest dziwne... Tak samo po wypięciu i wpięciu przekaźnika 409.
REKLAMA