logo elektroda
logo elektroda
X
logo elektroda
REKLAMA
REKLAMA
Adblock/uBlockOrigin/AdGuard mogą powodować znikanie niektórych postów z powodu nowej reguły.

[Chevrolet Lacetti] Jak podłączyć przewody w wiązce klapy tylnej?

pilkarzyk10 03 Maj 2024 19:21 144 3
REKLAMA
  • #1 21068997
    pilkarzyk10
    Poziom 4  
    Witam.
    Posiadam samochód Chevrolet Lacetti hatchback Mam problem z podłączaniem wiązki od tylnej klapy . Miałem przerwaną wiązkę więc obciąłem wtyczkę z dwóch stron. Myślałem , że z obu stron idą takie same przewody. Niestety idą inne. Oto przewody :
    Przewody od strony klapy
    - Jasny niebieski ( błękitny)
    - szary ( cienki)
    - fiolet (cienki)
    - gruby zielony
    - brązowy
    - biały
    - różowo- czarny

    Przewody od strony kabiny :
    - biały
    - gruby fioletowy
    - fioletowo - biały
    - różowo - czarny
    - czerwono - niebieski
    - brązowy

    Jak widać dodatkowym problemem jest to , ze od strony klapy idzie 7 przewodów a od strony kabiny 6 przewodów.
    Czy mógłby mi ktoś pomóc to podłączyć poprawnie?

    Z góry dziękuję za pomoc

    Pozdrawiam
    Pilkarzyk10
  • REKLAMA
  • REKLAMA
  • #3 21069368
    pilkarzyk10
    Poziom 4  
    enhanced napisał:
    Ale że przerwał się przewody i po przerwaniu zmieniły kolory?? :p


    Dwóch stron myślałem że idą te same kable. Wtyczki z obu stron uciąłem i wyrzuciłem . Dopiero później zorientowałem się że niektóre kolory nie pokrywają się wzajemnie.

    Dodano po 17 [minuty]:

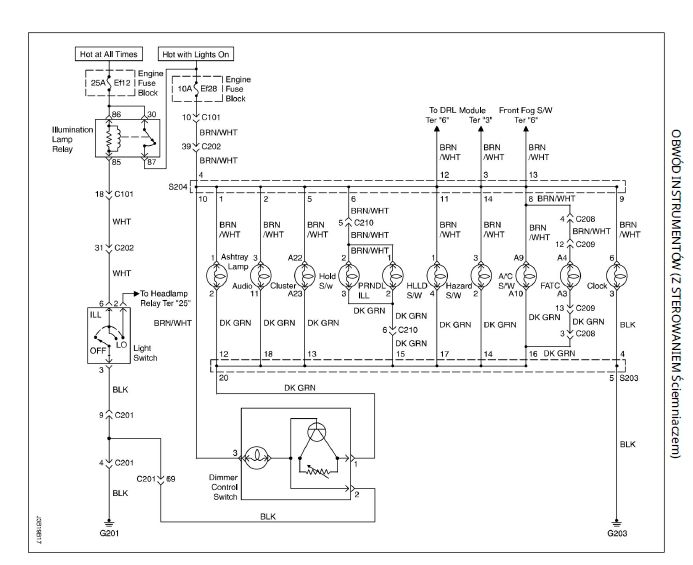
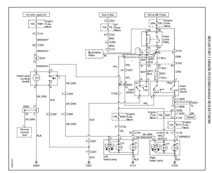
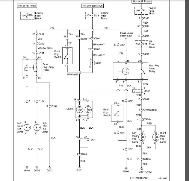
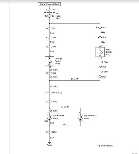
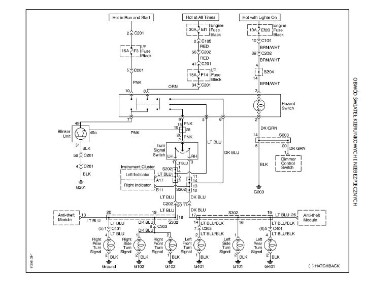
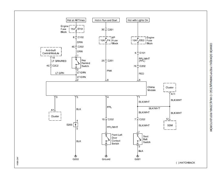
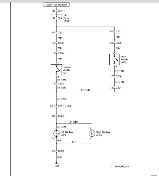
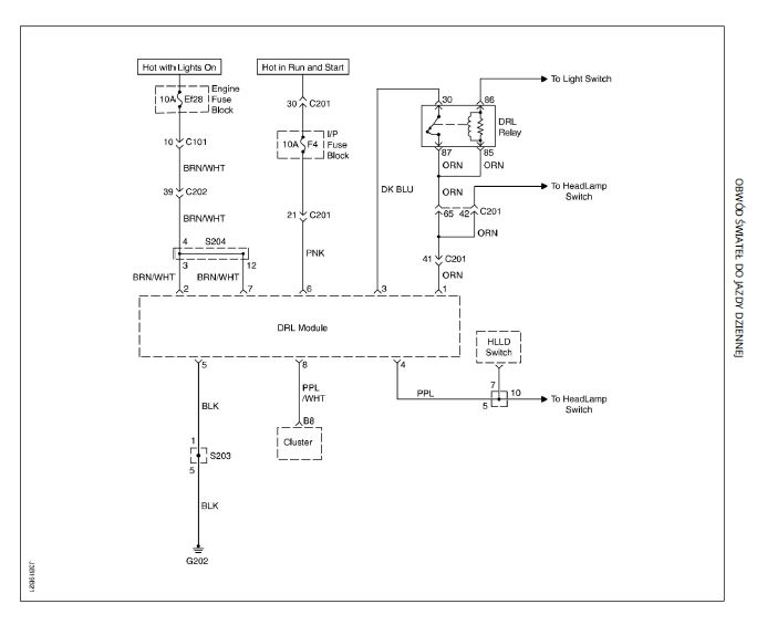
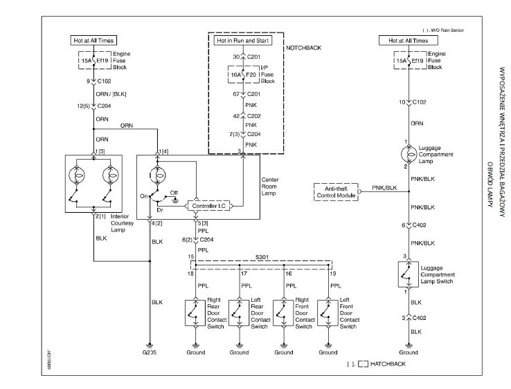
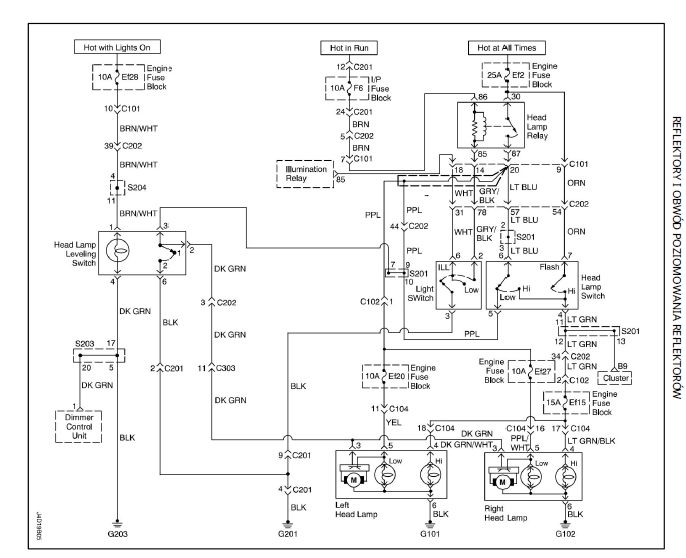
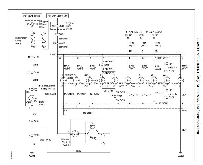
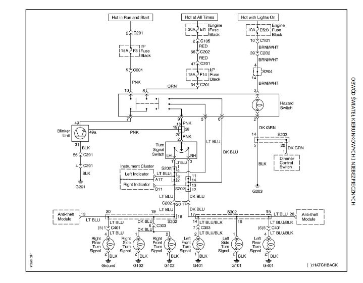
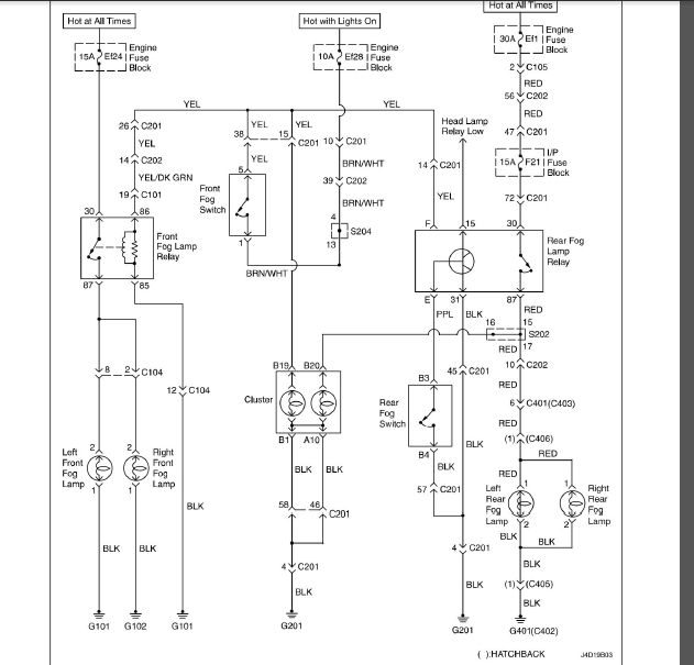
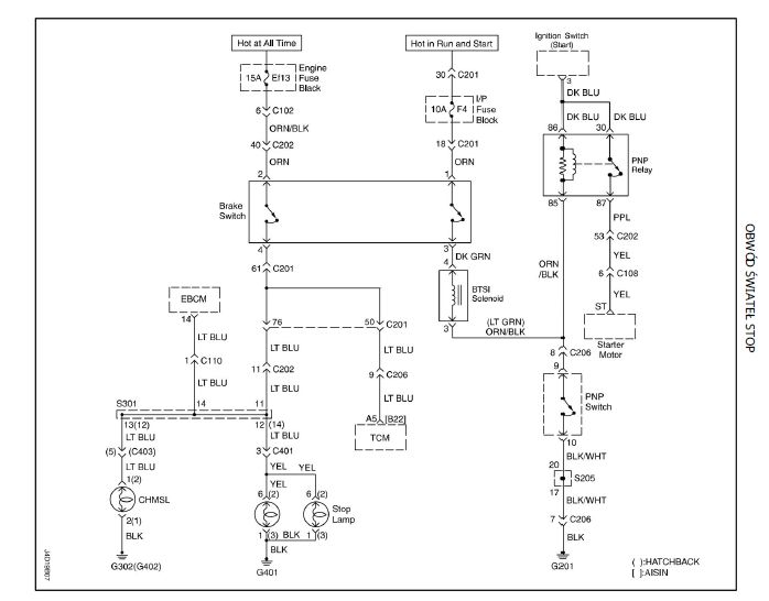
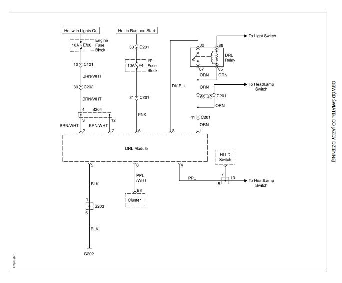
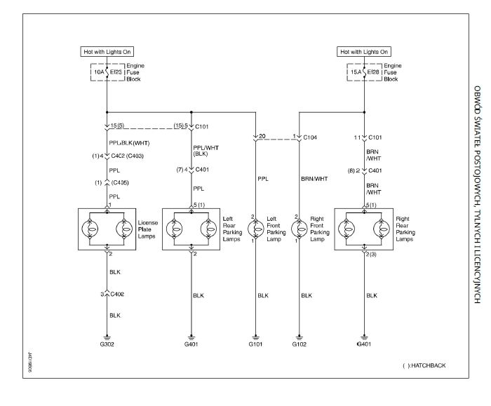
    Dodaję schematy dla ułatwienia. Ja niestety nie umiem ich czytać.


    Schemat połączeń elektrycznych związanych z obwodem instrumentów.

    Schemat instalacji elektrycznej samochodu z opisanymi połączeniami i komponentami.

    Schemat elektryczny przedstawiający połączenia lamp przeciwmgielnych w samochodzie hatchback.

    Schemat okablowania samochodu z oznaczeniami przewodów i komponentów.

    Schemat połączeń elektrycznych reflektorów.

    Schemat elektryczny obwodu świateł do jazdy dziennej w pojeździe.

    Schemat elektryczny obwodu świateł postojowych samochodu.

    Schemat połączeń elektrycznych przedstawiający układ świateł stopu w samochodzie.

    Schemat okablowania samochodowego z oznaczeniami kolorów i numerami przewodów.

    Schemat okablowania samochodowego przedstawiający połączenia w obwodzie lamp cofania.

    Schemat elektryczny samochodu z różnymi połączeniami i komponentami
  • #4 21069387
    enhanced
    Poziom 43  
    https://mylacetti.ru/tis/en/documents_2005/nubira-lacetti/start_nubira-lacetti.html
    szukaj po kolorach, inaczej to miernik w dłoń i włączaj stop/światła i badaj gdzie się co pojawia na wyjściu z auta bo na klapie już ogarniesz gdzie jaki przewód do czego dochodzi.

    https://www.chevyman.ru/pl/Lacetti/J200/electrics/schemes
REKLAMA