Witam,
Opel Astra z16xep.
W skrócie, brakuje mocy na zimnym silniku, nierówna praca bardzo mocno zauważalna, wypadanie zapłonu(ów). Rozgrzany silnik pracuje stabilniej, ale wypadanie zapłonu nadal występuje. Na benzynie i LPG praca bez zmian. Przy gwałtownym wciśnięciu gazu chwilowe zadławienie. Sprawdzone: cewka, świece, map, luzy zaworowe, kompresja.
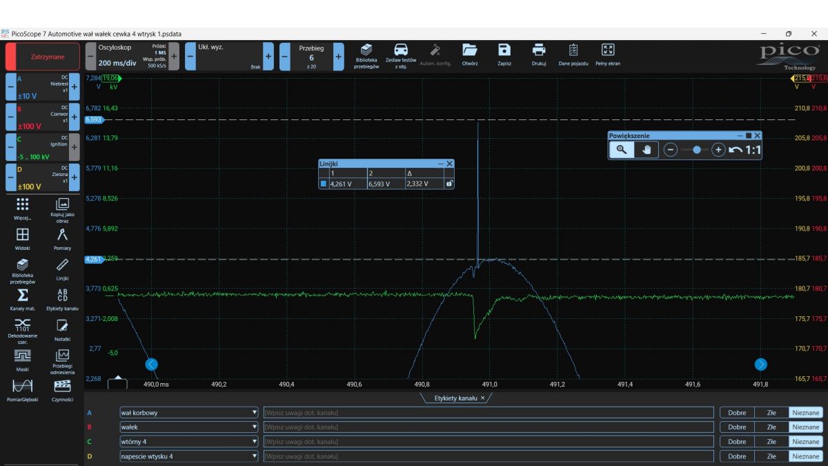
Przeprowadziłem pomiar czujników wału, wałka, wtryskiwacza i cewki cylindra 4. Okazuje się, że po każdym wyładowaniu się cewki pojawia się minimalna lub bardzo duża anomalia na czujniku wału. Duża anomalia powoduje wypadanie zapłonu i jeszcze bardziej nierówną pracę silnika. Minimalną anomalię można zauważyć także w przebiegu czujnika wałka i napięciu wtryskiwacza. Co jest powodem takich zachowań? Dołączyłem zdjęcia.
Pozdro

Opel Astra z16xep.
W skrócie, brakuje mocy na zimnym silniku, nierówna praca bardzo mocno zauważalna, wypadanie zapłonu(ów). Rozgrzany silnik pracuje stabilniej, ale wypadanie zapłonu nadal występuje. Na benzynie i LPG praca bez zmian. Przy gwałtownym wciśnięciu gazu chwilowe zadławienie. Sprawdzone: cewka, świece, map, luzy zaworowe, kompresja.
Przeprowadziłem pomiar czujników wału, wałka, wtryskiwacza i cewki cylindra 4. Okazuje się, że po każdym wyładowaniu się cewki pojawia się minimalna lub bardzo duża anomalia na czujniku wału. Duża anomalia powoduje wypadanie zapłonu i jeszcze bardziej nierówną pracę silnika. Minimalną anomalię można zauważyć także w przebiegu czujnika wałka i napięciu wtryskiwacza. Co jest powodem takich zachowań? Dołączyłem zdjęcia.
Pozdro