logo elektroda
logo elektroda
X
logo elektroda
REKLAMA
REKLAMA
Adblock/uBlockOrigin/AdGuard mogą powodować znikanie niektórych postów z powodu nowej reguły.

Toyota Auris 2008 - nie działają światła stopu w lampach, co sprawdzić?

piotrsledz1226 09 Maj 2024 20:11 366 4
REKLAMA
  • #1 21076152
    piotrsledz1226
    Poziom 2  
    Witam posiadam toyotę auris z 2008 roku
    Mam taki problem że nie działają światła stopu w lampach bo w klapie bagażnika wszystko działa
    Sprawdziłem bezpieczniki żarówki i czujnik pedału wszystko jest sprawne
    Gdzie szukać dalszego problemu
  • REKLAMA
  • #2 21076185
    Zaz13
    Poziom 27  
    Zasilanie w lampach jest?
  • REKLAMA
  • #3 21076691
    VPSA132
    Poziom 20  
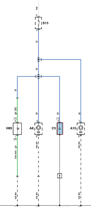
    Sprawdź jeszcze raz żarówki i oprawki. Dziwna usterka bo wszystkie STOPy zasilane są z jednego bezpiecznika. Natomiast do każdej lampy jest oddzielna masa łapana z innego punktu nadwozia.
    Schemat elektryczny układu świateł STOP z bezpiecznikiem i masami dla każdej lampy.
  • REKLAMA
  • #4 21077452
    piotrsledz1226
    Poziom 2  
    >>21076185 tak jest bo reszta żarówek się świeci a żarówki stopu są włożone nowe
  • #5 21077724
    Zaz13
    Poziom 27  
    No to inaczej.Sprawdź + i- w oprawkach stopu
REKLAMA