logo elektroda
logo elektroda
X
logo elektroda
REKLAMA
REKLAMA
Adblock/uBlockOrigin/AdGuard mogą powodować znikanie niektórych postów z powodu nowej reguły.

Lancia Kappa - brak komunikacji ze sterownikiem skrzyni GS2.22, pobór prądu

ptr92 23 Maj 2024 15:02 204 9
REKLAMA
  • #1 21093288
    ptr92
    Poziom 19  
    Cześć,
    walczę ze sterownikiem bosch GS 2.22 od skrzyni biegów w Lancii Kappa. Nie komunikuje się, pobiera 0,306A na stole. Kupiłem drugi sterownik - jedyny w Polsce, niestety problem ten sam - brak komunikacji. Różnica jest taka, że kupiony sterownik pobiera 0,295A.
    Dwa plusu, masa i ciągłość przewodów K i L OK
    Konstrukcja trochę archaiczna, widziałem że procesor B58452 występuje też częsc w EHR w ciągnikach - przykładowy numer 0 538 201 045. Wstępnie żadnych usterek pod mikroskopem nie widać. Pod termowizją grzeje się tylko stabilizator 5V zasilający procek i sam procek.
  • REKLAMA
  • #2 21093843
    tolo
    Poziom 34  
    Wrzuć zdjęcie tego sterownika.
  • REKLAMA
  • #3 21095003
    ptr92
    Poziom 19  
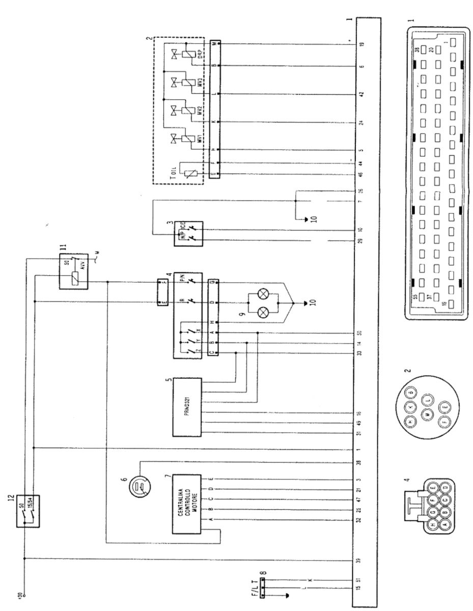
    Schemat połączeń modułu sterującego Zbliżenie na płytę drukowaną z różnymi elementami elektronicznymi.

    Jutro jeszcze wrzucę pozostałe fotki
  • #4 21097368
    ptr92
    Poziom 19  
    Zbliżenie na płytę PCB z różnymi komponentami elektronicznymi, w tym elementy marki Siemens. [img-1]

    Dodano po 1 [minuty]:

    Płyta drukowana z układami scalonymi i elementami elektronicznymi.

    Dodano po 3 [minuty]:

    Pod naklejka na pamięci eeprom:
    Płytka drukowana z układami scalonymi i eeprom.
  • #5 21097420
    tolo
    Poziom 34  
    Może soft uleciał z eproma UV, jeżeli "okienko" nie jest zaklejone.
  • #6 21097454
    ptr92
    Poziom 19  
    Czyli w skrócie trzeba szukać kolejnego sprawnego. W jednym sam odkleiłem okienko żeby zobaczyć numer układu.
  • REKLAMA
  • #7 21101434
    ptr92
    Poziom 19  
    Zdobyłem kolejny sterownik. Nadal zero komunikacji, nie działa prędkościomierz, skrzynia w awarii.
    Uznałem, że może jednak poszukam usterki na piechotę. Pomierzyłem wszystko sam wg schematu. Usterek brak, czyli zawory, czujniki itp są wg pomiarów ok.
    Na kupionym sterowniku jest niemiecka naklejka - data demontażu 2010.
    Czy eeprom naświetlany błyskami, może ulecieć po 15 latach leżenia sterownika gdzieś w magazynie?
  • #8 21101674
    tolo
    Poziom 34  
    Trzy sterowniki i w każdym brak komunikacji? Być może to nie sterownik stanowi problem.
  • REKLAMA
  • #9 21101722
    ptr92
    Poziom 19  
    Tabela pinów i połączeń dla sterownika samochodowego
    Schemat połączeń elektrycznych z pinoutem.
    Za każdym razem biorę tą ewentualność pod uwagę.
    Mam schemat, mam też pinout. Dwa plusy (1 i 39) i dwie masy (7, 26) sprawdzone pod obciążeniem. Sterownik podłączałem też na stole. Próbowałem łączyć się wszystkim co mam, ale najbardziej obiektywny jest KTS bo to w końcu bosch, tak jak sterownik. Oczywiście w złączu zamieniałem kolejności linii L i K dla testów ;) z innymi sterownikami w aucie łączę się bez problemu.
  • #10 21103572
    ptr92
    Poziom 19  
    Ogólnie chat gpt opowiedział na ulotność pamięci eeprom programowanej błyskami:

    Tak, dane przechowywane w pamięci EEPROM mogą ulec degradacji po długim czasie bez zasilania. EEPROM jest zaprojektowana do przechowywania danych przez wiele lat, ale nie jest wieczna. Typowy czas retencji danych dla EEPROM wynosi od 10 do 20 lat, w zależności od technologii użytej do jej produkcji oraz warunków przechowywania.

    A jakie jest wasze doświadczenie w takich starych układach?
REKLAMA