logo elektroda
logo elektroda
X
logo elektroda
REKLAMA
REKLAMA
Adblock/uBlockOrigin/AdGuard mogą powodować znikanie niektórych postów z powodu nowej reguły.

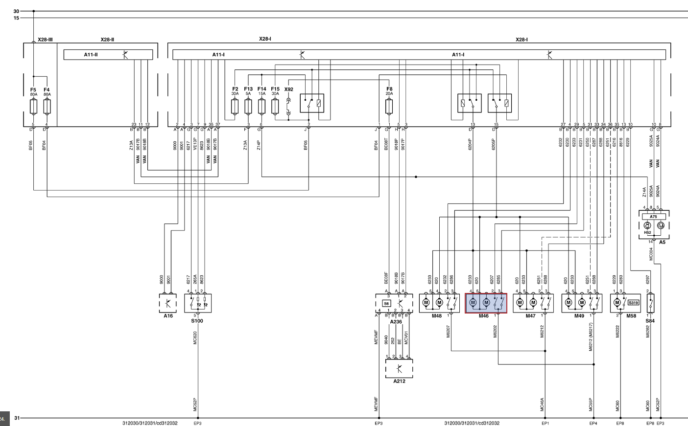
Potrzebny schemat centralnego zamka Citroen C4 2005 - drzwi kierowcy działają, reszta otwarta

borejek 29 Maj 2024 17:02 177 1
REKLAMA
  • #1 21099910
    borejek
    Poziom 16  
    Witam.
    Tak jak w tytule potrzebny mi jest schemat centralnego zamka do Citroena C4 5 drzwi z 2005 roku. Problem polega na tym, że zamek drzwi kierowcy reaguje normalnie, czy otwiera i zamyka, ale tylko drzwi od kierowcy, pozostałe drzwi są cały czas otwarte. Porady mile widziane.

    Pozdrawiam.
  • REKLAMA
  • #2 21102624
    falkowski79
    Poziom 11  

    Schemat elektryczny z połączeniami i komponentami systemu
REKLAMA