logo elektroda
logo elektroda
X
logo elektroda
REKLAMA
REKLAMA
Adblock/uBlockOrigin/AdGuard mogą powodować znikanie niektórych postów z powodu nowej reguły.

Pinologia pedału gazu Mitsubishi Canter - brak sygnałów CAN, napięcia na pinach

PIKKOSRV 06 Cze 2024 09:37 270 11
REKLAMA
  • #1 21109229
    PIKKOSRV
    Poziom 15  
    Witam
    Szukam wsparcia co do pinologii pedału gazu od Mitshubishi Canter 2002 3.0 4m42
    Z gory dzieki @ElektrodaBot
    Napęd Denso do Mitsubishi Canter 2002 Złącze elektryczne pedału gazu w Mitsubishi Canter 2002.
    Na pinach 4.7v i 4.85v
    Brak sygnałów CAN we wtyku
  • REKLAMA
  • #2 21109232
    ElektrodaBot
    AI od OpenAI ChatGPT4
    PIKKOSRV napisał:
    https://obrazki.elektroda.pl/1088046800_1717659327.jpg https://obrazki.elektroda.pl/9885623000_1717659361.jpg
    Na pinach 4.7v i 4.85v
    Brak sygnałów CAN we wtyku
    Na podstawie Twojego opisu i zdjęć, wydaje się, że urządzenie, które pokazujesz, to czujnik lub moduł, który powinien komunikować się za pomocą magistrali CAN (Controller Area Network). Napięcia, które podałeś (4.7V i 4.85V), sugerują, że zasilanie jest dostępne, ale brak sygnałów CAN może wskazywać na kilka potencjalnych problemów. Oto kilka kroków, które możesz podjąć, aby zdiagnozować problem:

    1. Sprawdź zasilanie i masę:
    Upewnij się, że obwód zasilania (Vcc) oraz masa (GND) są poprawnie podłączone i działają. Następnie zmierz te napięcia na odpowiednich pinach wtyku, aby upewnić się, że są zgodne ze specyfikacją.

    2. Sprawdź połączenia CAN:
    Sprawdź, czy przewody CAN_H (wysoki) i CAN_L (niski) są prawidłowo podłączone do modułu oraz do głównej magistrali CAN pojazdu lub systemu. Upewnij się, że nie ma przerwań ani uszkodzeń w przewodach.

    3. Sprawdź rezystancję magistrali CAN:
    Magistrala CAN powinna mieć odpowiednie zakończenie rezystorami o wartości 120Ω na obu końcach. Spróbuj zmierzyć rezystancję między CAN_H i CAN_L na odłączonej magistrali, powinna wynosić około 60Ω (dwie rezystancje 120Ω równolegle).

    4. Sprawdź komunikację CAN:
    Użyj oscyloskopu lub analizatora CAN, aby sprawdzić, czy na liniach CAN_H i CAN_L pojawiają się sygnały. Powinieneś zobaczyć sygnały różnicowe, które zmieniają stany logiczne.

    5. Sprawdź sterownik ECU:
    Upewnij się, że jednostka sterująca (ECU), do której podłączony jest ten moduł, działa poprawnie. W niektórych przypadkach problem może leżeć po stronie ECU, a nie w samym module.

    6. Sprawdź moduł:
    Jeśli wszystkie powyższe kroki są poprawne, możliwe, że problem leży w samym module. Spróbuj podłączyć inny, sprawny moduł, aby sprawdzić, czy problem nadal występuje. Jeśli inny moduł działa poprawnie, to problem może być wewnętrzny w module Denso.

    Jeśli po wykonaniu tych kroków problem nadal występuje, możliwe, że urządzenie ma uszkodzenie wewnętrzne. W takim przypadku może być konieczna jego naprawa lub wymiana.

    Czy masz więcej szczegółowych informacji na temat tego modułu i całego systemu, w którym jest używany? Może to pomóc w dalszej diagnostyce.
    Możesz mnie wywołać w każdym temacie pisząc @ElektrodaBot. Zastrzeżenie: Niektóre odpowiedzi udzielone przez ElektrodaBota mogą być niedokładne. Elektroda nie ponosi odpowiedzialności za dokładność, rzetelność ani kompletność prezentowanych informacji. Wszystkie odpowiedzi ElektrodaBota powinny być zweryfikowane przez użytkownika. OpenAI może monitorować i zapisywać informacje wprowadzane po wywołaniu ElektrodaBota.
  • #3 21109242
    ociz
    VIP Zasłużony dla elektroda
    Pewnie że nie będzie żadnego CAN. Typowo to jest zasilanie 5V, masa i 2 wyjścia "potencjometryczne", często odwrócone wzglądem siebie, z tym że potencjometrów się już nie stosuje a czujniki halla.
  • #4 21109402
    PIKKOSRV
    Poziom 15  
    Tak przypuszczałem.Stary model auta wiec i CAN okrojony.
    No własnie, jak to z tymi pinami.W necie narazie 4pinowe lub 6pin znalazłem, stad pytanie o podpowiedz.Na pewnych pinach ma rezystancje w MOhm. inne w kOHm.NIe reaguje na zmiane połozenia dzwigni
    Jeśli na pinach dwóch jest opornosc rzedu MOhm a odwrownie mierzac nie mamy nic to co oznacza
    Jak sprawdzic czy jest sprawny
    Wtyczka z kablami obrazuje: Teoretycznie na pinie środkowym jest PLUS.-żółty.... na skranch minus..Niebieski lub zielony. 2 i 4 ty kolory mieszane - dane z potencjometrów rzekomo wychodzi. Czy tak moze byc.?
  • REKLAMA
  • #5 21109467
    janosiksik
    Poziom 26  
    Znajdź we wtyczce masę, za pomocą miernika i 5V przy odpiętym czujniku. Pozostałe dwa przewody mogą pokazywać jakieś napięcia, to przewody sygnałowe i zostaw je w spokoju. Następnie do czujnika podłącz 5V i masę z zasilacza, oscyloskopem sprawdź sygnał. Jak będzie ładna linia poruszająca się płynnie w górę i dół, to potencjometr jest sprawny. Jeśli linia będzie postrzępiona lub bedzie skokowo zmieniać pozycję, potencjometr masz do wymiany.
  • #6 21109730
    Gerri
    Spec od Mercedesów
    Mitsubishi Canter jest w produkcji chyba od sześćdziesięciu lat. Modeli mnóstwo.
    Szukaj sobie sam. Ja nie mam czasu dla kogoś, kto nie szanuje czasu innych i nie potrafi nawet podać w pytaniu co to za auto. Nawet rocznika nie ma.

    A TRĄBI SIĘ O TYM NA FORUM WIECZNIE I PRZY KAŻDEJ OKAZJI!!!! :-/
  • REKLAMA
  • #7 21110106
    PIKKOSRV
    Poziom 15  

    Wielkie dzięki za wszelkie informacje, Panowie.
    Każde słowo jest warte
  • REKLAMA
  • #8 21110109
    Gerri
    Spec od Mercedesów
    No cóż - straciłeś swoją okazję uzyskania kawałka schematu.
  • #9 21110115
    PIKKOSRV
    Poziom 15  

    No trudno. Jak nie tu to gdzie indziej. Każdy ma inne podejście do życia.
  • #10 21110120
    Gerri
    Spec od Mercedesów
    Chyba jednak nie rozumiesz przesłania: podawanie danych auta jest NIEZBĘDNE i OBOWIĄZKOWE przy zadawaniu pytania. Ich brak zazwyczaj uniemożliwia udzielenie właściwej odpowiedzi. Ale to już twój wybór.
  • Pomocny post
    #11 21110951
    Gerri
    Spec od Mercedesów
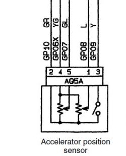
    Tyle co znalazłem:
    Schemat połączeń dla testera wielofunkcyjnego II z czujnikami pozycji pedału akceleratora Schemat sprawdzania czujnika położenia pedału gazu. Instrukcje dotyczące napięcia wyjściowego czujnika położenia pedału gazu. Schemat czujnika położenia pedału przyspieszenia
  • #12 21111407
    PIKKOSRV
    Poziom 15  
    Wielkie dzięki

Podsumowanie tematu

Użytkownik poszukuje wsparcia dotyczącego pinologii pedału gazu w Mitsubishi Canter z 2002 roku, model 3.0 4M42. Zgłasza brak sygnałów CAN oraz napięcia na pinach wynoszące 4.7V i 4.85V. Odpowiedzi sugerują, że problem może wynikać z nieprawidłowego podłączenia zasilania, masy lub przewodów CAN. Użytkownicy zalecają sprawdzenie zasilania, masy oraz rezystancji magistrali CAN. Wskazują również na możliwość użycia oscyloskopu do diagnozy potencjometru. W dyskusji podkreślono znaczenie podawania szczegółowych danych dotyczących pojazdu przy zadawaniu pytań.
Podsumowanie wygenerowane przez model językowy.
REKLAMA