Witam.
Samochód Opel Calibra C20NE z 1991 roku.
Pali się kontrolka ABS.
Sterownik bez autodiagnostyki - NIESTETY.
Kable do czujników przedzwonione - sprawne.
Czujnik lewy przód był uszkodzony - wymieniony.
I dalej to samo.
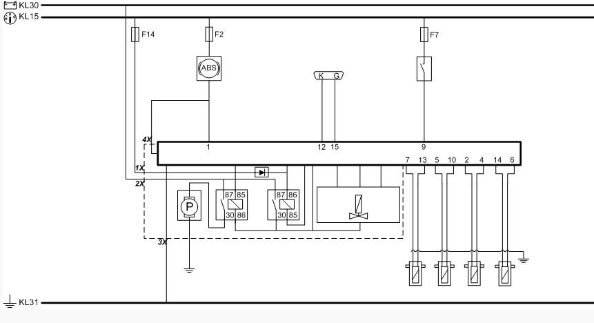
Wpadł mi jeszcze pomysł, że sterownik może nie wykrywać pompy/brak połączenia, ale nie mam schematu.
Ma ktoś na stanie rozpiskę pinów sterownika i poratuje? Ktoś ma jakieś pomysły, gdzie jeszcze szukać rozwiązania problemu?
Czy ktoś słyszał, żeby kiedyś komuś padł sterownik ABS w Calibrze? Bo to jest niby prosta konstrukcja i ciężko go uwalić.
Samochód Opel Calibra C20NE z 1991 roku.
Pali się kontrolka ABS.
Sterownik bez autodiagnostyki - NIESTETY.
Kable do czujników przedzwonione - sprawne.
Czujnik lewy przód był uszkodzony - wymieniony.
I dalej to samo.
Wpadł mi jeszcze pomysł, że sterownik może nie wykrywać pompy/brak połączenia, ale nie mam schematu.
Ma ktoś na stanie rozpiskę pinów sterownika i poratuje? Ktoś ma jakieś pomysły, gdzie jeszcze szukać rozwiązania problemu?
Czy ktoś słyszał, żeby kiedyś komuś padł sterownik ABS w Calibrze? Bo to jest niby prosta konstrukcja i ciężko go uwalić.
