logo elektroda
logo elektroda
X
logo elektroda
REKLAMA
REKLAMA
Adblock/uBlockOrigin/AdGuard mogą powodować znikanie niektórych postów z powodu nowej reguły.

[Rozwiązano] Iveco Daily 2008 - brak zasilania w przełączniku szyby kierowcy, gdzie szukać?

Megawe 28 Cze 2024 12:51 264 3
REKLAMA
  • #1 21135533
    Megawe
    Poziom 34  
    Witam,
    Iveco Daily 2008 r. Bus, nie działa elektryka szyby od strony kierowcy.

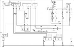
    Panel przełączników elektrycznych szyb do Iveco Daily

    Schemat panelu z bezpiecznikami i przekaźnikami.

    Brakuje plusa we wtyczce od przełącznika. Przypuszczam, że plus przychodzi grubszym przewodem zielonym, jest to skrajny przewód. Następne dwa, też zielone, idą do modułu przy silniczku. Jak na nie podam plus to moduł cyka i jest OK. Przełącznik zwiera cienkie zielone z tym grubym. Grubszy zielony idzie do kabiny, Bezpieczniki sprawdzone i są OK.
    Skąd dochodzi plus do przełącznika ??


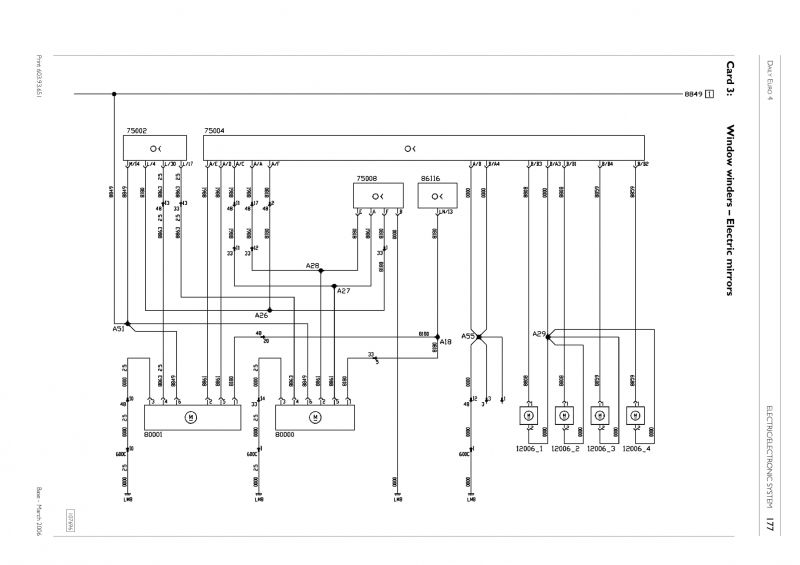
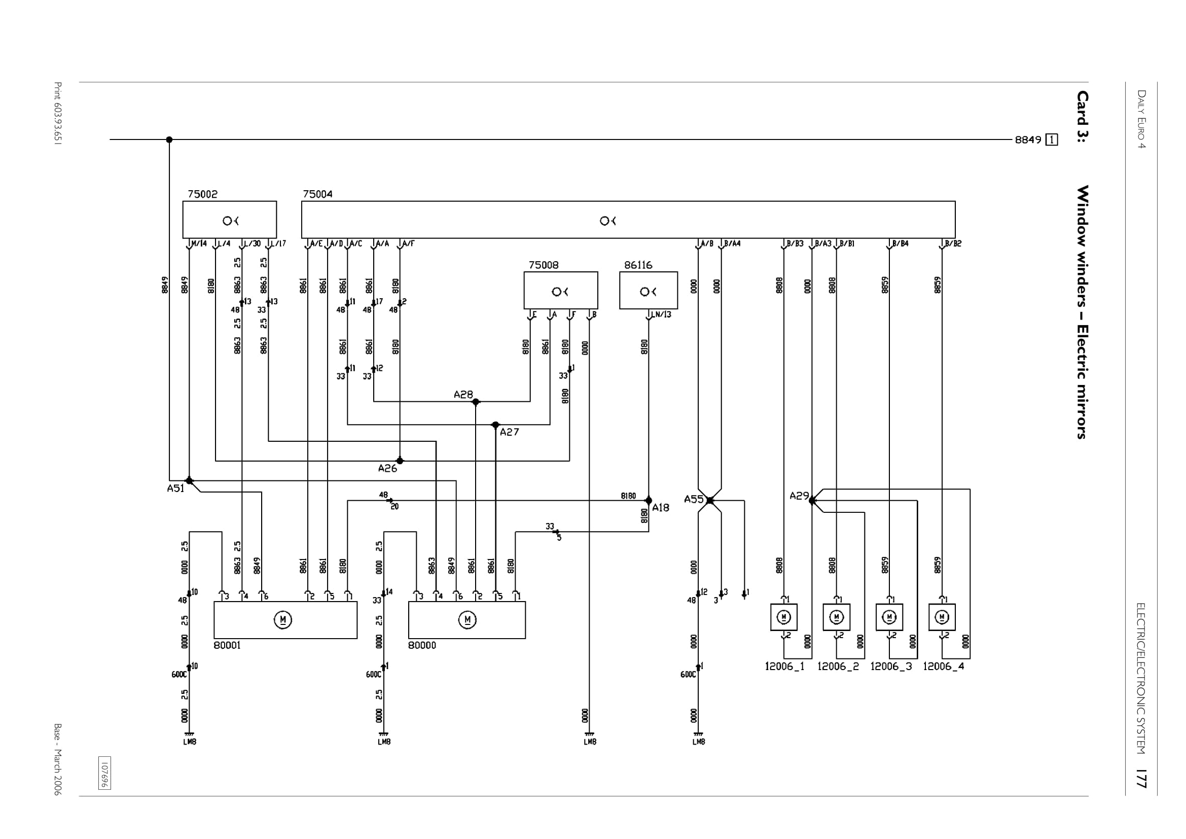
    Schemat elektryczny szyb i lusterek Iveco Daily z 2008 roku

    schemat znalazłem teraz problem znaleźć co oznaczają kody liczbowe: 8849 i 86116.
  • REKLAMA
  • #2 21136146
    HUBI123456
    Poziom 16  
    Za nim rozbierzesz pół auta sprawdź przewody w gumie od drzwi czy nie popękały.
  • REKLAMA
  • #3 21138400
    Megawe
    Poziom 34  
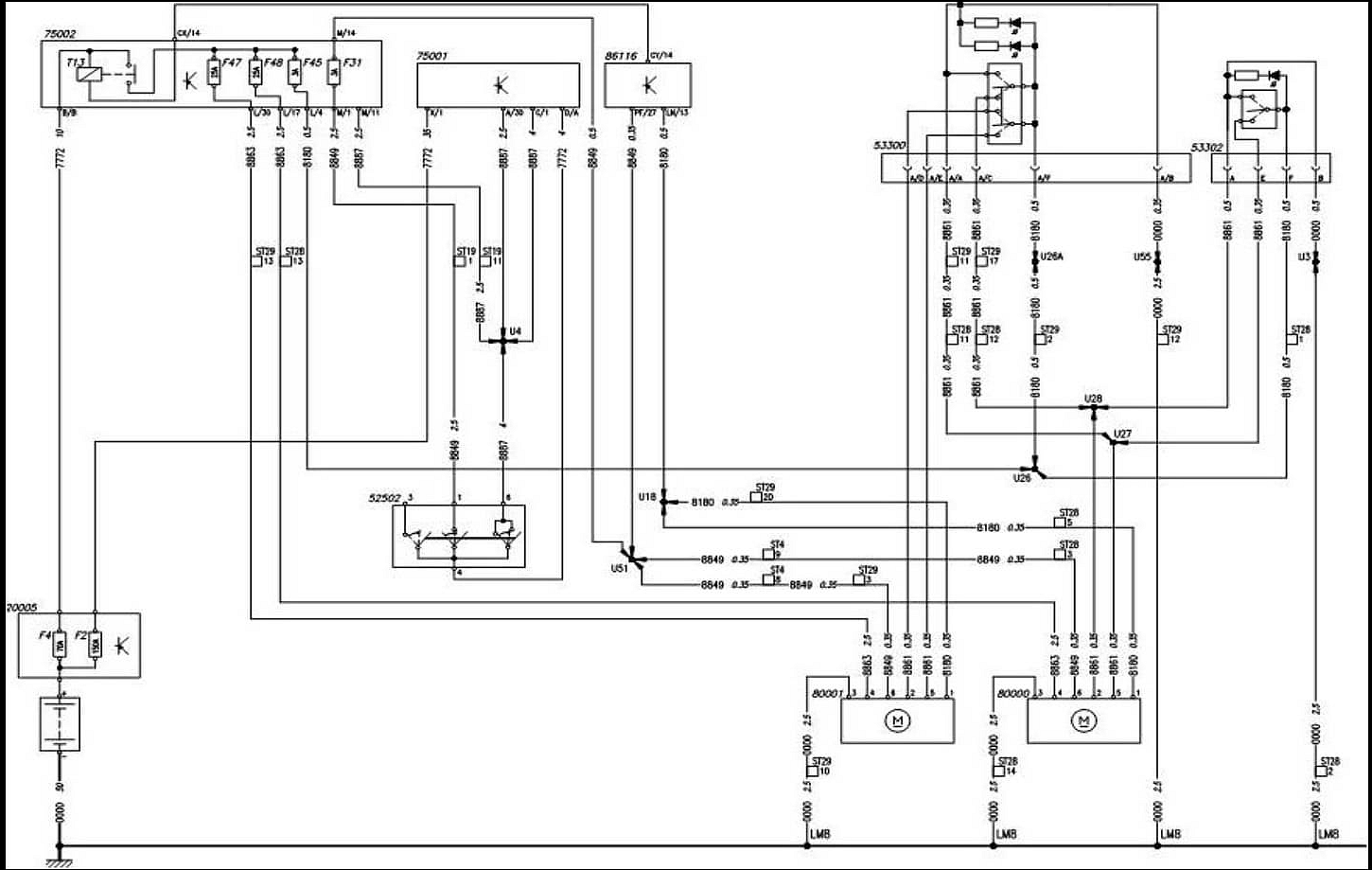
    Schemat elektryczny z elementami takimi jak przełączniki, bezpieczniki i połączenia przewodowe.
    Fragment dokumentacji elektrycznej pojazdu.
  • #4 21138768
    Megawe
    Poziom 34  
    Właściciel auta wyciągnął celem sprawdzenia wszystkie bezpieczniki i włożył z powrotem zgodnie opisem z internetu.
    W opisach internetowych bezpiecznik 45 nie ma podanej wartości i jest opisany jako nieużywany.
    Powodem nie działania elektrycznych szyb był brak bezpiecznika 45.
REKLAMA