logo elektroda
logo elektroda
X
logo elektroda
REKLAMA
REKLAMA
Adblock/uBlockOrigin/AdGuard mogą powodować znikanie niektórych postów z powodu nowej reguły.

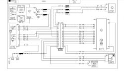
Schemat przewodów hamulca ręcznego Laguna 2 ph2 - kostka pod siedzeniami

euromissile 30 Cze 2024 12:15 327 6
REKLAMA
  • #1 21137659
    euromissile
    Poziom 2  
    Witam, potrzebuję schematu przewodów hamulca ręcznego Laguna 2 ph2. Konkretnie, który przewód w kostce pod siedzeniami odpowiada przewodowi w kostce do modułu hamulca ręcznego.
  • REKLAMA
  • #2 21137663
    olo-eu

    Poziom 26  
    Za mało danych żeby to podać, potrzebny minimum VIN
  • REKLAMA
  • #3 21137684
    euromissile
    Poziom 2  
    Aż tak? W ostateczności myślałem że kupię jakąś wiązkę podłącze i będzie działać 🤔
    VIN
    VF1KG1PBE34700528
  • REKLAMA
  • #4 21137692
    milejow
    Poziom 43  
    euromissile napisał:
    W ostateczności myślałem że kupię jakąś wiązkę podłącze i będzie działać 🤔

    Jaką wiązkę i do czego chcesz ją podłączyć?
  • #5 21137703
    euromissile
    Poziom 2  
    Zdechl mi reczny. Ugnily piny i zostały w kostce tej co pod autem wchodzi do modułu recznego. Kupiłem kostkę z kablami z myślą przelutowania ale dałem d.upy bo nie spojrzałem od razu że są 2 zielone 2 brązowe 2 białe itp i odciąłem cała kostkę 😉 później już było za późno. Wyciągnąłem kostkę pod siedzeniami ale rozmieszczenie pinów nie pokrywa się jeden do jednego z kostna pod autem i potrzebował bym schemat który nr pin w kostce pod kanapa odpowiada numerowi pinu w kostce pod autem Ręka trzymająca wiązkę kabli z różnokolorowymi przewodami. Zdjęcie niebieskiej kostki elektrycznej z kablami w ręce.
  • REKLAMA
  • #7 21137723
    euromissile
    Poziom 2  
    Dzięki śliczne 💪💪💪💪
REKLAMA