Witam. Jakiś czas temu kupiłem radio CB President Johnny 2 ASC. Używałem go sporadycznie i dość krótko, aby wykryć pewną usterkę, która objawiła się następująco, że po załączeniu radia przez pewien czas było wszystko OK, po czym następował powolny spadek szumu odbiornika do tego stopnia, że po podkręceniu głośności na maksimum nie było już słychać szumu radia z wpiętą anteną. Po czym zaczęły pojawiać się samoistnie trzaski podobne do tych, jakby był niesprawny potencjometr; te trzaski były/są nawet wtedy, gdy antena jest odłączona lub potencjometr "RF gain" jest skręcony na minimum. Oczywiście potencjometry są w najlepszym porządku.
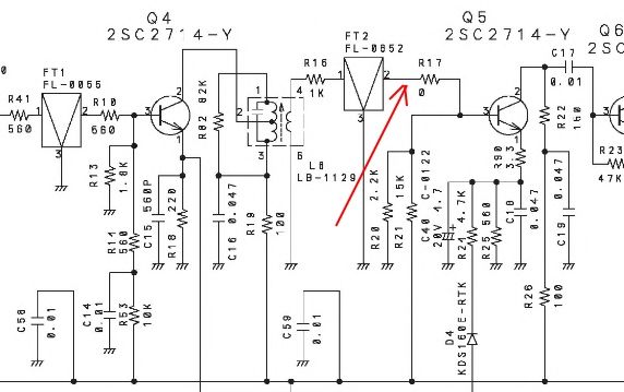
Co może być oznaką tego typu zachowania radia? Czy to może być uszkodzony filtr pośredniej FT2 CQ S455HT?
Pierwsza moja myśl, że może jakieś zimne luty, przepatrzyłem płytkę drukowaną, ale na oko nie znalazłem.
Pomierzyłem wartości napięć tranzystorów Q4, Q5, Q6, Q7, szczególnie Q5, bo to I wzmacniacz II pośredniej. I na nim wartości na bazie przedstawiały się tak, że na początku po uruchomieniu do pojawienia się spadku szumów radia zmieniały się napięcia od powyżej 0,7 V do ok. 0,58 V.
Dodam też, że nadajnik jak i modulacja są OK.
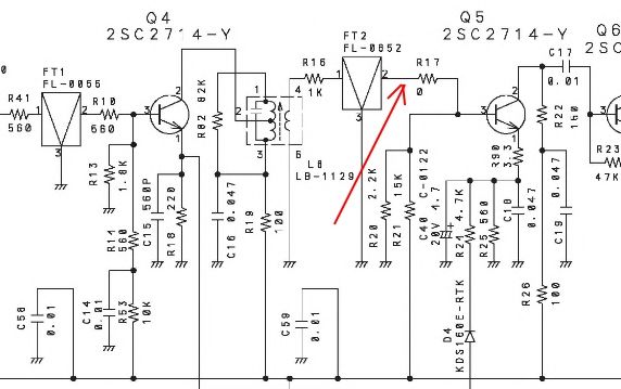
Co może być oznaką tego typu zachowania radia? Czy to może być uszkodzony filtr pośredniej FT2 CQ S455HT?
Pierwsza moja myśl, że może jakieś zimne luty, przepatrzyłem płytkę drukowaną, ale na oko nie znalazłem.
Pomierzyłem wartości napięć tranzystorów Q4, Q5, Q6, Q7, szczególnie Q5, bo to I wzmacniacz II pośredniej. I na nim wartości na bazie przedstawiały się tak, że na początku po uruchomieniu do pojawienia się spadku szumów radia zmieniały się napięcia od powyżej 0,7 V do ok. 0,58 V.
Dodam też, że nadajnik jak i modulacja są OK.
