logo elektroda
logo elektroda
X
logo elektroda
REKLAMA
REKLAMA
Adblock/uBlockOrigin/AdGuard mogą powodować znikanie niektórych postów z powodu nowej reguły.

[Rozwiązano] AUDI TT 2000 1.8T Quattro - Brak komunikacji z ECU, silnik nie odpala

GregIRL77 14 Lip 2024 21:33 564 9
REKLAMA
  • #1 21154695
    GregIRL77
    Poziom 2  
    Witam, posiadam AUDI TT 2000 r, silnik AJQ 1.8T 180KM Quattro, problem jest taki że samochód nie odpala.
    Sterownik był sprawdzony, na stole jest komunikacja, wywalone IMMO.
    Nowe oryginalne przekaźniki, bezpieczniki sprawdzone, wszędzie jest ok.
    Akumulator 12.34V
    sprawdziłem napięcia na ECU i wtyczkach:
    Pin 3 - 12.34V
    Pin 62 - 12.34V
    Pin 21 - 12.34V
    Pin 1 i 2 - 0.01V
    Pin 98 - 5.02V na ECU i 5.02V na czujniku położenia wałka rozrządu
    Pompa paliwa pracuje od razu po przekręceniu kluczyka w stacyjce, silnik kręci jak szalony.
    po podpięciu skanera diagnostycznego mam wszystkie moduły (abs, airbag, moduł komfortu itp itd, łącznie z instrument cluster - 17) ale nie mam komunikacji z ECU - Engine module.
    wyciągnąłem całą wiązkę z auta na stół i sprawdziłem przejścia, wszystko wygląda ok.
    czy możliwe jest że licznik jest uszkodzony i auto przez to nie odpala? zabrakło mi już pomysłów na to auto.

    Numery zegarów to: 8N2920910C produkcja Jager, wiem że one były awaryjne.

    Będę wdzięczny za każdą radę i pomysł, pozdrawiam Grzegorz
  • REKLAMA
  • #2 21154752
    Ireneo
    Poziom 42  
    Napięcie mierzymy żarówką nie miernikiem.Według schematu jak idzie komunikacja?
  • REKLAMA
  • #3 21154757
    GregIRL77
    Poziom 2  
    Ireneo napisał:
    Napięcie mierzymy żarówką, nie miernikiem. Według schematu, jak idzie komunikacja?


    Mam miernik, który obciąża układ - Snap On USA.
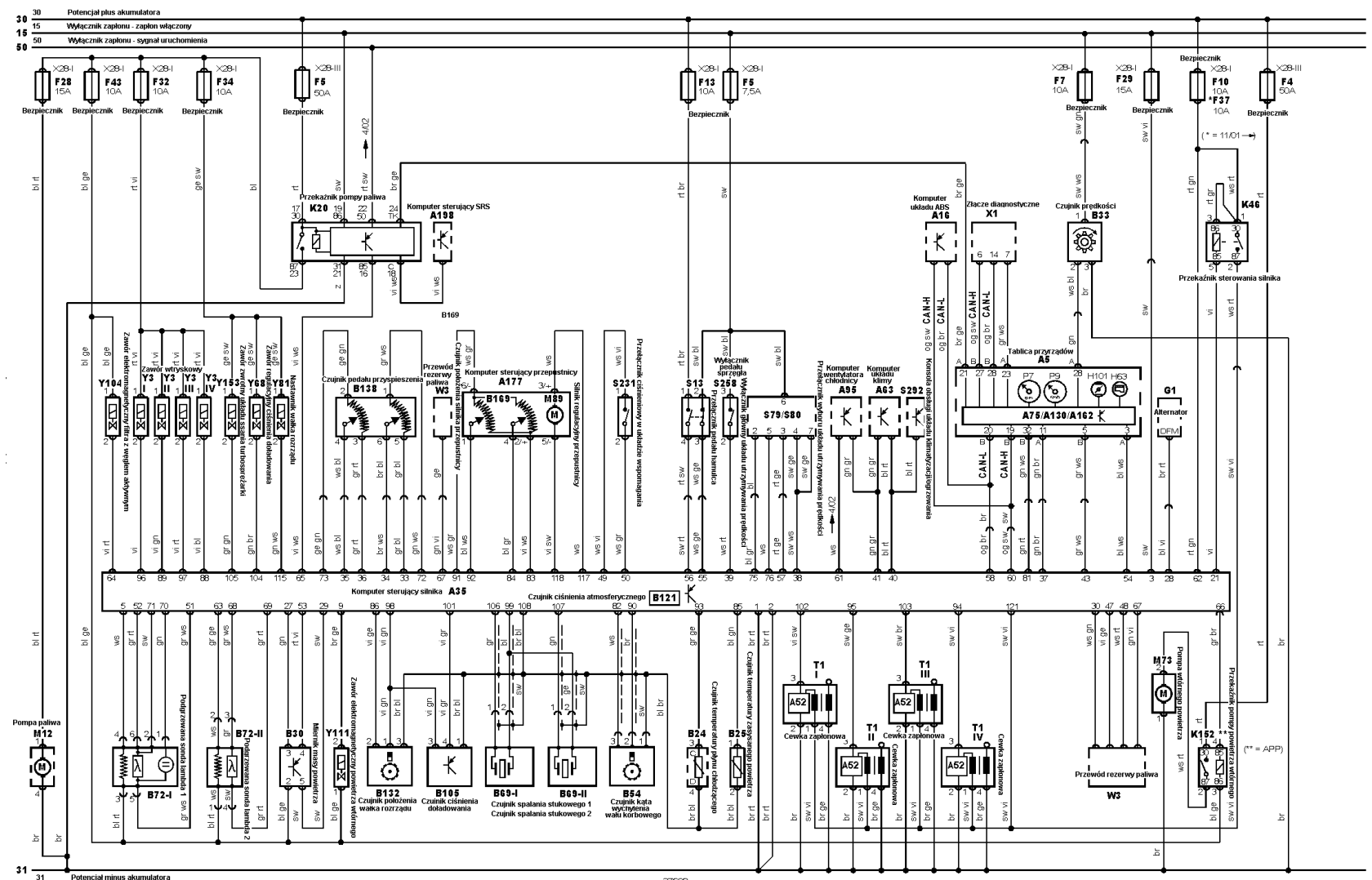
    Tak idzie komunikacja, przez zegary między OBD2 a ECU
    Schemat elektryczny komunikacji między OBD2 a ECU z opisem komponentów.
  • REKLAMA
  • #4 21154811
    piotrekwoj1
    Poziom 42  
    No to zegary do podmiany. Masz immo off więc powinien odpalić.
  • #5 21154813
    GregIRL77
    Poziom 2  
    piotrekwoj1 napisał:
    No to zegary do podmiany. Masz immo off więc powinien odpalić.


    Czyli dobrze wyczytałem, że tam ten chip w zegarach steruje całym autem tak?
  • REKLAMA
  • #6 21154815
    piotrekwoj1
    Poziom 42  
    Nie on niczym nie steruje ale poczekaj bo coś mi się nie zgadza. Skoro masz diagnostykę z ABS to linia diagnostyczna działa bo ABS jest na tej samej co ECU. Coś jest nie tak.
    Czym diagnozujesz to auto?
  • #7 21154821
    GregIRL77
    Poziom 2  
    piotrekwoj1 napisał:
    Nie on niczym nie steruje, ale poczekaj, bo coś mi się nie zgadza. Skoro masz diagnostykę z ABS, to linia diagnostyczna działa, bo ABS jest na tej samej co ECU. Coś jest nie tak.
    Czym diagnozujesz to auto?


    Vcds, launch, snap on solus :) każdy ze skanerów nie widzi ecu
  • #8 21154967
    piotrekwoj1
    Poziom 42  
    Podaj numery sterownika silnika.
  • #9 21155072
    GregIRL77
    Poziom 2  
    piotrekwoj1 napisał:
    Podaj numery sterownika silnika.


    8L0906018J


    Dodam ze przekopalem wiazke i dalej nic, wszystko wyglada na prawde dobrze jak na audi, chyba bedzie czas to zezlomowac.
  • #10 21166801
    GregIRL77
    Poziom 2  
    Polutowanie wiązki dało efekty, chociaż mam inny problem.
REKLAMA