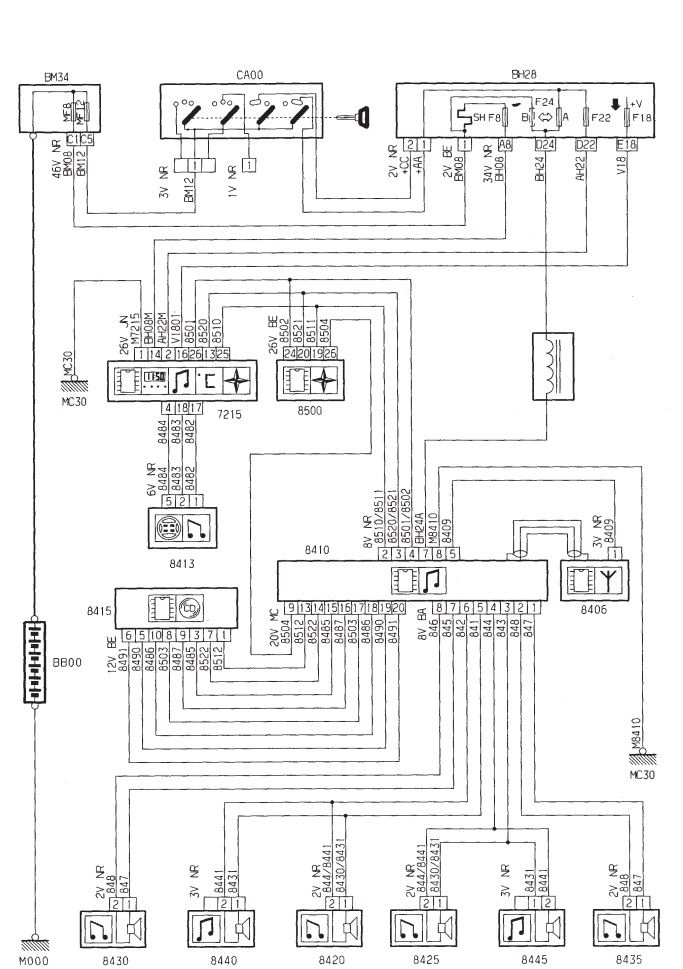
Dzień dobry
Chciałbym prosić Państwa o pomoc, mianowicie usiłuję znaleźć rozpiskę/schemat podłączenia "na krótko" wyświetlacza do 206'tki. Czy jest szansa na pomoc?
Wyświetlacz Jaegera, nr 09032219901, biała wtyczka 18pin, siedział w wersji przed liftingiem.
Kabelki na pinach nr: 1, 7, 8, 9, 10, 11, 12, 13, 14, 15, 16 i 18
W załączniku zdjęcia wyświetlacza, a także kostki.
Z góry serdecznie dziękuję za każdą cenną informację 🙂
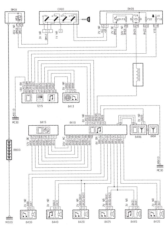
Chciałbym prosić Państwa o pomoc, mianowicie usiłuję znaleźć rozpiskę/schemat podłączenia "na krótko" wyświetlacza do 206'tki. Czy jest szansa na pomoc?
Wyświetlacz Jaegera, nr 09032219901, biała wtyczka 18pin, siedział w wersji przed liftingiem.
Kabelki na pinach nr: 1, 7, 8, 9, 10, 11, 12, 13, 14, 15, 16 i 18
W załączniku zdjęcia wyświetlacza, a także kostki.
Z góry serdecznie dziękuję za każdą cenną informację 🙂