Peugeot 307 SW 2.0 HDi 90kM RHY 2003r układ paliwowy Bosch
Kręci, nie odpala, okazuje się przepalony bezpiecznik nr 8 w skrzynce koło akumulatora.
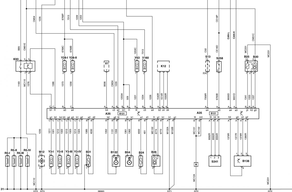
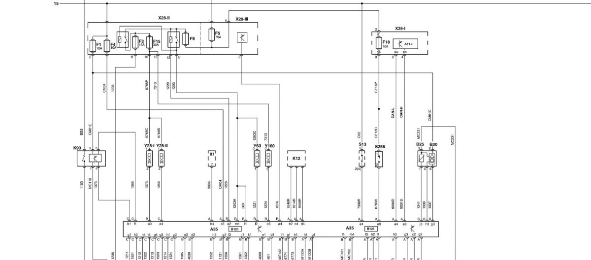
8. 20A Engine cooling fan relay, injection computer power supply circuit.
Czyli przekaźnik wentylatora oraz komputer wtrysku.
Dalej okazuje się, że zwarcie jest wewnątrz sterownika silnika (wypięcie wtyki jak na fotce usuwa zwarcie)
Z pomiarów wychodzi, że zwarcie jest na pinie 3H gniazda sterownika (biorę po uwagę tylko te grube piny)
Potrzebny pinout ale nie demontowałem jeszcze sterownika więc nie mam dokładnego typy tylko to co widać VAR: T5C2X FE 07 EDC15 83103696
Pytanie do biegłych w temacie, czy szukać nowego sterownika czy próbować naprawiać, jak to wygląda przy tak starym aucie.
Kręci, nie odpala, okazuje się przepalony bezpiecznik nr 8 w skrzynce koło akumulatora.
8. 20A Engine cooling fan relay, injection computer power supply circuit.
Czyli przekaźnik wentylatora oraz komputer wtrysku.
Dalej okazuje się, że zwarcie jest wewnątrz sterownika silnika (wypięcie wtyki jak na fotce usuwa zwarcie)
Z pomiarów wychodzi, że zwarcie jest na pinie 3H gniazda sterownika (biorę po uwagę tylko te grube piny)
Potrzebny pinout ale nie demontowałem jeszcze sterownika więc nie mam dokładnego typy tylko to co widać VAR: T5C2X FE 07 EDC15 83103696
Pytanie do biegłych w temacie, czy szukać nowego sterownika czy próbować naprawiać, jak to wygląda przy tak starym aucie.
