Obecność oczekiwanego napięcia na wyjściu zasilacza wcale nie oznacza, że on jest sprawny. W przypadku uszkodzenia kondensatora napięcie może być wciąż obecne i spadać dopiero po podłączeniu obciążenia. Tutaj właśnie pokażę taki przypadek wraz z krótkim testem i naprawą. Być może pozwoli to jakiemuś początkującemu uratować swój zasilacz.
Awaria została zgłoszona z opisem, że słychać było głośne pyknięcie a potem sprzęt zgasł. Nie wiemy, czy uszkodzony jest zasilacz czy odbiornik. Zaczynamy od zasilacza i badamy, czy wszystko z nim w porządku:
Zasilacz 5V, miernik pokazuje też 5V, to co, koniec? Niestety nie.
Jakbyśmy podłączyli go do odbiornika to zobaczymy, że odbiornik nie rusza. Okazuje się, że samo sprawdzenie napięcia bez obciążenia to za mało. Pora sprawdzić lepiej ten zasilacz. Trzeba mu dodać jakieś obciążenie, by pobierało z niego jakiś prąd podobny do docelowego urządzenia.
Do testów korzystam z:
Sztuczne obciążenie z zabezpieczeniami - LD25 - testy na różnych zasilaczach
Sztuczne obciążenie LD35 - czyżby mocniejsza wersja LD25? Porównanie płytek
... ale tak naprawdę starczy nawet zwykły odbiornik na 5V typu np. LED na USB.
Napięcie przy obciążeniu 0.00A (tylko prąd wyświetlacza) jest:
Natomiast po zwiększeniu do raptem 50mA napięcie spada już do 3.6V:
Przy większym prądzie spada jeszcze znaczniej:
Czyli jest bardzo źle...
Zajrzyjmy do środka. Co tam się mogło popsuć? Ja po opisie usterki (głośne pyknięcie) już chyba wiem. Zresztą, to widać też po objawach...
Jak na razie jest ok, to prosty zasilacz impulsowy, topologia flyback. Odstęp między stroną wtórną i pierwotną też wygląda w porządku, widzę nóżki transoptora (do regulacji napięcia - sprzężenie zwrotne):
Tu chyba też jest ok, ale czy ten kondensator nie jest za wysoki?
Tak! To ten kondensator wybuchnął. To jest kondensator na wyjściu zasilacza, on dość mocno "obrywa" impulsami napięcia i powinien być low ESR:
Możliwe, że też nagrzewanie się zasilacza przyśpieszyło jego wysychanie, trudno mi powiedzieć, ale wiem, że ten zasilacz ze sprzętem chodził z 4 lata.
Przy okazji zobaczymy budowę kondensatora:
Przy okazji można by też przeanalizować ten zasilacz...
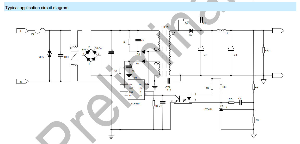
A więc zasilacz zbudowany jest dość nieźle - na początku jest bezpiecznik i są filtry przeciwzakłóceniowe:
Potem jest mostek prostowniczy z czterech diod, kondensator filtrujący na 400V:
Potem główny kontroler przetwornicy flyback ze zintegrowanym tranzystorem kluczującym wraz z gasikiem (D5, C3) na uzwojeniu pierwotnym oraz z układem zasilania z pomocnicznego uzwojenia (D6, C5).
Główny IC to SD6830:
Co ciekawe, jest przeznaczony też do zasilacza standby w ATXach.
Z jego noty wyczytamy też schemat (mniej więcej) naszego zasilacza:
Ale ok, patrzymy dalej - transoptor - on zachowuje izolacje pomiędzy stroną pierwotną a wtórną a jednocześnie pozwala nam wziąć z wtórnej sprzężenie zwrotne:
TL431 ("programowalna dioda Zenera") - napięcie odniesienia, doprecyzowuje napięcie na wyjściu zasilacza:
Dioda schottkiego prostująca wyjście z transformatora no i filtr po stronie wtórnej (kondensator + dławik + kondensator):
Teraz aż mam wrażenie, że ten kondensator się zużył szybciej bo go ta dioda Schottkiego nagrzewała...
Ok, to spróbujmy go teraz naprawić. Trzeba wylutować kondensator, pomoże w tym topnik.
Potem trzeba wyczyścić otwory - tu pomoże plecionka:
Warto sprawdzić też inne kondensatory. Wylutowałem oba. Mój ESR70 jednak pokazuje, że ten drugi jest w porządku. A uszkodzonego chyba nawet testować nie trzeba...
Opis ERS70: Miernik pojemności/ESR ESR70 - wnętrze, test, zasada działania na oscyloskopie
Na stanie mam już zamienniki. Mogą być na wyższe napięcie, o ile wejdą na wysokość. Pojemność też nie jest całkiem krytyczna. Ważne tylko, by to były prawdziwe low esr, a nie pierwsze lepsze...
Zrobione:
Finalny test - jest znacznie lepiej, co prawda spadek napięcia przy większych prądach trochę czuć, ale podejrzewam, że tak było i przed usterką.
Podsumowanie
Książkowy przypadek, ale może ktoś czegoś się nauczył. Jak widać, sam pomiar napięcia nie daje wiele. Trzeba sprawdzać pod obciążeniem. A sama naprawa też była łatwa, można jedynie jeszcze zapytać o koszt....
Z tego co znalazłem, to koszt kilku kondensatorów to kilka złotych:
Niestety sprawę psuje przesyłka, no ale:
- część z nas pewnie ma takie sklepy lokalnie
- niby jak robimy większe zamówienie to można dorzucić kondensatory np. do innych zakupów, spoiwa, plecionki
- albo część z nas po prostu ma już na stanie kondensatory kupione wcześniej...
- ... albo, jakby się uprzeć, to można by z innego zasilacza przelutować kondensator, nie z byle jakiego miejsca, tylko też low esr, tylko warto byłoby go wcześniej sprawdzić, sam do tego mam ESR70 ale nie jest to niezbędne
Dodam jeszcze informacyjnie, że zasilacz padł po około 4 latach gdzie w standby sprzęt chodził non stop a aktywnie pracował około 8 godzin dziennie.
A czy Wy naprawiacie też swoje zasilacze czy może jednak wolicie po prostu wyrzucić stary i kupić kolejny?
Fajne? Ranking DIY Pomogłem? Kup mi kawę.
