logo elektroda
logo elektroda
X
logo elektroda
REKLAMA
REKLAMA
Adblock/uBlockOrigin/AdGuard mogą powodować znikanie niektórych postów z powodu nowej reguły.

[Rozwiązano] Nissan Micra K12 2007 1.2 - Nie działa światło cofania mimo wymiany żarówki

guzik145 02 Wrz 2024 11:38 255 3
REKLAMA
  • #1 21212378
    guzik145
    Poziom 4  
    Witam.
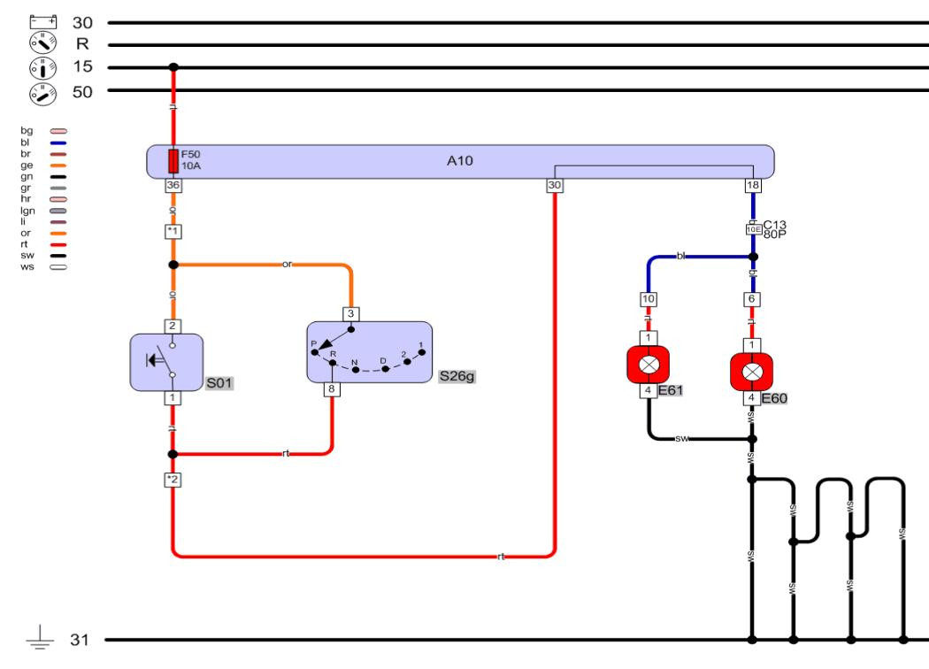
    Pacjent Nissan Micra k12 2007 1.2 65km.
    Przed przegladem okazało sie ze nie swieci wsteczne swiatełko, wymieniona zarówka i nic, podniosłem auto w kostce przy czujniku prąd jest (12v) zrobiłem zworke na stałe, ale swiatełko sie nie zapaliło.
    Czy po drodze jest jakiś przekażnik cookolwiek co może byc zepsute, czy nastawiać sie ze kabel jest gdzies przerąbany.
    W całej lampie tylko swiatło cofania nie działe, moduł lampy przejrzałem miernikiem i przejscia są.
    Tak mysle czy nie pociągnąć nowego kabla pod autem i przymocować go do przewodów hamulcowych, no bo jesli przewód jest gdzies trzasniety to jest szukanie igły w stogu siana.

    Pozdrawiam.
  • REKLAMA
  • #2 21212646
    johnny833
    Poziom 38  
    guzik145 napisał:
    Tak mysle czy nie pociągnąć nowego kabla pod autem i przymocować go do przewodów hamulcowych,

    Nie, bo to by było druciarstwo. Układ jest prosty, sprawdź czy na niebieskim kablu jest zasilanie po włączeniu wstecznego. Sprawdzaj probówka 12v nie miernikiem.
  • REKLAMA
  • #3 21213030
    guzik145
    Poziom 4  
    Problem tkwił we wtyczce do lampy, po mocniejszym dociśnięciu nagle lampka zaświeciła,
  • #4 21213032
    guzik145
    Poziom 4  
    Wtyczkę docisnąłem trytytką i na razie działa, potem będziemy się martwić co dalej.
REKLAMA