logo elektroda
logo elektroda
X
logo elektroda
REKLAMA
REKLAMA
Adblock/uBlockOrigin/AdGuard mogą powodować znikanie niektórych postów z powodu nowej reguły.

[Rozwiązano] Programator Sinotimer - styki zwarte w każdym trybie pracy , brak schematu,

makar42 07 Wrz 2024 09:30 126 5
REKLAMA
  • #1 21217991
    makar42
    Poziom 16  
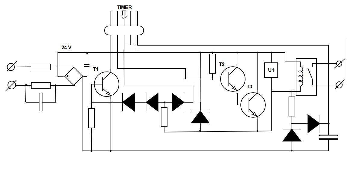
    Posiadam programator czasowy Sinotimer, który działa niepoprawnie i do którego niestety nie posiadam schematu. Timer ten posiada 3 tryby pracy: ON, Auto, OFF, wybierane manualnie, a wada działania polega na tym, że niezależnie od wybranego trybu, styki robocze są zwarte. Z braku schematu, odtworzyłem układ z "natury" (mam nadzieję, że bez pomyłek), co prezentuję na zał. szkicu.
    Może trochę o zmierzonych napięciach w poszczególnych trybach pracy na kolektorze T1: ON-0V, Auto - 24V lub 0V, OFF- 24V. Jako że cewka przekaźnika jest jednym końcem podłączona do +24V, to wg mojego poglądu, na drugim końcu cewki napięcie powinno zmieniać się od niskiego do wysokiego, (w zależności od wybranego trybu), a to napięcie we wszystkich trybach ma wartość ok. 5V. Czy moje rozumowanie jest słuszne, jeśli tak, co gdzie szukać przyczyny.
  • REKLAMA
  • #2 21218105
    gumisie
    Poziom 43  
    Co to jest za element połączony równolegle z cewką przekaźnika, na rysunku oznaczony jako U1?

    Podeślij jakieś zdjęcia tego programatora.
  • REKLAMA
  • #3 21218162
    makar42
    Poziom 16  
    Przesyłam fotki. To co ja na schemacie oznaczyłem U1, na fotce jest U2. Są jeszcze U3 i U4 (u mnie oznaczone jako diody bo tak wyglądają. Trzeba by mieć oryginalny schemat ... Cyfrowy programator czasowy SINOTIMER z wyświetlaczem i przyciskami. Zdjęcie płytki drukowanej z komponentami elektronicznymi oznaczonymi jako U2, U3, U4 oraz kilkoma diodami i rezystorami.
  • REKLAMA
  • #4 21218250
    gumisie
    Poziom 43  
    makar42 napisał:
    To co ja na schemacie oznaczyłem U1

    Ok. Jest to dioda.
    Sprawdziłeś czy styki przekaźnika działają poprawnie?
    Może są "sklejone"?
  • REKLAMA
  • #5 21218264
    makar42
    Poziom 16  
    Urządzenie składa się z dwóch części: moduł elektroniki i część zegarowa, której praca jest podtrzymywana wlutowaną bateryjką. Po rozdzieleniu tych części (brak napięcia na cewce przekaźnika), jego styki główne rozwierają się.

    Urządzenie elektroniczne z widocznym modułem i częścią zegarową połączone przewodami.
  • #6 21233227
    makar42
    Poziom 16  
    Po wylutowaniu tranzystora T3 stwierdziłem w nim zwarcie C-B. Po wymianie, programator działa poprawnie.
    Zamyka temat.
REKLAMA