
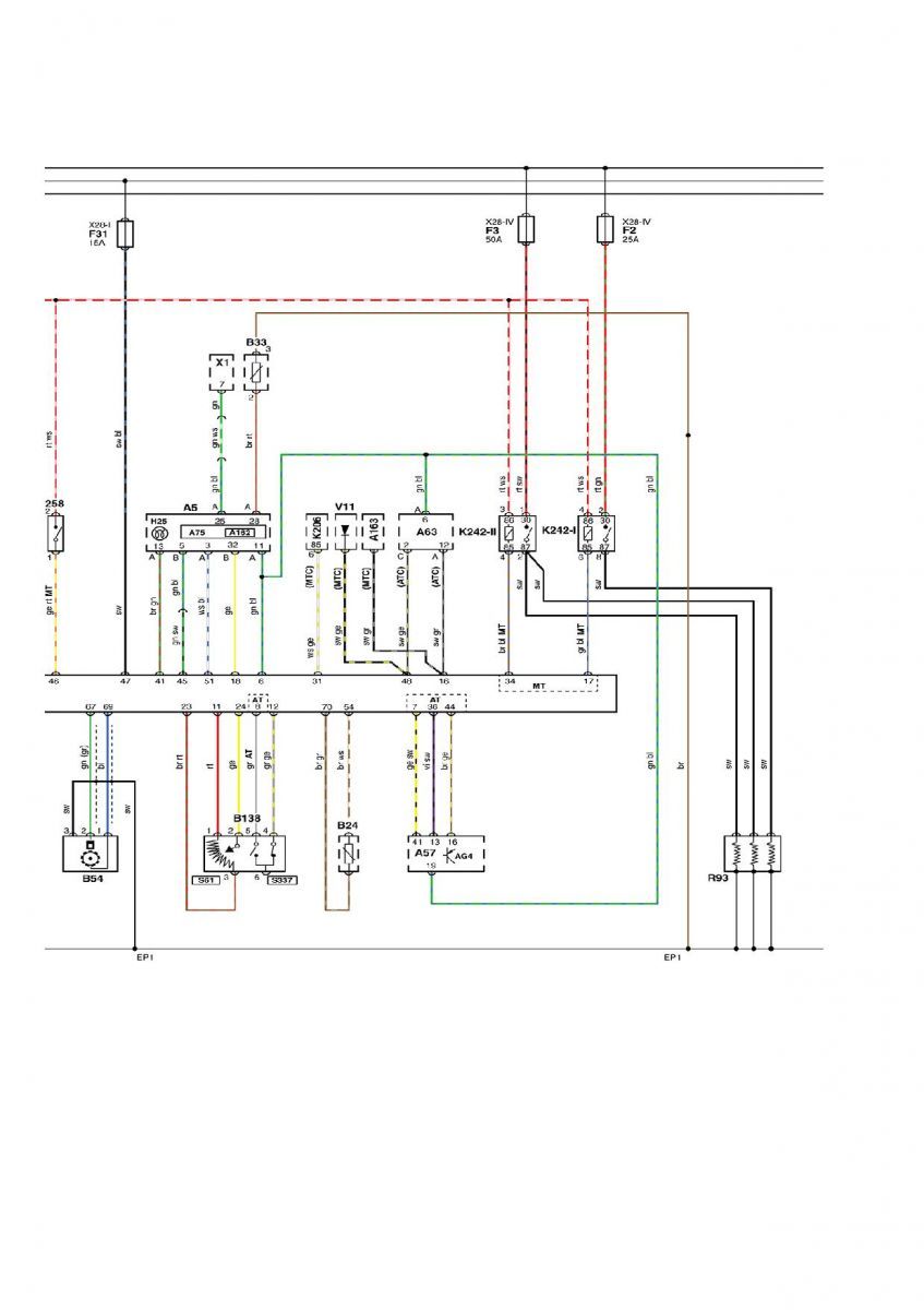
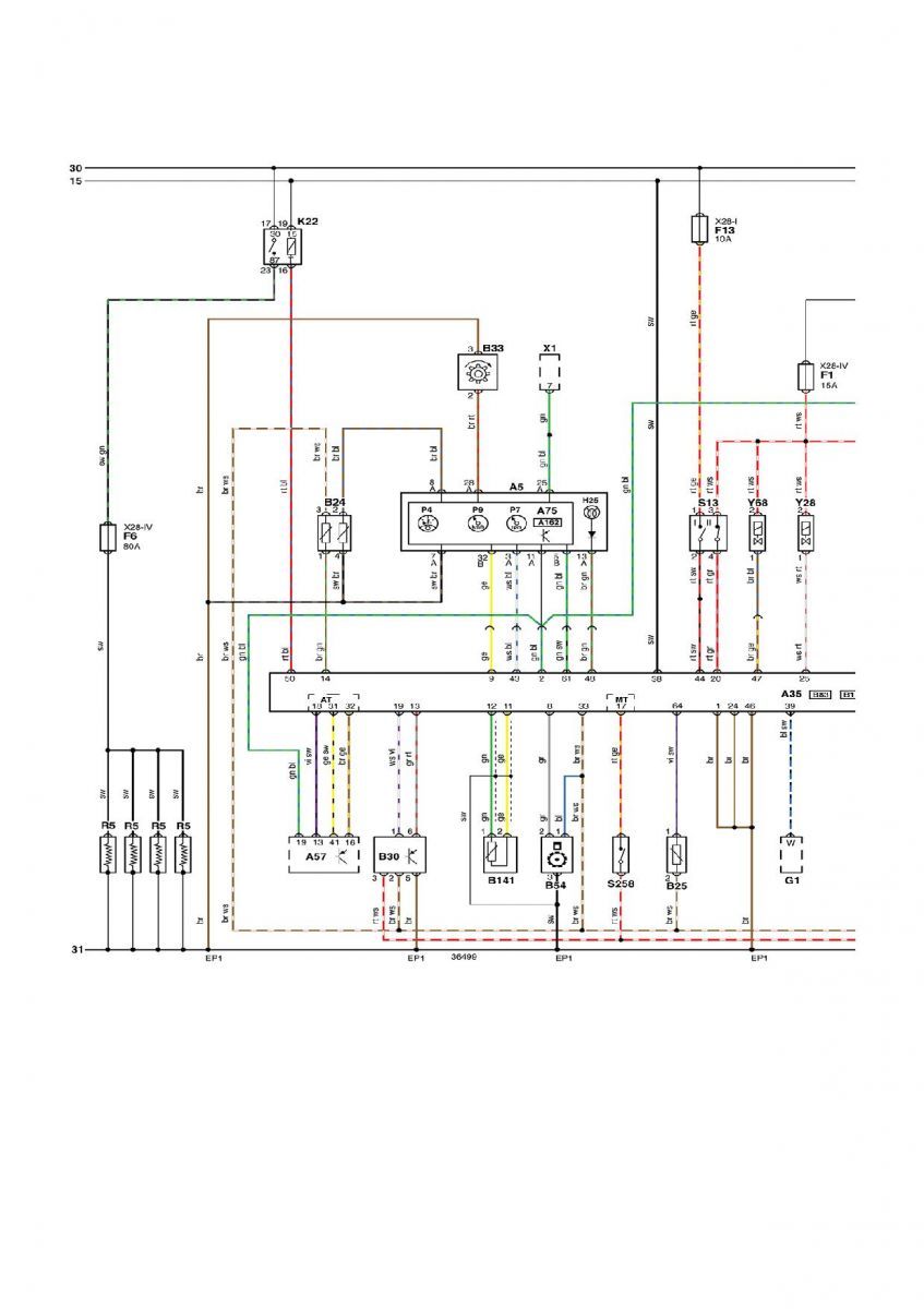
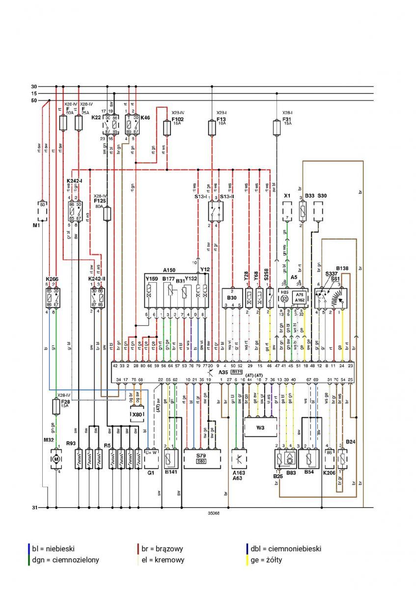
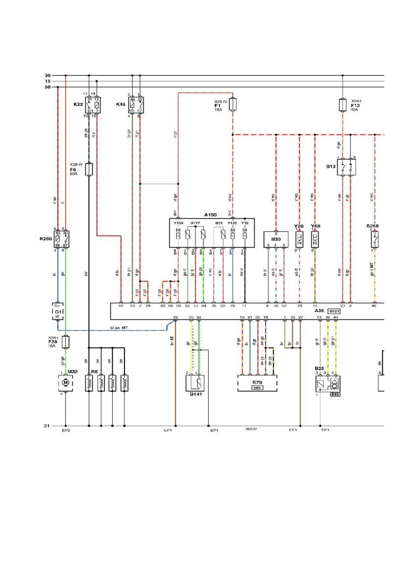
Silnik 1,6 JX VW Transporter T3 z 1984 r. I więcej pod te kostki nie trzeba podłączać oprócz sterowania gazem??Masa to brązowy kabel ??Mam tam jeszcze dwa grubaśne kable.Jeden był pod złączem nr.30( widocznym na obrazku) na listwie z przekażnikami obok przekładni kierowniczej a drugi zielony z czarnym paskiem pod przekażnikioem 370 .Takie same znajdują się w skrzynce z ecu. Czerwony kabel do złącza nr 30 wychodził spod bezpiecznika 80A ze skrzynki z ecu ,a ten zielony spod bezpiecznika 50A.Bezpiecznik 80A to na bank jest od świec żarowych, 25 A bezpiecznik jest od świec żarowych i płynu chłodzącego i ten zielony z paskiem od 2 bezpiecznika świecy żarowej i płynu chłodzącego.Są dwa bezpieczniki od płynu ponieważ w zależności od temp ma załączać 1 lub 3 świece żarowe.Tylko że to ma być podłączone pod nagrzewnicę na 3 biegu i jak się włączy nadmuch na 3 bieg to to ma załączać te świece.Tyle wiem teorytycznie jak to ma banglać,gorzej z praktyką, ale tym będę się przejmował pożniej. Chyba dobrze myślę żeby te dwa kable czerwony i zielony z czarnym paskiem podpiąć pod + który idzie na oryginalny przekażnik świec żarowych w busie ,a brązowy kabel na oczko 6 pod masę na budzie.Do tego jeszcze z tych kostek popodpinać grube kable na stały + ?? Dobrze ja to rozumuję?? No i jeszcze jeden mały problem z wysterowaniem ecu z sygnału od żarówki stop. Który to będzie kabel??i jak to zrobić.
A jeszcze zapytam. Gdybym podłączył świece żarowe pod oryginalny przekażnik od T3 ,to silnik powinien chyba normalnie odpalać?? Nie miało by to chyba wpływu na pracę sterownika pompy wtryskowej ??