POLO 6n 1,4 APQ Błąd 00519- Czujnik ciśnienia w kolektorze ssącym (g71) 30-00 Przerwa/ zwarcie z plusem
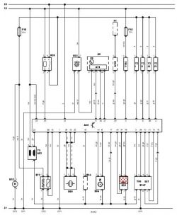
Witam, od tygodnia mam problem z swoją polówką, a mianowicie podczas jazdy przeważnie na 5 biegu (ale i na niższych się zdarzało) nagle zaczynało przerywać, zgasło, potem były problemy z odpaleniem, ale za którymś razem odpalił... Podpiłem się VCDS-em i miałem ten błąd i tylko ten Błąd 00519- Czujnik ciśnienia w kolektorze ssącym (g71) 30-00 Przerwa/ zwarcie z plusem. Tego samego dnia przemierzyłem wiązkę wtyk 3 (zielono-fioletowy) i 4 (żółto-czarny) wg. serwisu oporność przewodu nie może przekroczyć 1,5 Ohma, a ja mam 0,3 Ohma na obydwu przewodach... Pin 3 w czujniku to pin 37 w kostce sterownika, a 4 to pin 18 w kostce sterownika... Do tego jeszcze sprawdzałem żarówką H7, czy na pewno pod wpływem większego obciążenia nie straci się "sygnał", nie stracił się, stwierdziłem, iż przewody są zdrowe, więc wziąłem się za czujnik, wymieniłem go na nowy z Boscha... Skasowałem błąd i wracałem do domu z pracy ok. 20 km i nic, ale gdy wybrałem się dalej i wjechałem na obwodnicę, nagle straciłem gaz pod butem, zgasiłem go i znów problem z odpaleniem, tylko że potem to jak fatum, bo jak odpaliłem go, to potem co 100 metrów robił to samo, ledwo umiałem zjechać w jakieś miejsce, gdzie spokojnie bym go zatrzymał i sprawdził... Odczekałem godzinę i odpalił na strzała i dojechałem bocznymi uliczkami do domu i nic się nie działo... Znów odczytałem błędy i ten sam błąd... Załamałem się... Dziś znów wziąłem się za wiązkę, nie całą, bo szczerze nie chce mi się wierzyć, że to coś z wiązką, dodam tylko, że wszystkie styki w kostkach przy czujniku, sterowniku silnika oraz koło silnika nad skrzynią biegów też jest kostka, było ok... Zastanawiam się, bo ten czujnik ciśnienia w kolektorze ssącym jest razem z czujnikiem temperatury i kabel niebiesko-brązowy łączy się z czujnikami takimi jak: czujnik płynu, wychylenia wału korbowego oraz przez rozdzielacz zapłonu i nastawnik biegu jałowego, czy może któryś z tego zakłóci jakiś sygnał... Nie wiem, biorę wszystko już pod uwagę... Zrobić "bajpas" na tych dwóch przewodach, bo gdzieś jest minimalnie połamany któryś i traci sygnał???. Tracę się już, pomóżcie, bo już nie wiem... Dodaję schemat (Czerwone kratki czujnik G71)
Witam, od tygodnia mam problem z swoją polówką, a mianowicie podczas jazdy przeważnie na 5 biegu (ale i na niższych się zdarzało) nagle zaczynało przerywać, zgasło, potem były problemy z odpaleniem, ale za którymś razem odpalił... Podpiłem się VCDS-em i miałem ten błąd i tylko ten Błąd 00519- Czujnik ciśnienia w kolektorze ssącym (g71) 30-00 Przerwa/ zwarcie z plusem. Tego samego dnia przemierzyłem wiązkę wtyk 3 (zielono-fioletowy) i 4 (żółto-czarny) wg. serwisu oporność przewodu nie może przekroczyć 1,5 Ohma, a ja mam 0,3 Ohma na obydwu przewodach... Pin 3 w czujniku to pin 37 w kostce sterownika, a 4 to pin 18 w kostce sterownika... Do tego jeszcze sprawdzałem żarówką H7, czy na pewno pod wpływem większego obciążenia nie straci się "sygnał", nie stracił się, stwierdziłem, iż przewody są zdrowe, więc wziąłem się za czujnik, wymieniłem go na nowy z Boscha... Skasowałem błąd i wracałem do domu z pracy ok. 20 km i nic, ale gdy wybrałem się dalej i wjechałem na obwodnicę, nagle straciłem gaz pod butem, zgasiłem go i znów problem z odpaleniem, tylko że potem to jak fatum, bo jak odpaliłem go, to potem co 100 metrów robił to samo, ledwo umiałem zjechać w jakieś miejsce, gdzie spokojnie bym go zatrzymał i sprawdził... Odczekałem godzinę i odpalił na strzała i dojechałem bocznymi uliczkami do domu i nic się nie działo... Znów odczytałem błędy i ten sam błąd... Załamałem się... Dziś znów wziąłem się za wiązkę, nie całą, bo szczerze nie chce mi się wierzyć, że to coś z wiązką, dodam tylko, że wszystkie styki w kostkach przy czujniku, sterowniku silnika oraz koło silnika nad skrzynią biegów też jest kostka, było ok... Zastanawiam się, bo ten czujnik ciśnienia w kolektorze ssącym jest razem z czujnikiem temperatury i kabel niebiesko-brązowy łączy się z czujnikami takimi jak: czujnik płynu, wychylenia wału korbowego oraz przez rozdzielacz zapłonu i nastawnik biegu jałowego, czy może któryś z tego zakłóci jakiś sygnał... Nie wiem, biorę wszystko już pod uwagę... Zrobić "bajpas" na tych dwóch przewodach, bo gdzieś jest minimalnie połamany któryś i traci sygnał???. Tracę się już, pomóżcie, bo już nie wiem... Dodaję schemat (Czerwone kratki czujnik G71)