Dzień dobry - bardzo proszę o pomoc.
Jaguar XJ x308 v8,rok 2000.
Coś się poluzowało lub jest niedokręcone i dramatycznie puka pod kokpitem/za panelem radia. ;(
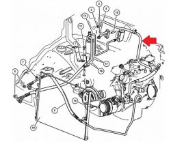
Szukam schematu/rysunku prezentującego rozmieszczenie (umiejscowienie): klimatyzacji, wymiennika ciepła, przewody do klimy wewnętrzne (usytuowanie), nagrzewnicy, szyby wentylacyjne, silnik dmuchawy, przepustnica nawiewu... Przykład w załączniku
Dziękuję i pozdr, SW.

Jaguar XJ x308 v8,rok 2000.
Coś się poluzowało lub jest niedokręcone i dramatycznie puka pod kokpitem/za panelem radia. ;(
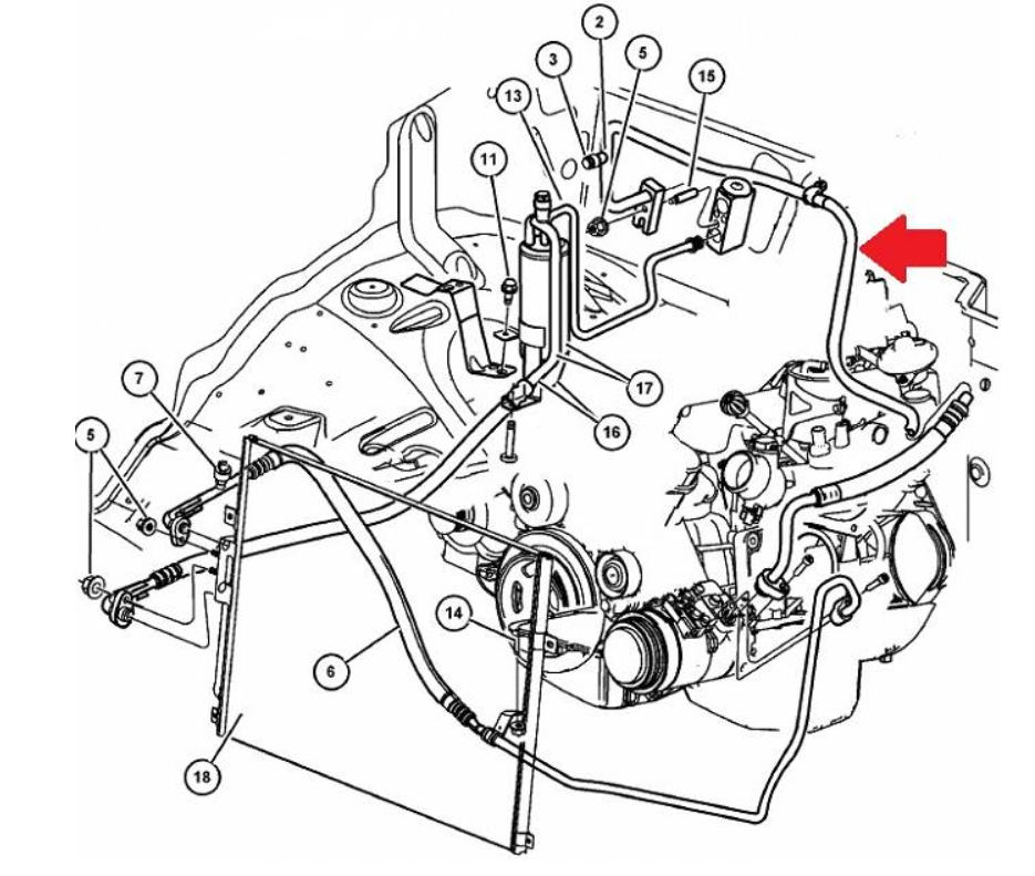
Szukam schematu/rysunku prezentującego rozmieszczenie (umiejscowienie): klimatyzacji, wymiennika ciepła, przewody do klimy wewnętrzne (usytuowanie), nagrzewnicy, szyby wentylacyjne, silnik dmuchawy, przepustnica nawiewu... Przykład w załączniku
Dziękuję i pozdr, SW.