Witam.
pacjent: Peugeot 307SW 2004 2.0 HDI 90KM (10123)
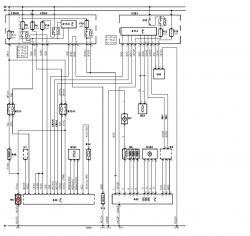
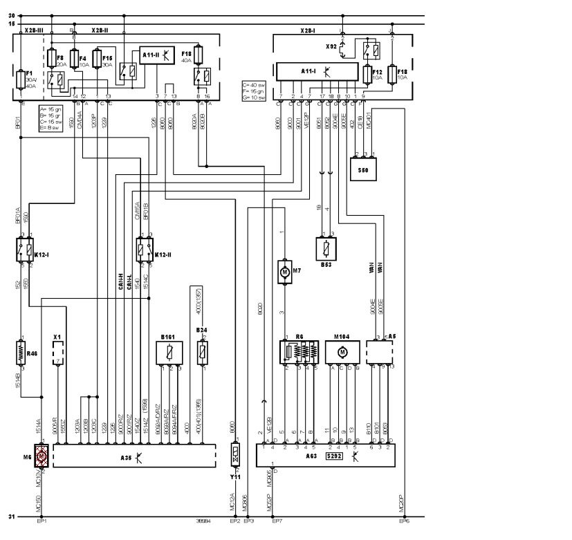
2 dni temu po powrocie do samochodu po około 1 godzinie okazało się że nie odpala. Transmiter FM pokazał 9V na akumulatorze. Po wyjęciu i zawiezieniu do domu napięcie wzrosło do 11V ( czyli aku był czymś obciążony). Po naładowaniu (przyjął jakieś 30Ah) i zamontowaniu auto odpaliło i przejechało ok 15km do domu. Po zamknięciu auta pilotem pobór prądu spadł do około 100mA (miernik cęgowy) Po paru godzinach przy próbie odpalenia już w pozycji zapłon usłyszałem głośną pracę wentylatora na chłodnicy. Po przekręceniu I->0->I znowu to samo. Po zdjęciu i założeniu klemy "+" kolejne próby odpalenia OK (bez pracującego wentylatora). Po przekopaniu internetu znalazłem schemat na którym są 2 przekaźniki i rezystor dmuchawy sterowane BSM (góra) i ECU (dół). Namierzyłem w BSM F4 i F8 i był plan aby je wyjąć (aby wykluczyć wadliwe sterowanie cewkami przekaźników przez ECU) przy następnym odpaleniu się wiatraka przed uruchomieniem silnika ale mimo kilkunastu prób wiatrak się nie odpalił. Ponieważ dysponuję tylko osiedlowym parkingiem (nie całym
) nie uśmiechało mi się zdejmowanie zderzaka (tym bardziej że cześć mocowań popękane/zjadła rdza). Na szczęście udało się odchylić czarny plastik przy zamku i wyjąć szarą kostkę z drutem oporowym. Po otwarciu kostki okazało się że zawiera ona 2 przekaźniki na PCB. Czyli kostka to K12-I + K12-II +R46 ze schematu. Wyczyściłem wnętrze i konektory KONTAKT-S-em, złożyłem i zamontowałem w aucie. Jeden z terminali wtyczki 2 pinowej jest połączony (przez MAXi Fuse-a) z dodatnią klemą aku. Złacza 4 pinowego nie rozpracowałem.
Ponieważ sam silnik jest głośny nie zwracałem wcześniej uwagi na odgłos wiatraka tym bardziej że wskazówka temperatury silnika rzadko zbliżała się do 90 stopni.
2 dni przed awarią auto było na myjni - BSM i BSI wyglądają na suche.
ELM i Torque nie pokazują błędów.
1. Przy jakiej temperaturze wiatrak powinien ruszyć?
2. Może ma ktoś schemat bardziej aktualny do mojej wersji (10123)
3. Jakieś pomysły, sugestie?
Dziś przejechałem ok 10km. Temperatura nie przekroczyła 80 stopni, wiatrak ani drgnął (przy sprawdzaniu co 2-3km).


pacjent: Peugeot 307SW 2004 2.0 HDI 90KM (10123)
2 dni temu po powrocie do samochodu po około 1 godzinie okazało się że nie odpala. Transmiter FM pokazał 9V na akumulatorze. Po wyjęciu i zawiezieniu do domu napięcie wzrosło do 11V ( czyli aku był czymś obciążony). Po naładowaniu (przyjął jakieś 30Ah) i zamontowaniu auto odpaliło i przejechało ok 15km do domu. Po zamknięciu auta pilotem pobór prądu spadł do około 100mA (miernik cęgowy) Po paru godzinach przy próbie odpalenia już w pozycji zapłon usłyszałem głośną pracę wentylatora na chłodnicy. Po przekręceniu I->0->I znowu to samo. Po zdjęciu i założeniu klemy "+" kolejne próby odpalenia OK (bez pracującego wentylatora). Po przekopaniu internetu znalazłem schemat na którym są 2 przekaźniki i rezystor dmuchawy sterowane BSM (góra) i ECU (dół). Namierzyłem w BSM F4 i F8 i był plan aby je wyjąć (aby wykluczyć wadliwe sterowanie cewkami przekaźników przez ECU) przy następnym odpaleniu się wiatraka przed uruchomieniem silnika ale mimo kilkunastu prób wiatrak się nie odpalił. Ponieważ dysponuję tylko osiedlowym parkingiem (nie całym
Ponieważ sam silnik jest głośny nie zwracałem wcześniej uwagi na odgłos wiatraka tym bardziej że wskazówka temperatury silnika rzadko zbliżała się do 90 stopni.
2 dni przed awarią auto było na myjni - BSM i BSI wyglądają na suche.
ELM i Torque nie pokazują błędów.
1. Przy jakiej temperaturze wiatrak powinien ruszyć?
2. Może ma ktoś schemat bardziej aktualny do mojej wersji (10123)
3. Jakieś pomysły, sugestie?
Dziś przejechałem ok 10km. Temperatura nie przekroczyła 80 stopni, wiatrak ani drgnął (przy sprawdzaniu co 2-3km).
