Witam forumowiczów
Mam uszkodzony układ (wsad?) Atmega 16L w obudowie TQFP/MLF na płytce drukowanej. Posiadam również drugą identyczną płytkę z tym układem , która pracuje prawidłowo. Uszkodzenie zdiagnozowałem poprzez przelutowanie go z jednej do drugiej.
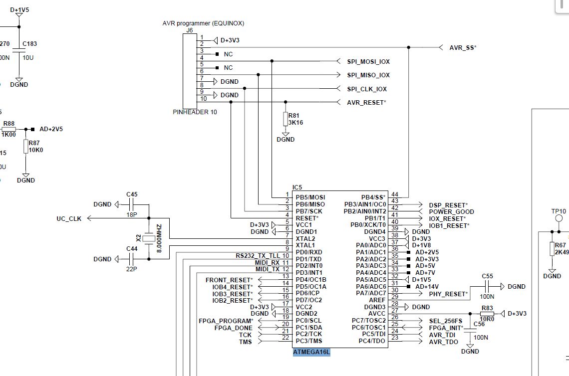
Na płytce drukowanej jest 10 pinowe złącze do programatora.
Czy można w prosty sposób zrobić backup (wsad) z działającego układu i zaprogramować nowy ewentualnie przeprogramować niedziałający?
Ewentualnie czy ktoś z forum mógłby podjąć się tego?
Ja jestem elektronikiem a z programowaniem miałem do czynienia tylko z eepromami.
Poniżej fragment schematu PCB z Atmeg-ą.
Pozdrawiam

Mam uszkodzony układ (wsad?) Atmega 16L w obudowie TQFP/MLF na płytce drukowanej. Posiadam również drugą identyczną płytkę z tym układem , która pracuje prawidłowo. Uszkodzenie zdiagnozowałem poprzez przelutowanie go z jednej do drugiej.
Na płytce drukowanej jest 10 pinowe złącze do programatora.
Czy można w prosty sposób zrobić backup (wsad) z działającego układu i zaprogramować nowy ewentualnie przeprogramować niedziałający?
Ewentualnie czy ktoś z forum mógłby podjąć się tego?
Ja jestem elektronikiem a z programowaniem miałem do czynienia tylko z eepromami.
Poniżej fragment schematu PCB z Atmeg-ą.
Pozdrawiam
