logo elektroda
logo elektroda
X
logo elektroda
REKLAMA
REKLAMA
Adblock/uBlockOrigin/AdGuard mogą powodować znikanie niektórych postów z powodu nowej reguły.

Toyota Auris 2018 Hybrid - lokalizacja przekaźników do grzanych foteli

ormowiec 16 Paź 2024 23:41 276 4
REKLAMA
  • #1 21266065
    ormowiec
    Poziom 11  
    Samochód to Auris 2018 Hybryda.
    Zakładam grzane fotele. W aucie znalazłem istniejącą instalację więc podłączyłem przyciski. Po włączeniu zapalają się kontrolki na przyciskach, jednak na kostkach pod fotelami nie dochodzi napięcie.
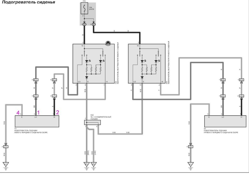
    Bezpieczniki na miejscu, sprawdzone. Znalazłem schemat (kolory itd. zgadzają się). Są na nim przekaźniki, podejrzewam że w aucie ich nie ma. W związku z tym pytanie gdzie w tym aucie powinny być przekaźniki od grzanych foteli?
  • REKLAMA
  • #2 21266349
    tomek12431243
    Poziom 3  
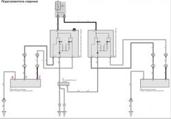
    Schemat może pomoże, ja tam nie widzę przekaźnika. Schemat elektryczny podgrzewania siedzeń bez widocznego przekaźnika.
  • REKLAMA
  • #3 21270786
    ormowiec
    Poziom 11  
    Ten schemat który ja wrzuciłem wygląda na właściwy, na Twoim nie zgadzają się kolory przewodów przy przełącznikach. Na moim tak.
    Na foto przeł. kierowcy.
    Zbliżenie na złącze elektryczne z niebieskim i białym wtykiem oraz przewodami w wiązce.

    Widzę że przewody z przełączników idą wiązką razem z pozostałymi przełącznikami z panelu wybieraka biegów gdzieś do przodu auta
  • REKLAMA
  • #4 21270887
    William Bonawentura
    Poziom 34  
    >>21266065

    W samochodzie z kierownica po lewej stronie skrzynka z przekaźnikami oraz bezpiecznikami od podgrzewania znajduje się w komorze silnika w okolicy mocowania kielicha prawego amortyzatora.
  • #5 21274638
    ormowiec
    Poziom 11  
    Temat ogarnięty.
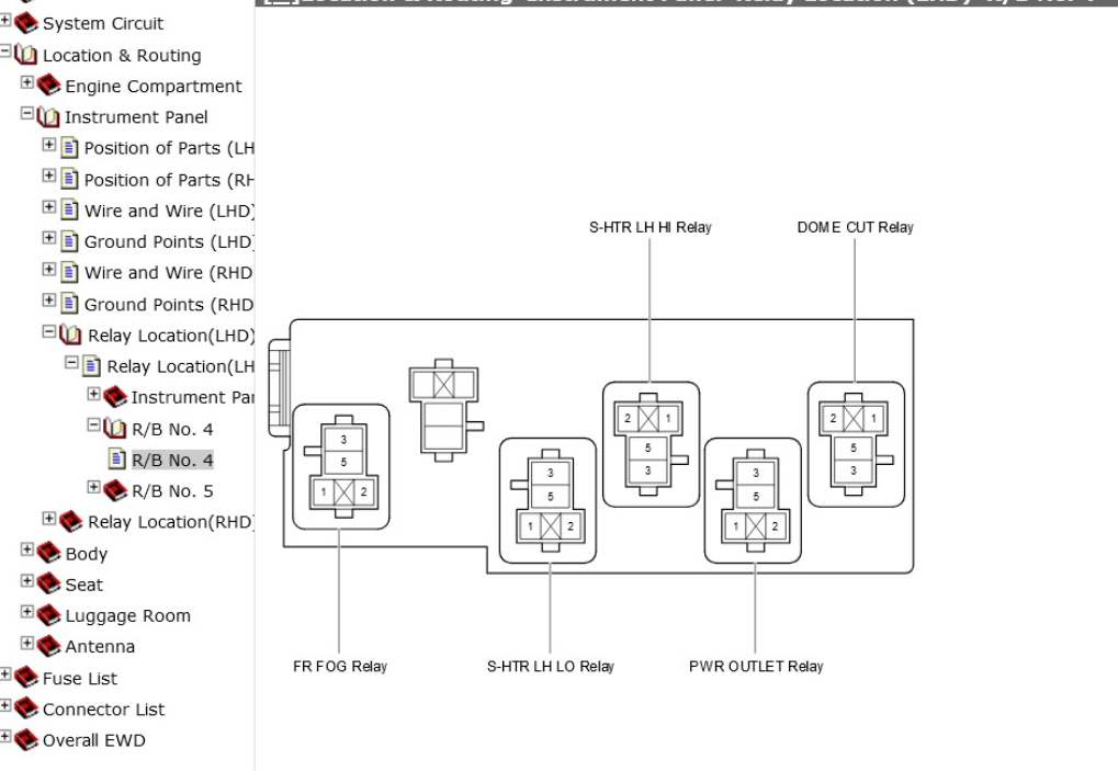
    Przekaźniki są w dwóch miejscach: za zegarami (RB4) oraz przy schowku (RB5).
    Schemat lokalizacji przekaźników w panelu instrumentów pojazdu

    Schemat lokalizacji i funkcji przekaźników w panelu instrumentów Schemat lokalizacji przekaźników w samochodzie z oznaczeniami R/B No. 4 i R/B No. 5.

    RB4
    Widok zbliżony na przekaźniki elektryczne zamontowane wewnątrz deski rozdzielczej pojazdu.

    RB5 widok od dołu
    Widok wnętrza samochodu z elementami elektroniki i przekaźnikami.

    Do foteli montowałem maty z aliexpress $35, rozmiarem pasują idealnie (wrzucam screena bo nie można linkować):
    Zestaw podgrzewaczy siedzeń samochodowych z węglem węglowym

    do tego przełączniki używane Toyota 2x40 zł i przekaźniki 4x10 zł, zatem łączny koszt zamknął się w około 220 zł

    Dorzucam jeszcze instrukcję rozbierania deski, w sumie wszystko jest na zatrzaski
REKLAMA