Sterownik grzanej kierownicy Opel.
Witam.
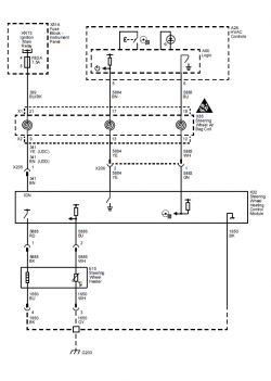
Według schematu moduł zasilany jest na przewody brązowy (+) i czarny - masa.
Z modułu czerwony i czarny idzie na zasilanie elementu grzejnego kiery.
Zielony to zasilanie - sygnał kontrolki działania ogrzewania - działa na starcie więc przewód żółty musi domyślnie NIE być zwarty do masy.
Jeśli coś nie tak myślę to proszę o informację i pomoc.
Problem leży w sterowaniu w zależności od badanej temperatury.
Po podłączeniu wszystkiego na krótko - bez kierownicy - napięcie na wyjściu z modułu mam (czarny i czerwony).
Podpiąłem czujnik pod szary i niebieski (według tego co widzę to szary jest połączony z masą) - czujnik działa - zwykły NTC 11kOhm - ile bym nie grzał ten czujnik to napięcie się nie zmienia na wyjściu z modułu.
Czy w takich modułach jest regulacja prądowa w zależności od badanej temperatury i dopiero po podłączeniu odbiornika (kierownicy) i miernika w szereg jako amperomierza jestem w stanie zbadać czy regulacja następuje czy nie?
Proszę o pomoc

Witam.
Według schematu moduł zasilany jest na przewody brązowy (+) i czarny - masa.
Z modułu czerwony i czarny idzie na zasilanie elementu grzejnego kiery.
Zielony to zasilanie - sygnał kontrolki działania ogrzewania - działa na starcie więc przewód żółty musi domyślnie NIE być zwarty do masy.
Jeśli coś nie tak myślę to proszę o informację i pomoc.
Problem leży w sterowaniu w zależności od badanej temperatury.
Po podłączeniu wszystkiego na krótko - bez kierownicy - napięcie na wyjściu z modułu mam (czarny i czerwony).
Podpiąłem czujnik pod szary i niebieski (według tego co widzę to szary jest połączony z masą) - czujnik działa - zwykły NTC 11kOhm - ile bym nie grzał ten czujnik to napięcie się nie zmienia na wyjściu z modułu.
Czy w takich modułach jest regulacja prądowa w zależności od badanej temperatury i dopiero po podłączeniu odbiornika (kierownicy) i miernika w szereg jako amperomierza jestem w stanie zbadać czy regulacja następuje czy nie?
Proszę o pomoc