logo elektroda
logo elektroda
X
logo elektroda
REKLAMA
REKLAMA
Adblock/uBlockOrigin/AdGuard mogą powodować znikanie niektórych postów z powodu nowej reguły.

[Rozwiązano] Schemat sterownika DME do Mini Cooper R56 1.6 VTi 2007 120KM - gdzie znaleźć?

olzel 25 Paź 2024 18:27 177 4
REKLAMA
  • #1 21276697
    olzel
    Poziom 12  
    Dzień dobry .Pilnie potrzebny schemat sterownika DME ,mini Cooper r56 1.6 vti 2007r 120km
  • REKLAMA
  • Pomocny post
    #2 21278136
    falkowski79
    Poziom 11  
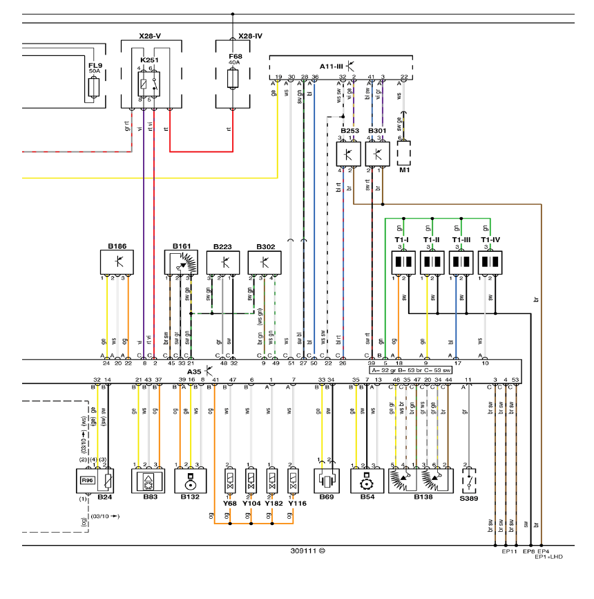
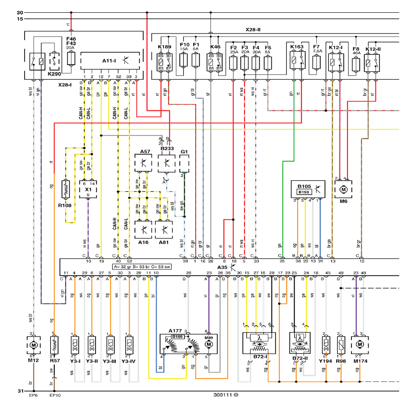
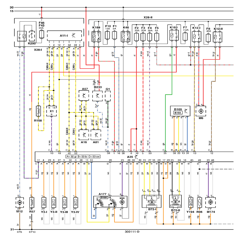
    Schemat elektryczny przedstawiający połączenia obwodów samochodowych. Schemat elektryczny przedstawiający połączenia pomiędzy różnymi komponentami. Schemat elektryczny z przewodami i symbolami komponentów. Lista komponentów systemu samochodowego Lista komponentów i sensorów samochodowych.
  • REKLAMA
  • #3 21279850
    olzel
    Poziom 12  
    Dziękuję ci bardzo .A czy wiesz może jakie powinno być napięcie na wyjściu ze sterownika do silnika valvetronic ja mam 4V
  • REKLAMA
  • #4 21285122
    olzel
    Poziom 12  
    Witam uszkodzeniu uległ sterownik DME na wtyczce od valvetronic ma być 12V
  • #5 21285123
    olzel
    Poziom 12  
    Uszkodzony sterownik DME
REKLAMA