Witam. Czy posiada może ktoś Schemat elektryczny Ford transit 2017 2.0 diesel ? Chodzi mi o sterownik silnika panel klimatyzacji sprężarka klimatyzacji
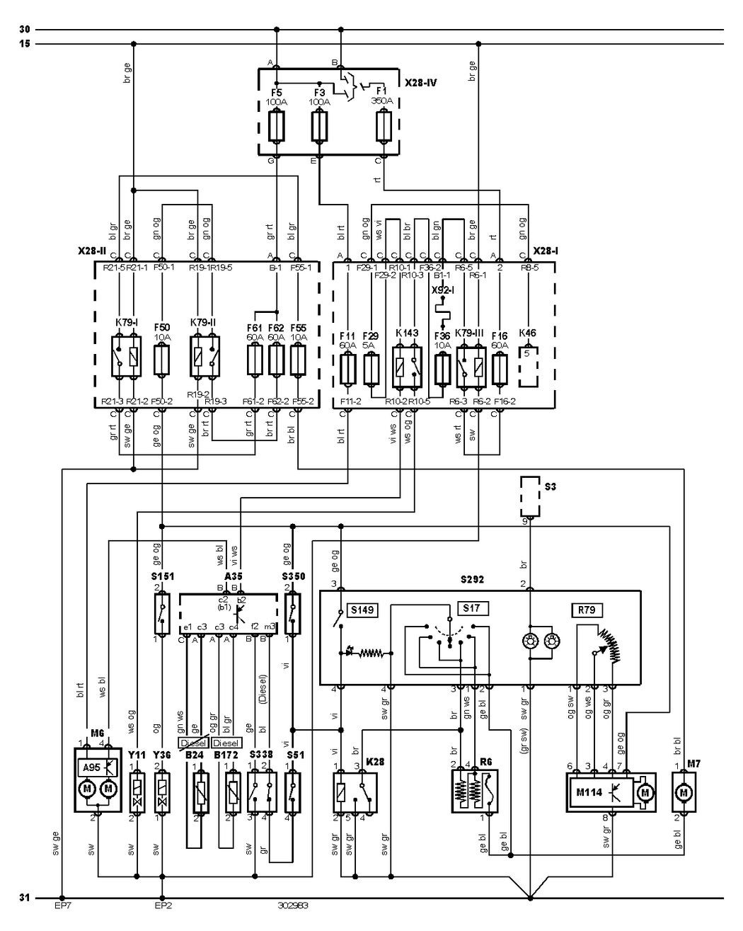
Sprzęgło sprężarki to Y11, a przekaźnik sprężarki to R10, czyli na schemacie K143. Czujniki są dwa - nie wiem, który jest który w tej chwili - oznaczone B24 i B172. Można dojść po kolorach przewodów.