logo elektroda
logo elektroda
X
logo elektroda
REKLAMA
REKLAMA
Adblock/uBlockOrigin/AdGuard mogą powodować znikanie niektórych postów z powodu nowej reguły.

Amica 58GED3.33HZpTaDNAQ(Xx) Schemat podłączenia przełącznika piekarnika.

Sasza226 21 Lis 2024 11:19 162 10
REKLAMA
  • #1 21312411
    Sasza226
    Poziom 6  
    Witam.
    Czy ma ktoś schemat, podłączenia przełącznika piekarnika w kuchence Amica?
    58ged3.33hzptadnaq(xx)? Musiałem go wymienić bo robił zwarcie i prawdopodobnie coś namieszałem w kablach. Niby wszystko jak na zdjęciu, ale nie działa tak jak trzeba.
    AI: Jakie konkretnie problemy występują z piekarnikiem po wymianie przełącznika? Czy są jakieś objawy, które mogą pomóc w diagnozie?
    Nie, po prostu któreś kable są pomylone, to tyle.
  • REKLAMA
  • #2 21313042
    roman_partyka
    Poziom 24  
    A wystarczyło przekładać po jednym przewodzie...

    Podaj kod wyrobu.
  • REKLAMA
  • #3 21313150
    Sasza226
    Poziom 6  
    No teraz to już wiem że tak by wystarczyło. Trochę zapozno jednak. Generalnie część opcji działa grzanie góra dół itp ale coś z termoobiegiem nie tego. No kod to gottak 7la. Reszta jak w tytule
  • #4 21313307
    roman_partyka
    Poziom 24  
    Bez kodu wyrobu nic nie znajdę!
  • #5 21315741
    zhudomel
    Specjalista AGD
    roman_partyka napisał:
    Podaj kod wyrobu.

    Chyba był tylko jeden: 55567.
  • REKLAMA
  • #6 21316586
    roman_partyka
    Poziom 24  
    To tam jest taki przełącznik. Niestety nie mam schematu ale da się to w miarę szybko zdiagnozować czy jest poprawnie podpięte.
    Amica 58GED3.33HZpTaDNAQ(Xx) Schemat podłączenia przełącznika piekarnika.
    W piekarnika są jakby 4 grzałki. Dwa wentylatory z czego jeden się ciągle kręci i żarówka. Dość proste do sprawdzenia.
    Napisz co wg Ciebie źle działa.
  • #7 21316970
    Sasza226
    Poziom 6  
    No termoobieg na pewno nie pali. Znaczy dookoła wiatraka jest grzane, widać na czerwono, ale nie rozprowadza. Wczoraj testy były robione, to tak jakby nie regulował temperatury, przypalać zaczął rzeczy. Kolorystycznie i po grubości kable są prawidłowo, natomiast miejscami są pewnie pozamieniane w jakiś sposób, bo dali po kilka takich samych kolorów. Zaraz znajdę zdjęcia z podłączenia.

    Dodano po 3 [minuty]:

    Amica 58GED3.33HZpTaDNAQ(Xx) Schemat podłączenia przełącznika piekarnika. Amica 58GED3.33HZpTaDNAQ(Xx) Schemat podłączenia przełącznika piekarnika.
  • REKLAMA
  • #8 21316985
    roman_partyka
    Poziom 24  
    Sprawdź który przewód idzie do wentylatora termoobiegu.
    Możliwe że sam silnik jest uszkodzony.
    Możesz sprawdzić silnik "na krótko" - jest zasilany napięciem 230V~.
    To jest niebezpieczne więc najlepiej jak byś podłączył kawałek przewodu z konektorami.
  • #9 21318972
    Sasza226
    Poziom 6  
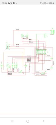
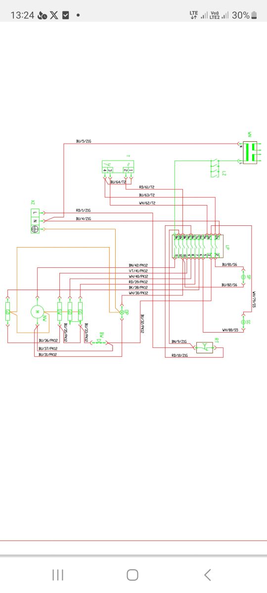
    Amica 58GED3.33HZpTaDNAQ(Xx) Schemat podłączenia przełącznika piekarnika.
    Udało mi się uzyskać schemat od producenta. Jest ktoś w stanie rozszyfrować, co to za skróty? Lub ewentualnie, czy znajdę takie opisy gdzieś na kablu? Pewnie będzie ciężko z tym, nie?
  • #10 21325588
    roman_partyka
    Poziom 24  
    XZ - zaciski zasilania
    T - TIMER (zegar)
    LZ - przyciski na pokrętłach gazu
    WN - generator iskry
    GD - grzałka
    GW - grzałka
    GO - grzałka
    GG - grzałka
    DP - żarówka
    BW - bezpiecznik termiczny
    RT - termostat
    SP - kontrolka włączenia
    SC - kontrolka termostatu
  • #11 21325615
    Sasza226
    Poziom 6  
    O jest Pan nieoceniony. Teraz mozna coś próbować szukać. Dzięki serdeczne
REKLAMA