logo elektroda
logo elektroda
X
logo elektroda
REKLAMA
REKLAMA
Adblock/uBlockOrigin/AdGuard mogą powodować znikanie niektórych postów z powodu nowej reguły.

[Rozwiązano] Peugeot 206 1.4 75 koni rok 1999 dziwne zachowanie pompy paliwa (zasilania) czasem nie odpala

s6PG 21 Lis 2024 22:18 156 5
REKLAMA
  • #1 21313507
    s6PG
    Poziom 3  
    Dobry wieczór Szanownemu Gronu,

    Pacjent:
    Peugeot 206 1.4 8V 75 koni, rok 1999, 200 tys. km przelotu, BOSCH (zwykła skrzynka bezpieczników bez modułu BSM)

    Choroba:
    Czasami nie odpala lub gaśnie w trakcie pracy (raz umarł na światłach).

    Objaw:
    Okresowo niskie napięcie - ca 3,5V na bezpieczniku 25 (pompa paliwa) oraz bezpieczniku 34 (engine management).
    gdzie przy pracy rozrusznika między 10,2 a 11 V

    Doraźna pomoc:
    Podanie zewnętrznego 12V+ na bezpiecznik 25

    Rezultat:
    Odpala, następnie po zgaszeniu odpala i działa normalnie przez 10 do XX odpaleń, po czym znowu umiera (nawet w trakcie
    pracy, ale głównie przy próbie odpalenia), komunikacja z komputerem jest i brak jakichkolwiek błędów w pamięci.
    Check Engine gaśnie jak trzeba, immobilizer działa OK - kluczyki pamięta, extra alarmu / odcięcia brak. Po kolejnym zgonie
    powtórna reanimacja pomaga na podobny okres czasu...

    Sprawdzone:
    Przekaźnik dwufunkcyjny - nowy, połączenia kabli i kostek - czyste i zabezpieczone, bezpieczniki, pompa paliwa - nowa, widoczne
    kable -- wszystko OK
    W trakcie występowania problemu prąd jest wszędzie gdzie trzeba z wyjątkiem prawidłowego napięcia na pompie i ECM (bezp. 25 i 34)

    Pytanie:
    Jakie pozostały opcje?
    a. Zgniły (ty) / przetarty kabel do skrzynki bezpieczników - 25 i 34?
    b. Opętanie?


    Może ktoś miał już do czynienia z takim zjawiskiem i znalazł przyczynę?

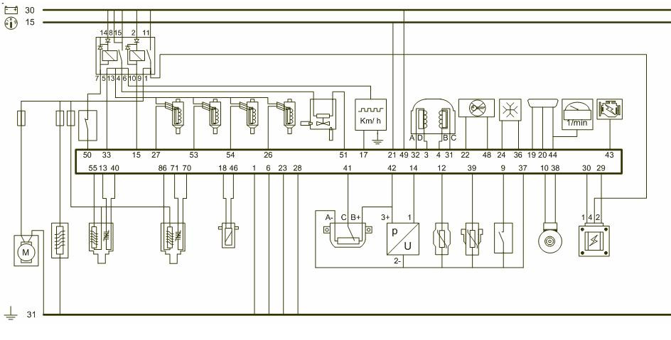
    Zanim przystąpię do prucia kostki przekaźnika i dzwonienia kabli chciałbym poznać wyjścia sygnałów z przekaźnika,
    ale potrzebuję prawidłowego / dobrego schematu wejść / wyjść.
    W necie znalazłem kilka rysunków, ale nie odpowiadają one temu co widzę w kostce (inna ilość aktywnych pinów)....

    Byłbym zobowiązany za pomoc i poradę.

    Dziękuję i proszę nie bić (w wyszukiwarce nie znalazłem odpowiedzi ani rozwiązania identycznego problemu)
    :)


    AI: Czy masz dostęp do szczegółowego schematu elektrycznego dla swojego modelu Peugeot 206, który mógłby pomóc w śledzeniu sygnałów
    z przekaźnika?

    Tak, ale częściowo nie odpowiadają stanowi faktycznemu (inne opisy pinów przekaźnika)
    AI: Czy w ostatnim czasie były przeprowadzane jakieś naprawy, modyfikacje lub czy wystąpiły zmiany w warunkach środowiskowych, które mogłyby wpłynąć na działanie pojazdu?
    Nie, wszystko fabryczne, wilgotność i temperatury bez wpływu na objaw (padł przy 10 stopniach jak było sucho, potem działał i padł ponownie przy 1 stopniu i śniegu z deszczem)
  • REKLAMA
  • #2 21313748
    johnny833
    Poziom 38  
    Do sprawdzania głównych zasilań używaj żarówki np H7. Albo masz uszkodzony przekaźnik silnika ,albo zgnite połączenia lub kable ,albo np coś z kostką stacyjki.
  • REKLAMA
  • #3 21315019
    s6PG
    Poziom 3  
    Dzięki za schemat.

    Przystępuję do kolejnego etapu śledztwa, o postępach w sprawie zamelduję w weekend.

    Dodano po 11 [godziny] 45 [minuty]:

    Dobry wieczór,

    Kolejny etap:

    1. Sprawdzone powtórnie kostki i widoczne przewody, wyczyszczone przekaźniki i bezpieczniki główne w skrzynce. Połączenia kompa i przekaźnika
    dwu-funkcyjnego wyglądają OK - przekaźnik jest nowy ...
    2. Podczas rozruchu przy którym nie następuje uruchomienie silnika, na bezpieczniku 25 podłączona żarówka ŚWIECI / ciut (nie wytrzymałem i
    powtórzyłem próbę z miernikiem wynik = 10.5V do 11V ) = nie odpala
    3. Kolejna taka sama próba na pompie paliwa = żarówka nie świeci .... miernik w spoczynku pokazuje 8V, praca 3 do 5 V .... = nie odpala
    4. Próba rozruchu z podaniem 12V na bezpiecznik 25 = odpalenie (?!) i oczywiście napięcie podane jest tylko do momentu odpalenia, potem zwora zdjęta
    5. Kolejne odpalenia bez kłopotów (bez zewnętrznego 12V). Po 10 sekundach, 5 minutach i 9 minutach lub 50 minutach jazdy - odpala normalnie.
    6. W trakcie pracy na pompie napięcie b/z względem braku odpału i silnik pracuje ...
    7. Po ca 30- 40 min. postoju, przy próbie odpalenia tylko krótki dźwięk pompy, lekkie załapanie .... śmierć ... i nie bangla
    8. Podanie 12V na bezpiecznik 25 = odpalenie i powtórka z rozrywki ( od 4 do 7) ...

    Pytanie brzmi:

    Dlaczego po bezpośrednim porażeniu prądem 12V , system działa normalnie przez pewien czas, a potem zdycha?


    Kto miał tak?

    Dzięki! :)
  • REKLAMA
  • #4 21316668
    s6PG
    Poziom 3  
    Poddaję się, w warunkach, którymi dysponuję, nie zrobię więcej... Odstawiam pacjenta do egzorcysty z ciepłym garażem.

    Zamelduję po (jak mam nadzieję) wykryciu problemu.
  • REKLAMA
  • #5 21320787
    s6PG
    Poziom 3  
    A więc tak:
    Komputer okresowo nie podawał prawidłowego sygnału na przekaźnik dwufunkcyjny, a podrażnienie 12V skutkowało chwilowym powrotem układu do pracy.

    Niech moc będzie z wami!
  • #6 21320790
    s6PG
    Poziom 3  
    Naprawa sterowania przekaźnika dwufunkcyjnego przez komputer (okresowo zanikający / słaby sygnał).
REKLAMA