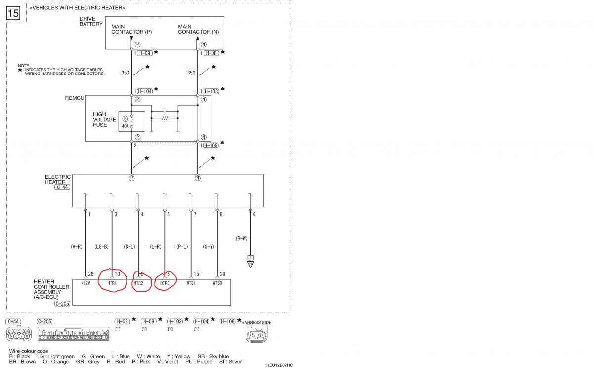
Mam outlandera 2019 hybryda plug in. Ma dogrzewacz kabiny elektryczny 4 kW. Nie działa niestety. Znalazłem schemat, z którego wynika, że steruje tym podgrzewaczem panel sterowania klimatyzacji. Moje pytanie to, jakie podać napięcie na zaznaczone na czerwono przewody oznaczone htr1, 2, 3, aby wymusić pracę grzałek?
