logo elektroda
logo elektroda
X
logo elektroda
REKLAMA
REKLAMA
Adblock/uBlockOrigin/AdGuard mogą powodować znikanie niektórych postów z powodu nowej reguły.

Projekt wykrywacza metali o bardzo dobrej skuteczności

opajdowski łukasz 17 Lut 2006 09:39 14646 15
REKLAMA
  • Witam.
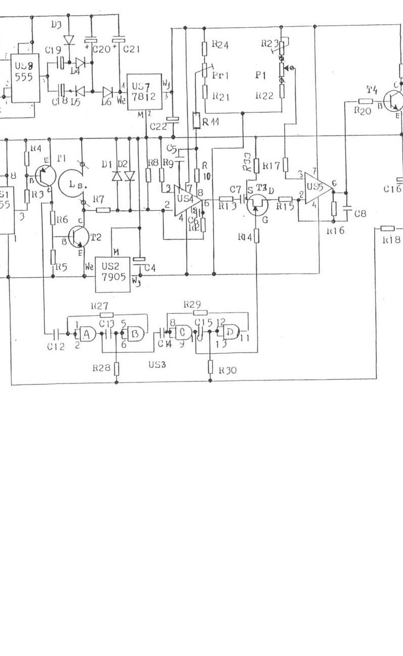
    Przesyłam dla użykowników elektrody schemat wraz z dokładną instrukcją jak wykonać wykrywacz do metali z kórym można śmiało wybrać się na poszukiwania skarbów jest on niedrogi do wykonania.

    Jest to lokalizator impulsowy działający na zasadzie emisji prostokątnej fali elektromagnetycznej w głąb gruntu.

    Pozdrawiam.

    Fajne? Ranking DIY
    O autorze
    opajdowski łukasz
    Poziom 13  
    Offline 
    opajdowski łukasz napisał 116 postów o ocenie 17. Jest z nami od 2004 roku.
  • REKLAMA
  • #3 2328741
    opajdowski łukasz
    Poziom 13  
    Więc sory ale ja nie znalazłem takiego wykrywacza nigdzie na sieci a projekt musiałem kupić dlatego jest prowizja. Z resztą mój pdf jest za mniejszą ilość punktów nisz na tej stronie i jest kompletny.
  • REKLAMA
  • #4 2332481
    tojatomek
    Poziom 14  
    Po pierwsze to nie pdf, ale to nie ważne...
    Czy według Ciebie 4,244(lub 2,876 za pdf) jest większe od 4,514 ? A 14 stron to mniej niż 14 stron ?
    Jeśli tak to za zarobione punkty ściągnij sobie książkę podstawy matematyki, lub nauka czytania - zależy gdzie leży problem.
    A zbudowałeś go już?

    Ps. Po co oszukujesz ludzi ?
  • REKLAMA
  • #5 2332678
    opajdowski łukasz
    Poziom 13  
    Zbudowałem i działa jak dla mnie bardzo dobrze.
    Bez problemu wykrywa monety na głębokości do jakichś 20cm a np granata na błębokości 50cm. Większe elementy jeszcze głębiej.
    Jak nie wierzysz to sobie go zrób wiele nie kosztuje.
  • #6 2334971
    tojatomek
    Poziom 14  
    Nie wiedziałem, że potrafi wykrywać owoce...
    Tak się składa, że wykrywacz ten zrobiłem już dawno temu i wiem, że nie jest to dobra konstrukcja.
    Szkoda, że nie ustosunkowałeś się w całości do mojego poprzedniego postu.
    Żałosne.
  • #7 2336730
    opajdowski łukasz
    Poziom 13  
    Skoro twierdzisz że już zrobiłeś ten wykrywacz i nie działa tak jak w opisie to jesteś nie skrupulatny bo jakoś gdy dokładnie się go wykona to ma te parametry . Chyba że jestem jakiś inny i w moich rękach to działa a w twoich nie.
    Swoją drogą granat to fajny owoc.
    Więcej z Tobą nie dyskutuję. Z resztą tyle piszesz a nic nie dajesz skoro ten schemat jest taki zły to daj lepszy.
    I jeśli chcesz być takim Kozakiem i mieć dobry ale trudny do wykonania wykrywacz to zrób ten , ale to naprawdę dużo roboty szczególnie przy cewce.
    (ja go nie robiłem)
    Nie polecam osobom , które nie chcą się pakować w wydatki.
    Załączniki:
  • #8 2337312
    tojatomek
    Poziom 14  
    O ja nie mogę :)
    Przy cewce wcale nie ma dużo roboty, chyba że jesteś upośledzony :)
    Jeśli chcesz łatwy i o wiele lepszy wykrywacz, to polecam Clone PI. wszystko za darmo i bez punktów http://www.fandy.front.ru/ClonePI.htm(też go robiłem)
    Gdybyś orientował się w temacie to wiedziałbyś, że osiągi tego wykrywacza są marne, a szukanie nie wygodne, troszkę pokory na przyszłość... Ty zrobiłeś coś, nie masz porównania i myślisz że jest super.

    Ps. Ciągle się nie ustosunkowałeś do mojego postu o nauce liczenia...
  • #9 2337332
    opajdowski łukasz
    Poziom 13  
    Wydaje się interesujący ale ile kosztuje jego zrobienie.
  • #10 2362423
    Kakalia
    Poziom 18  
    tojatomek masz opis tego Clone PI po angielsku bo moj rosyjski jest zaden, albo moglbys strescic co oni tam pisza.

    A tak na marginesie fajna konwersacja, :D:D
  • REKLAMA
  • #11 2362750
    tojatomek
    Poziom 14  
    No nie, że fajna szkoda, że moderator się nie zainteresował...
    Mój rosyjski też jest fatalny, ale korzystałem z:
    http://babelfish.altavista.com/
    gdzie wklejałem tekst ze strony i tłumaczyłem na angielski - jeden z ostatnich wyborów tłumaczenia w rozwijalnym menu na stronie i wtedy nie ma już problemu :)
  • #12 2398881
    leszeksz2
    Poziom 16  
    Witam
    Czy w tym wykrywaczu można zastosować Układ LM 709 lub MAA 501 w metalowej obudowie (okrągłej) bo innego nie mogłem dostać?
    P.S. Jak podłączyć ten układ?
  • #13 2417775
    swaldek
    Poziom 18  
    Można zastosować te układy o ktorych piszesz, a MAA501 liczy się od spodu zgodnie z ruchem zegara. Ostatnia 8 noga jest oznaczona wypustkiem, równo na przeciw niego.
    Pozdrawiam
  • #14 2421316
    leszeksz2
    Poziom 16  
    Witam
    A gdzie można znaleść coś na temat strojenia tego wykrywacza.
    Zmontowałem go ale głośnik piszczy cały czas. Zmiana częstotliwości dzwięku następuje jedynie wtedy gdy przedmiotem metalowym poruszam koło cewki. Jeżeli przedmiot zostaje w bezruchu dzwięk wraca do częstotliwości wyjściowej (z przed momentu ruszania przedmiotem metalowym).
    Czy tak powinno być?
  • #15 2421488
    swaldek
    Poziom 18  
    Mam gdzieś skany instrukcji budowy PI o nazwie Gerber był oparty na oryginalnym SANDBANKS. Tam jest opisane jak zestroić układ za pomocą miernika. Przewaznie chodzi o ustawienie 4V na wyjściu MAA501 o ile się nie mylę.
    Muszę poszukać na płytach więc pisz na priva
    Pozdrawiam
REKLAMA