logo elektroda
logo elektroda
X
logo elektroda
REKLAMA
REKLAMA
Adblock/uBlockOrigin/AdGuard mogą powodować znikanie niektórych postów z powodu nowej reguły.

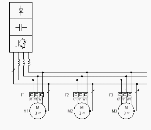
Falownik + 12 silników

UFO_79 18 Lut 2006 06:50 4037 14
REKLAMA
  • #1 2316884
    UFO_79
    Poziom 13  
    Witam wszystkich!

    Mam takie pytanie: Czy jest możliwe podłączenie 12 silników 3-fazowych do wyjścia jednego falownika?

    Wszystkie silniki są jednej produkcji, lecz mają różne moce (5 silników - 0,18 kW i 7 silników - 0,25 kW).
    Falownik miałby być firmy SIEMENS: Micromaster 420 4kW.
    I jeszcze jedna rzecz: wspomniane silniki pracują niezależnie - każdy silnik ma stycznik i jest sterowany przez PLC.
    Czy takie podłączenie nie uszkodzi silników lub też falownika?
    Nie mam pojęcia, gdyż jeszcze w ten sposób nigdy nie podłączałem silników.

    Jeżeli ktoś ma jakieś propozycje, sugestie proszę o odpowiedź.

    Pozdrawiam
    UFO_79
  • REKLAMA
  • #2 2316916
    hozenman
    Poziom 11  
    Myślę że mogą być problemy. Falownik 4kw a silniki łącznie 2,69 , wszystko dobrze jeżeli silniki będą startowały razem ponieważ falownik rozpoczyna od 0 Hz i nie ma problemu z prądem rozruchu silników . ale kiedy np. 8 silników będzie pracować a pozostałe dołączą się w trakcie pracy prąd rozruchu będzie wysoki i zadziała zabezpieczenie falownika.
    Wszystko zależy od tego jak będą się wyłączały i załączały silniki i przy jakich częstotliwościach będzie w tym czasie pracował falownik. Proponuję wziąść pod uwagę prądy rozruchowe i częstotliwość ( prąd znamionowy silnika zazwyczaj dotyczy jego pracy przy 50Hz ). Wydaje mi się że jest to możliwe po dokładnych obliczeniach i odpowiednim zasterowaniu ( z niewielkim opóźnieniem załączenia - timer w PLC ) poszczególnych sekcji silników.
    Powodzenia
  • REKLAMA
  • #3 2318025
    Teodor Otulak
    Poziom 13  
    Do sterowania wielu silników są stosowane specjalne falowniki, których cena jest kilkakrotnie wyższa niż zwykłych falowników. W grę wchodzi tyle negatywnych zjawisk, że nawet nie chce mi się ich wymieniać ! Możesz samodzielnie spróbować zbudować odpowiedni falownik, bazując na naszym module sterującym i poeksperymentować. Więcej na http://www.patron.net w dziale nowości
  • REKLAMA
  • #4 2318221
    azibik
    Poziom 32  
    silnik musi być zapięty do falownika na sztywno
    instrukcja/tak jest większości falowników/
    robiłem próby z 4 i niestety nie wyszło
    musiałby być falownik o mocy wiele wyższej niż
    suma mocy silników /rozruch/
  • #5 2318510
    falowniki.com
    Spec od Falowników
    Witam,
    najprościej:
    przy włączaniu kolejnego silnika do ruchu (podczas pracy przemiennika) przemiennik "wykryje" chwilowe przeciążenie i i zinterpretuje to jako błąd, nastapi wyłączenie awaryjne

    zmniejsza się oporność i indukcyjność przyłączeniowa na wyjściu przemiennika a zwiększa się pojemność kabli,
    wynikiem tego są większe odkształcenia prądu niż przy podłaczeniu na zasadzie jeden przemiennik-jeden silnik
  • #6 2329860
    UFO_79
    Poziom 13  
    Czyli rzecz ujmując, jest to możliwe?

    Może opiszę jeszcze dokładniej, jak w chwili obecnej silniki pracują.

    Służą one do napędzania taśmy produkcyjnej (proste rolki), są one podzielone na sekcje i za każdą sekcję odpowiada jeden silnik w połączeniu z przekładnią.

    Niestety co niektóre osoby chcą "przyśpieszyć" taśmę. Rozwiązania są 2: albo wymienić przekładnię na każdym silniku albo zakupić falownik i podciągnąć prędkość ok. 10% (maksymalnie do 15%). Wolniej na pewno nie miałyby pracować. Myślałem jeszcze o możliwości podzielenia tych 12 silników na grupy, czyli 3 grupy (po 4 silniki) i na każdą grupę po falowniku. Tylko wiadomo, że 4 mniejsze falowniki to znacznie więcej kasy niż 1 większy.

    Bardzo prosiłbym o udzielenie rady co mam w chwili obecnej zrobić.

    Pozdrawiam
    UFO_79
  • #7 2330117
    Raaf
    Poziom 22  
    oczywiście że jest możliwe. Ja sam pracuję nad podobnym problemem, tylko że falownik dobrałem do mocy największego z silników. falownik sterowany z plc, załączanie sekwencyjne( pojedynczo silniki-na przemian) zależnie od potrzeby, dwie rampy prędkości(częstotliwości) dla wszystkich.
  • #8 2331063
    UFO_79
    Poziom 13  
    Ale jak już napisałem wcześniej, silniki pracują niezależnie. Bywa, że w danym momencie pracuje 9, potem 12, za chwilę tylko 3, potem znowu 12 itp.
    Tutaj jest największy problem. Gdyby miały pracować wszystkie razem toby nie było sprawy.
  • #9 2333809
    Arek400
    Poziom 14  
    Witam.
    Musisz mieć tyle falowników ile grup silników pracujących razem, inne rozwiązania nie mają sensu. co więcej nie znam twojej technologi ale może sie okazać, że będziesz mógł tak nimi sterować żeby ich nie wyłączać.
  • #10 2420510
    Raaf
    Poziom 22  
    Tylko niektóre falowniki umożliwiają pracęrównoległą kilku silników jednocześnie. (np.chyba Altiwar31?) Problem jednak jest w tym że napewno część z nich nie będzie miała żadnego zabezpieczenia nadprądowego realizowanego przez falownik.
  • #11 2440842
    yater1
    Poziom 11  
    Jak na mój gust takie rozwiazanie jest kompletnie bez sensu i może spowodowac więcej strat niż oszczedności. Jestem ciekaw jak rozwiazany zostanie problem jezeli falownik ulegnie uszkodzeniu. Cała linia stoi i się "rozglada" a kasa leci a nikt nic nie produkuje. Fakt mozna miec zapasowy falownik ale nie może to być jeden bo przy tak w miarę "ekstremalnyej" pracy mogą padac dosyć często.
    Wydaje mi się, ze jest to szukanie oszczedności tak gdzie nie trzeba.
    Chociaz przyznaję, że sam problem dosyć intrygujący.
  • REKLAMA
  • #12 2442858
    witek17
    Poziom 24  
    nie na temat (sorry), chciałem tylko napisać jak bardzo podoba mi sie Twój styl myślenia yater1, takie kompleksowe myślenie inżynierskie

    pozdrawiam

    P.S. przypomniała mi się historia pewnej firmy transportowej, jeździli ZIŁ-ami, ktoś stwierdził, że okrutnie dużo palą (i była to prawda), zezłomowali je, tylko nie było pieniędzy na nowe ciężarówki :-)
  • #13 2445708
    nuszek
    Poziom 30  
    Kolega @witek17 ma rację, gdzie tu szukać oszczędności, falowniki na 0.25 kW można dostać za mniej niż 300 zł, sukcesywnie zakupić i wstawić.
    I po problemie, za 300 Zł nie kupisz przekładni, chyba, że pasowa?
  • #14 2447026
    krzychol66
    Poziom 25  
    UFO_79 napisał:
    Witam wszystkich!

    Mam takie pytanie: Czy jest możliwe podłączenie 12 silników 3-fazowych do wyjścia jednego falownika?
    Jest możliwe. Tylko, że nie każdy falownik "lubi" takie połączenia. Nie "lubią" takich połączń nowoczesne falowniki, które próbują się dopasować do silnika, kontrolować prąd, strumień, poślizg itd. Falownki starsze, dostarczające niezależną od obciążenia falę U, powinny sobie poradzić.
    Cytat:


    Wszystkie silniki są jednej produkcji, lecz mają różne moce (5 silników - 0,18 kW i 7 silników - 0,25 kW).
    Falownik miałby być firmy SIEMENS: Micromaster 420 4kW.
    Z Siemensami w takich konfiguracjach były problemy. Polecam raczej SEW-y. Nie podłączaliśmy co prawda 12 silników, ale z 2-ma załączanymi niezależnie radziły sobie dobrze.
    Cytat:

    I jeszcze jedna rzecz: wspomniane silniki pracują niezależnie - każdy silnik ma stycznik i jest sterowany przez PLC.
    Czy takie podłączenie nie uszkodzi silników lub też falownika?
    Silników nie powinno. Falowników - no cóż, nie każdy zniesie taki pasztet. Trzeba zachować czujność przy doborze.
    Cytat:

    Nie mam pojęcia, gdyż jeszcze w ten sposób nigdy nie podłączałem silników.

    Jeżeli ktoś ma jakieś propozycje, sugestie proszę o odpowiedź.

    Pozdrawiam
    UFO_79
  • #15 2448460
    j23xyz
    Poziom 13  
    Teodor Otulak napisał:
    Do sterowania wielu silników są stosowane specjalne falowniki, których cena jest kilkakrotnie wyższa niż zwykłych falowników. W grę wchodzi tyle negatywnych zjawisk, że nawet nie chce mi się ich wymieniać ! Możesz samodzielnie spróbować zbudować odpowiedni falownik, bazując na naszym module sterującym i poeksperymentować. Więcej na http://www.patron.net w dziale nowości

    Witam Teodor, w PW masz wiadomosc o falowniku.
    Pozdrawiam
REKLAMA