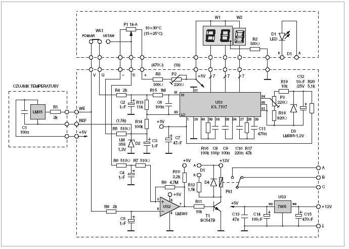
Witam. Wykonałem ten termoregulator wg. poniższego schematu z Praktycznego Elektronika. I na pierwszy rzut oka jest z nim wszystko ok, jednak po uruchomieniu rozczarowanie - pokazuje błędnie zadaną temperaturę, przy czym muszę zaznaczyć, że układ ten musi mieć precyzję ze wzgledu na jego przeznaczenie. Otóż problem leży w tym, że zadana temepratura jest o ok. 1st. C niższa niż wyświetlana, a przy załączonym przekaźniku aż o 2 st. Problem leży w histerezie - otóż napięcie z wyjścia komparatora cofa się przez rezystor histerezy (4,7M) na wejście komparatora, a co za tym idzie na potencjometr i woltomierz. Jak można usunąć tę wadę? Z histerezy zrezygnować nie mogę. Usterka stosunkowo prosta, a nie chciałbym zbytnio przebudowywać układu, tym bardziej, że nie jest on dla mnie. Zastosowanie np. jakiejś diody między potencjometrem i woltomierzem a wejściem komparatora nie jest rozwiązaniem, ponieważ będzie spolaryzowana zaporowo i przekaźnik będzie cały czas załączony. Pomocy 