Witam!
Nie przesadzajcie Panowie z tą ostrożnością - przecież to forum dla elektroników, a nie marudnych bab (sorry, jeśli uraziłem "płeć niewieścią"

). Ten zasilacz nie jest do sprzętu AVT - patrz moje posty wyzej (choć jak pewnie dobrze wiecie, wiele telewizorów, szczególnie starszej generascji miało "gorącą" masę i jakos nikt z tego powodu nie "wydzierał" sobie włosów z głowy

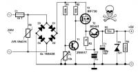
) i nie jest to układ dla każdgo - chyba wyraźnie ma narysowane piszczela i czaszkę. Od tych "dyrdymałów", kóre piszecie ciekawsze byłoby, czy Ktos go moze juz montował kiedyś (bo układ jest zapewne z ELEKTORA, z przed kilunastu lat), jak sie sprawuje, czy elementy mocno sie nagrzewają. W zasilaczach beztransformatorowych nie ma nic nadzwyczajnego, powtarzam raz jeszcze, trzeba tylko zachowac troche zdrowego rozsądku (czytaj używać szarych komórek) i to wszystko. Przecież powszechnie uzywany zasilacz beztransformatorowy to: rezystor (2W kilkaset Ohm), szeregowo z nim kondensator MKT 470nF/630=, dioda prostownicza, opornik, elektrolit wygładzający, dioda zenera (np. 12-15V min 1W) - tyle, że taki zasilacz nie da wiecej jak 20-30 mA. Ten przedstawiony przez
gulsona daje widoki na uzyskanie troche wiekszego prądu, bez konieczności uzywania transformatora. Układ nie ma wysokonapięciowych kondensatorów, które mogłyby "trzymać" niebezpieczne napiecie po odłączeniu od sieci energetycznej. Trzeba tylko pamietać aby nie "tykać" go paluchami, jak jest włączony do sieci. Elementy do niego kosztuja grosze i napewno są duzo tańsze od specjalizowanych scalaków do przetwornic impulsowych (juz nie wspomnę o cenia samach transforamtorów impulsowych, wykonanych na rdzeniach ferrytowych). Więc jest to jakaś tania alternatywa, a byc może całkiem skuteczna w działaniu (ceny mosfetów mocy w ostatnich latach "poszły" bardzo w dół). Myslę, że warto ten układ zmontować i przetestować, aby przekonać się co jest wart.