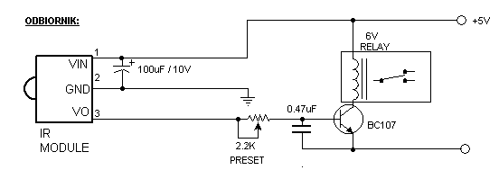
Witam!
mam pare urządzeń w pokoju które dosyć często muszę wyłączać. (wzmacniacz, monitory, lampki u gadów i inne takie tam duperele)
chciałbym zrobić przy wyjściu z pokoju panel którym mógłbym konkretne urządzenia w dowolnym momencie włączać/wyłączać.
na allegro widziałem takie kontakty sterowane pilotem.
czy dało by się coś takiedo samemu zrobić?
pytam, bo nie koniecznie będę wyłączał 230v. czasem zdarzy się 12, 24 itp.
poza tym cena jednego takiego 'kontaktu' raczej odstrasza.
dodam tylko że do mnie trzeba mówić 'prostym' językiem, bo nie bardzo sięna tym znam.
Pozdrawiam!
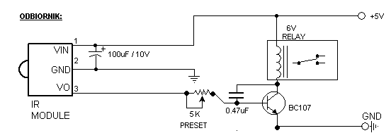
mam pare urządzeń w pokoju które dosyć często muszę wyłączać. (wzmacniacz, monitory, lampki u gadów i inne takie tam duperele)
chciałbym zrobić przy wyjściu z pokoju panel którym mógłbym konkretne urządzenia w dowolnym momencie włączać/wyłączać.
na allegro widziałem takie kontakty sterowane pilotem.
czy dało by się coś takiedo samemu zrobić?
pytam, bo nie koniecznie będę wyłączał 230v. czasem zdarzy się 12, 24 itp.
poza tym cena jednego takiego 'kontaktu' raczej odstrasza.
dodam tylko że do mnie trzeba mówić 'prostym' językiem, bo nie bardzo sięna tym znam.
Pozdrawiam!
