logo elektroda
logo elektroda
X
logo elektroda
REKLAMA
REKLAMA
Adblock/uBlockOrigin/AdGuard mogą powodować znikanie niektórych postów z powodu nowej reguły.

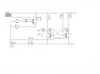
Sygnalizator poziomu wilgotnosci lub cieczy

sebeszczyn 18 Mar 2006 16:15 2702 1
REKLAMA
  • Układ sygnalizatora składa się ze stopnia wejściowego zbudowanego jako wtórnik emiterowy na tranzystorze T1 oraz multiwibratora na T2 i T3 , który nie pracuje gdy sonda czujnik jest suchy . Zawilgotnienie czujnika powoduje zmniejszenie oporności i zadziałanie układu . Celem demonstracji alarmu układ ten można podłączyć poprzez C4 do wzmacniacza akustycznego.

    Fajne? Ranking DIY
    O autorze
    sebeszczyn
    Poziom 11  
    Offline 
    sebeszczyn napisał 5 postów. Mieszka w mieście Tarnowskie Gory. Jest z nami od 2005 roku.
  • REKLAMA
  • #2 3040050
    Jacqbus
    Poziom 12  
    Właśnie czegoś takiego szukałem.
    Wielkie dzięki :)
REKLAMA