logo elektroda
logo elektroda
X
logo elektroda
REKLAMA
REKLAMA
Adblock/uBlockOrigin/AdGuard mogą powodować znikanie niektórych postów z powodu nowej reguły.

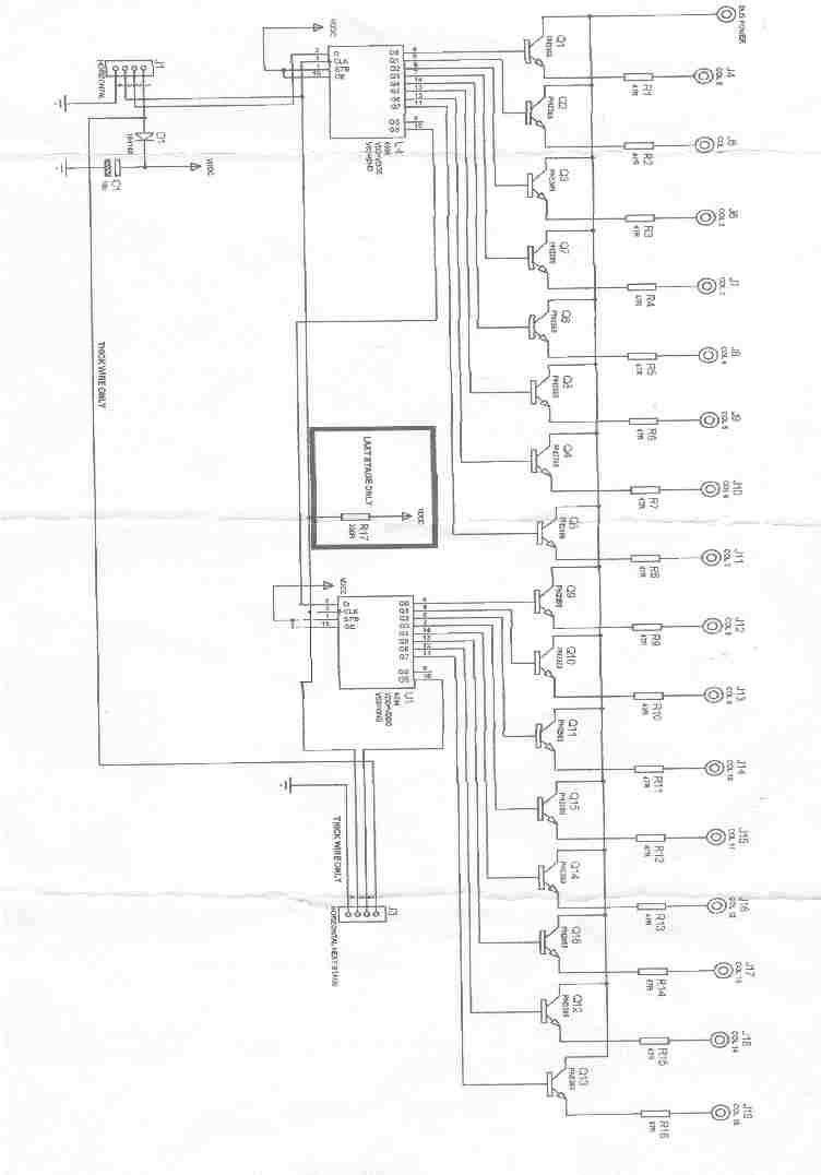
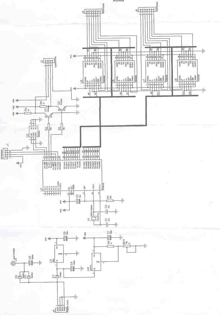
Sterownik wyświetlacza matrycowego 16x64

zasoby 29 Mar 2006 11:27 8016 16
REKLAMA
  • Na stronie: http://www.runningline.org/
    można znaleźć interesujący projekt sterownika jednokolorowego wyświetlacza złożonego z 16x64 LEDów
    Istnieje możliwość wprowadzania dowolnych znaków za pomocą programu Running Line. Komunikacja ze sterownikiem odbywa się za pomocą portu szeregowego COM. Dowolny napis możemy wprowadzić do pamięci, przez co nie potrzebna jest ciągła kontrola ze strony komputera PC.

    W załączniku schematy sterownika + pamięci, wsady mikrokontrolera, wzór płytki i montażowy, program Running Line.

    Źródło:
    http://www.runningline.org/

    Fajne? Ranking DIY
    O autorze
    zasoby
    Poziom 23  
    Offline 
    zasoby napisał 784 postów o ocenie 432, pomógł 4 razy. Jest z nami od 2002 roku.
  • REKLAMA
  • #2 2471907
    ArturZy
    Poziom 17  
    Bardzo ciekawy projekt, chyba się skuszę na wykonanie.
  • #3 2478761
    Futrzaczek
    VIP Zasłużony dla elektroda
    Też tak uważam, ale...
    nie wyobrażam siebie podczas lutowania 1024 LED'ów
  • #4 2478822
    Maksios
    Poziom 12  
    Super
    Bedzie zajecie na weekend
    widzialem taka reklame na niebieskich ledach ...... bardzo czytelna

    pozdrawiam
  • REKLAMA
  • #5 2479104
    scal12
    Poziom 19  
    Witam,fajny projekt tez chyba sobie go zrobie, ale nie rozumiem dwóch spraw, w pliku który mozna sciagnąc sa dwa wsady do procków, Tiny2323 i 90s1200, ze schematu wynika, ze wsad Tiny2313 jest taki sam do procka w sterowniku głównym i pamieci, czyli sa potrzebne dwa procki AT90S2313 i tu pytanie, do czego, a raczej do jakiego procka ,w jakim układzie jest wsad 90S1200, moim zdaniem jest gdzies błąd, bo pewnie jeden wsad jest do jednego procka, a drugi do drugiego, tylko ze ze schematu wynika ,ze sa dwa takie same
  • #6 2480723
    Jarema
    Użytkownik obserwowany
    Witam,
    Układ byłby OK gdyby został dopracowany czyli:
    1. Wzmacniacze prądu LED - bez nich matryca świeci conajmniej ciemno!
    2. Multipleksowanie wierszy ze współczynnikiem wypełnienia 1/16 to kolejny błąd, który powoduje iż diody muszą byc sterowane dużym prądem impulsowym.
    3. Prąd wyjściowy układu 74LS154 w stanie niskim wynosi zgodnie z dokumentacją 8mA - w tym projekcie ten prąd jest prawie 2-krotnie przekroczony (sterowanie Q2).
    4.Sterowanie bramki mosfeta poprzez rezystor podciągający to kolejny błąd który powoduje duże straty mocy w tym tranzystorze przy pracy impulsowej.
  • #7 2560013
    nokia6610
    Poziom 11  
    Witam
    bardzo ciekawy projekt:)
    Czy ktoś z elektrodowiczów wie jaki mniej więcej jest koszt budowy tego urządzenia?? I przede wszystkim czy to na 100% dobrze działa:)
    Chciałbym wykonać to urządzenie ale nie mam dostępu do części :( dlatego interesuje mnie koszt i ewentualna możliwość odkupienia od kogoś Układów i zaprogramowanych mikrokontrolerów:) bądź tez calego urządzenia w wersji do zmontowania:)

    Pozdrawiam
  • #8 2808687
    fliper_katrill
    Poziom 20  
    Witam!
    Czy ktoś się pokusił o złożenie?? Ściągnąłem ze stronki wsio, przydałby się jeszcze widok płytki z rozrysowanym umieszczeniem elementów (top overlay) bo nie wiem co gdzie wetknąć:P Może ktoś pomoże??
    Dzięki z góry.
  • #9 2818717
    michal512
    Poziom 14  
    ja tez nie wiem gdzie sie co znajduje :? jaki jest koszt wykonania takiego cacka??
  • REKLAMA
  • #10 2818843
    Jarema
    Użytkownik obserwowany
    Witam,
    Drodzy koledzy, jeśli nie macie pojęcia gdzie dany element się znajduje (nawet po odczytaniu schematu - niezbyt skomplikowanego) to odpuście sobie budowę tego układu, bo szkoda zmarnowanych pieniędzy na elementy (chyba, że macie sponsorów w postaci rodziców...).

    P.S.
    Tutaj naocznie uwidacznia się wynik "nauki" elektroniki poprzez składanie kitów...
    Pytanie o koszt wykonania to już szczyt lenistwa - nie ma listy elementów i cenników w internecie ?
  • #11 2819359
    fliper_katrill
    Poziom 20  
    Witam!
    Kolega chyba musi sobie jaja robić! W plikach załączonych na początku postu nie ma nic co by określało rozmieszczenie elementów! Co ma do tego doświadczenie i schemat? Mam zgadywać że dany punkt to plus czy minus i z czym jest łączony? (to przykład) Michal512, jeśli mogę coś zasugerować, napisz lepiej do Konstantina, który stworzył projekt http://www.runningline.org/ tam znajdziesz maila i co chcę podkreślić W PRZECIWIEŃSTWIE DO NIEKTÓRYCH FORUMOWICZÓW JEST MILE I PRZYJAŹNIE NASTAWIONY I UDOSTĘPNIA WSZYSKIE MATERIAŁY ,łącznie z widokiem rozmieszczenia elementów , który wyżej w załączniku nie został umieszczony. Co do ceny to sugeruję abyś większość kupował w Maritexie 200PLN to max za wszystko z zasilaczem.
    Dziekuję i pozdrawiam wszystkich niedoświadczonych , robiących "kity" ;)
  • #12 2910561
    posz
    Poziom 11  
    Witam,

    Ciekawy projekt ale zastosowane rozwiazanie ogranicza troche mozliwosc rozbudowy
  • #13 3146958
    IMEX
    Poziom 20  
    Witam

    Szukam Osoby która wykona mi taki projekt - odpłatnie oczywiście a poprawkami ktore zostaly opisane w/w projekcie wraz ze zmianami - jesli chodzi o same diody to wykonam to sam bo tu jest spora inwestycja 1000 diod - ale sama elaktronika mnie interesuje program do sterowania z pamiecią żeby to bez pc działało - może z jakimiś dodatakami

    A moze na forum jest gdzies lepszy projekt

    a moze zamiast tekstu da sie wstawic jakas gragike ktora będzie przesuwana lub co kilka seknd podmieniana na kolejną ??
  • REKLAMA
  • #17 13226880
    Klucha93
    Poziom 12  
    Bardzo ładny projekt. Dzięki za schematy
REKLAMA